Foram encontradas 60 questões.
Qual o valor, em ohms, do resistor R, mostrado no circuito, de forma a garantir que a resistência equivalente, vista pelos terminais a e b, seja igual a 10 !$ \Omega !$?

Provas
Questão presente nas seguintes provas
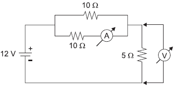
Considerando-se que todos os elementos de circuito e instrumentos sejam ideais, a leitura do voltímetro V, em volts, e a do amperímetro A, em ampère, posicionados no circuito abaixo, são, respectivamente,

Provas
Questão presente nas seguintes provas
Baseando-se na classificação API, os tipos de óleos que devem ser usados na lubrificação de motores a gasolina e/ou a álcool e na lubrificação de motores a diesel são, respectivamente,
Provas
Questão presente nas seguintes provas
A menor temperatura na qual há liberação de vapor de um óleo lubrificante, em quantidade suficiente para formar uma mistura inflamável por uma fonte externa de calor, sem que haja combustão, é chamada de ponto de
Provas
Questão presente nas seguintes provas
Na manutenção de motores diesel, equipados com bomba injetora mecânica em linha, a bomba manual, instalada junto à bomba alimentadora, é usada para
Provas
Questão presente nas seguintes provas
A figura mostra uma junta de cabeçote, usada em um motor automotivo de 4 cilindros em linha, cujos números indicam a sequência de aperto dos parafusos.

A ferramenta que deve ser usada para o aperto final desses parafusos é a(o)
Provas
Questão presente nas seguintes provas
Considere o circuito pneumático mostrado na figura para responder à questão.

A válvula direcional de duas posições do circuito é comandada por
Provas
Questão presente nas seguintes provas
Considere o circuito pneumático mostrado na figura para responder à questão.

O controle da velocidade do atuador linear é realizado por válvulas de controle de fluxo instaladas na
Provas
Questão presente nas seguintes provas
A figura mostra alguns dos componentes de um circuito hidráulico.

Os componentes, indicados pelos números 1, 2 e 3, são, respectivamente,
Provas
Questão presente nas seguintes provas
O óleo oriundo da linha de um sistema hidráulico, onde a bomba fornece uma vazão de 0,02 m3/s, aciona um atuador linear.
Se o atuador possui um êmbolo cuja área é de 100 cm2, sua velocidade de avanço, em m/s, será de
Provas
Questão presente nas seguintes provas
Cadernos
Caderno Container