Foram encontradas 80 questões.
Quando esse sinal é reproduzido com o dobro da velocidade em que foi gravado, observa-se uma alteração no espectro em relação ao sinal original.
Assinale a alternativa correta em relação a situação descrita.
Provas
O sinal é analisado de três maneiras diferentes:
no domínio do tempo; por meio da Transformada rápida de Fourier (FFT); e utilizando um espectrograma.
Assinale a alternativa correta em relação à situação descrita.
Provas
Portanto, é correto afirmar que o voltímetro apresenta:
Provas
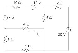
Considere o circuito abaixo:

Assinale a alternativa que indica corretamente o valor da corrente i a no circuito.
Provas
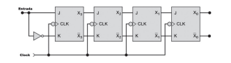
Os sinais de entrada e de clock são mostrados na figura abaixo.
Considerando que todas as saídas não barradas (X₃, X₂, X₁ e X₀) dos flip-flops estejam no nível lógico 0 no instante t₁, quais os níveis lógicos das saídas de cada flip-flop no instante de tempo t₄?
Provas
Disciplina: TI - Organização e Arquitetura dos Computadores
Banca: FEPESE
Orgão: Polícia Científica-SC
Provas
A figura abaixo mostra um diagrama esquemático de um circuito combinacional que realiza a multiplicação de dois números (x e y) de dois bits em sua entrada, sendo os índices 1 os Bits Mais Significativos (MSB), e os índices 0 os Bits Menos Significativos (LSB). O circuito resulta em um número z de quatro bits, sendo o índice 3 o Bit Mais Significativo (MSB) e o índice 0 o Bit Menos Significativo (LSB).

Assinale a alternativa que contenha a expressão lógica booleana para o bit z₂ do número z resultante da multiplicação entre os números x e y
Provas
O circuito abaixo mostra filtro ativo utilizando um amplificador operacional.

Assinale a alternativa que mostra corretamente a função de transferência que relaciona o sinal de saída (Vo) em relação ao sinal de entrada (Vi) desse circuito.
Provas
O circuito em destaque mostra fontes contínuas e resistências.

Assinale a alternativa que contenha os valores da tensão (Vth) e da resistência (Rth) equivalente de Thévenin entre os pontos a e b.
Provas
O circuito abaixo mostra uma configuração com polarização por realimentação de tensão de um transistor bipolar de junção (BJT).

Assinale a alternativa que melhor descreve a equação para o cálculo da corrente de base do transistor BJT para o ponto quiescente.
Considere que o transistor está na região ativa e β é o ganho do transistor.
Provas
Caderno Container