Foram encontradas 50 questões.
- EletrotécnicaCircuitos Elétricos em Eletricidade
- EletrotécnicaCircuitos de Corrente Contínua e de Corrente Alternada

O circuito eletrônico apresentado na figura acima é uma fonte regulada em 12 V, onde todos os componentes são considerados ideais. O transístor opera com ganho ß = 50 e V BE . O diodo Zener opera com tensão nominal de 12,6 V, e a tensão de entrada Ve' oriunda do retificador, varia no intervalo de 20 a 40 V.
No instante em que a carga R L dissipa uma potência de 18W e a tensão Ve' é de 22,6 V, a corrente elétrica que passa pelo diodo Zener, em mA, é
Provas
Questão presente nas seguintes provas
- EletrotécnicaCircuitos Elétricos em Eletricidade
- EletrotécnicaCircuitos de Corrente Contínua e de Corrente Alternada

Um amperímetro é conectado entre os pontos 1 e 2 do circuito elétrico mostrado na figura acima.
O valor da corrente elétrica medida nesse amperímetro, em A, é
Provas
Questão presente nas seguintes provas
- EletrotécnicaCircuitos Elétricos em Eletricidade
- EletrotécnicaCircuitos de Corrente Contínua e de Corrente Alternada

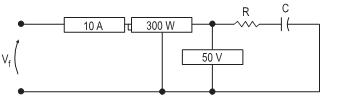
No circuito apresentado na figura acima, encontram-se instalados um amperímetro, um wattímetro e um voltímetro, com suas respectivas medidas assinaladas. Com base nas leituras dos instrumentos, onde corrente e tensão são medidas em valor eficaz e sabendo-se que o capacitor é de 1/8 F a frequência angular da fonte de tensão senoidal Vf' , em rad/s, é
Provas
Questão presente nas seguintes provas


Um multímetro digital é utilizado para medir a tensão entre os terminais de um resistor, o qual é alimentado por uma fonte de tensão. O esquema de ligação e a configuração do multímetro são mostrados na Figura 1 acima. Com um osciloscópio, obteve-se a forma de onda da tensão
para um ciclo de onda, como na Figura 2. De acordo com as informações acima, o valor da tensão, em volt, lida no multímetro éProvas
Questão presente nas seguintes provas

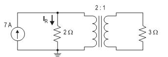
Uma fonte de corrente alternada alimenta duas cargas: um resistor de 2 Ω e um de 3 Ω . O resistor de 2 Ω é conectado diretamente em paralelo com a fonte, enquanto que o resistor de 3 Ω é conectado através de um transformador ideal, cuja relação de transformação é 2 : 1, conforme indicado na figura acima. De acordo com essas informações, o valor, em ampères, da correnteIR indicada na figura é
Provas
Questão presente nas seguintes provas

Uma fonte trifásica de energia elétrica, equilibrada e balanceada, alimenta uma carga resistiva trifásica. O valor r.m.s da corrente de linha consumida pela carga é igual a 4 A, conforme indicado na figura acima. A potência trifásica, em watt, dissipada pela carga é
Provas
Questão presente nas seguintes provas
Em relação à seleção e instalação dos dispositivos destinados a prover a função de proteção em instalações elétricas de baixa tensão, está previsto na NBR 5410 que
Provas
Questão presente nas seguintes provas
A ABNT regula, dentre outras coisas, o tipo de material e a forma de execução de serviços técnicos relacionados à engenharia elétrica. Nas instalações elétricas de baixa tensão, consoante à NBR 5410, quanto ao correto emprego de materiais,
Provas
Questão presente nas seguintes provas
De acordo com a NBR 5410, o esquema de aterramento mais adequado aos circuitos terminais em instalaçõe elétricas residenciais e comerciais é o
Provas
Questão presente nas seguintes provas
- EletrônicaComponentes Eletrônicos em Eletroeletrônica
- EletrônicaEquipamentos Elétricos em Eletroeletrônica
Em um determinado parque fabril, operando com várias máquinas eletromecânicas, foi instalado um banco de capacitores. Considerando-se que o regime de funcionamento das máquinas permanece inalterado, o uso do banco de capacitores proporcionará à instalação o(a)
Provas
Questão presente nas seguintes provas
Cadernos
Caderno Container