Foram encontradas 50 questões.
Disciplina: Engenharia Mecânica
Banca: Pref. Bauru-SP
Orgão: Pref. Bauru-SP
O técnico A diz que as funções requeridas para os rolamentos diferem de acordo com a aplicação, e devem ser mantidas necessariamente por um período além do determinado. O técnico B diz que o rolamento mesmo que utilizado corretamente, ao passar do tempo deixa de desempenhar de forma satisfatória as suas funções, problemas como o aumento de ruído e vibração, a redução da precisão pelo desgaste, a deterioração da graxa lubrificante ou o escamamento por fadiga na superfície do rolamento, torna necessária a substituição desse importante componente dos sistemas mecânicos. O técnico C complementa dizendo que a vida do rolamento são estes períodos até a impossibilidade do uso, denominadas respectivamente como, vida de ruído, vida de desgaste, vida de graxa ou vida de fadiga. Quem está certo?
Provas
Disciplina: Engenharia Mecânica
Banca: Pref. Bauru-SP
Orgão: Pref. Bauru-SP
Indique qual a definição de "atrito":
Provas
Disciplina: Engenharia Mecânica
Banca: Pref. Bauru-SP
Orgão: Pref. Bauru-SP
Dentre os itens a seguir relacionados, qual NÃO se caracteriza como uma vantagem no uso de mancais com superfície de rolamento:
Provas
Disciplina: Engenharia Mecânica
Banca: Pref. Bauru-SP
Orgão: Pref. Bauru-SP
O sistema internacional de unidades ou SI, tem como base sete unidades primárias: Comprimento, massa, tempo, corrente elétrica, temperatura termodinâmica, quantidade de substância e intensidade luminosa. Quais são as respectivas unidades:
Provas
Disciplina: Engenharia Mecânica
Banca: Pref. Bauru-SP
Orgão: Pref. Bauru-SP
O técnico A diz que o afrouxamento de um elemento de fixação roscado é causado por uma perda total ou parcial de pré-carregamento, que por sua vez, é causada por fenômenos de acomodação (afrouxamento) ou movimentos relativos na linha de separação (desparafusamento). O técnico B diz que as seguintes medidas asseguram uma proteção confiável contra afrouxamento: Pré-carga alta, elementos de fixação roscados elásticos, baixas pressões superficiais devido a grandes superfícies de apoio e profundidade suficiente da rosca, número pequeno de linhas de separação. O técnico C complementa dizendo que deve ser evitado esforço sobre elementos plásticos ou quase elásticos (ex. vedações). Quem está certo?
Provas
Disciplina: Engenharia Mecânica
Banca: Pref. Bauru-SP
Orgão: Pref. Bauru-SP
Quais as condições de funcionamento/utilização de um automóvel que são consideradas severas:
I) Funcionamento constante em tráfego urbano lento, com paradas e partidas excessivas.
II) Ônibus para uso rodoviário.
III) Viagens frequentes de curta distância, sem que o motor alcance a temperatura de funcionamento normal.
IV) Viagens longas em estradas de terra e/ou areia (estradas irregulares, com areia ou lama excessiva).
V) Funcionamento prolongado em marcha lenta.
Provas
Disciplina: Engenharia Mecânica
Banca: Pref. Bauru-SP
Orgão: Pref. Bauru-SP
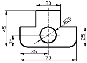
Avaliando o desenho técnico a seguir responda qual o raio da broca que deve ser usada para fazer o furo central:

Provas
Disciplina: Engenharia Mecânica
Banca: Pref. Bauru-SP
Orgão: Pref. Bauru-SP
Avalie os gráficos de vibração a seguir e responda:

Provas
Disciplina: Engenharia Mecânica
Banca: Pref. Bauru-SP
Orgão: Pref. Bauru-SP
O Aço é um composto de Ferro + Carbono, essa quantidade de carbono determina a dureza e a resistência mecânica desse composto. Você como engenheiro mecânico deve saber escolher qual o melhor tipo de aço para a fabricação de uma máquina que pode ser, por exemplo: SAE 1020 ou SAE 1045. Qual a diferença entre esses dois tipos de aço?
Provas
Disciplina: Engenharia Mecânica
Banca: Pref. Bauru-SP
Orgão: Pref. Bauru-SP
O processo de conformação de metais é muito utilizado em indústrias automotivas na fabricação de peças. Qual a principal finalidade dos vincos presentes na lataria de um automóvel:
Provas
Caderno Container