Foram encontradas 40 questões.
Somando-se as medidas dos quatro lados de um retângulo temos o perímetro desse retângulo. Um terreno com a medida da lateral igual ao dobro da medida de frente tem 16.200 metros quadrados de área. O perímetro desse terreno, em metros, é:
Provas
Questão presente nas seguintes provas
Água da chuva é potável?
No meio do caminho entre a formação das gotículas nas nuvens e o chão, há diversas substâncias na atmosfera. E elas podem ser tóxicas, especialmente se você estiver em uma cidade grande ou industrial. A chuva carrega poluentes da queima de combustíveis, como o benzeno, que é cancerígeno. Aliás, é por isso que a chuva deixa o ar mais limpo, pois ela varre a sujeira do céu. E não se engane, longe dos centros urbanos, a água tampouco é potável. O ar é mais limpo, mas as nuvens podem vir de cidades distantes. Um exemplo histórico foi o caso de chuva ácida nos aparentemente incólumes lagos noruegueses, em 1881. Ela trazia partículas de carvão da Inglaterra, a mais de 1 000 km. No Brasil, uma pesquisa realizada pela USP mostrou que os poluentes gerados em São Paulo podem se espalhar por até 350 km em caso de ventos fortes. Além disso, água da chuva de nuvens formadas no campo pode ter excesso de cálcio e potássio. Já nuvens do litoral têm sódio. Essas substâncias podem causar hipertensão e problemas de coração, entre outros. Ou seja, água de chuva não é recomendada para consumo. Até mesmo a de cisternas precisa ser tratada antes.
Raphael Soeiro
Disponível em: http://super.abril.com.br/cotidiano
Em “Até mesmo a de cisternas precisa ser tratada antes.”, a palavra grifada trata-se de um pronome e de acordo com o texto substitui a palavra da alternativa:
Provas
Questão presente nas seguintes provas
Considere as proposições I e II:
I- {1, 2, 3, 4} – {0, 1, 2, 3} = {4}
II- {1, 2, 3, 4} !$ \cap !$ {0, 1, 2, 3} = {1, 2, 3}
Sobre essas proposições é correto afirmar que:
Provas
Questão presente nas seguintes provas
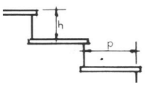
Em muitas instalações prediais surge a necessidade de se projetar escadas e rampas. Para escadas é muito útil o uso da fórmula de Blondell, onde:

Provas
Questão presente nas seguintes provas
O emprego do concreto armado possui as seguintes vantagens:
I- debela a Fissuração inerente à baixa resistência a tração, pois a tendência a fissuração se inicia na moldagem das peças, pela retração do concreto e persiste durante toda vida útil da estrutura, quer seja pelas condições ambientais e de utilização ou pela movimentação térmica.
II- durabilidade bem elevada associada a baixo custo da manutenção das estruturas de concreto, desde que o projeto e a execução atendem os requisitos das normas técnicas.
III- excelente resistência a choques, vibrações e as altas temperaturas. A resistência a compressão tende a aumentar com o passar do tempo.
Assinale a alternativa correta.
Provas
Questão presente nas seguintes provas
O pacote Office 2010 apresenta uma série de opções para prevenir alterações indevidas em documentos editados. O usuário poderá proteger suas pastas de planilhas através dos seguintes recursos do Excel:
( ) Marcar como final: informe aos leitores que a pasta de trabalho é final e torna-a Somente leitura.
( ) Criptografar com Senha: exija uma senha para abrir a pasta de trabalho.
( ) Proteger Planilha Atual: controle os tipos de alterações que as pessoas podem fazer na planilha atual.
( ) Proteger Estrutura da Pasta de Trabalho: impeça alterações indesejadas na estrutura da pasta de trabalho, como edição de planilhas.
( ) Adicionar Assinatura Digital: garanta a integridade da pasta de trabalho adicionando uma assinatura digital invisível.
( ) Restringir Permissão Pessoal: permita o acesso à planilha apenas a usuários que você marcar como confiáveis através de suas contas do Google.
São (V) verdadeiras ou (F) falsas as afirmações na sequência:
Provas
Questão presente nas seguintes provas
Em um projeto, a razão entre as medidas que constam do papel e as medidas reais é 1:1200. Isso significa que uma viga, que no projeto tem 1,5 centímetros, mede, na realidade:
Provas
Questão presente nas seguintes provas
Analisando sintaticamente alguns termos do período retirado do texto temos: “Ou seja, água de chuva não é recomendada para consumo.”
I- Sujeito Simples = água de chuva.
II- Predicado Nominal = ou seja, ...não é recomendada para consumo.
III- Objeto Direto = recomendada.
IV- Objeto Indireto = para consumo.
Estão corretos apenas os itens:
Provas
Questão presente nas seguintes provas
Assinale a alternativa em que apenas duas palavras retiradas do texto são acentuadas pela mesma regra.
Provas
Questão presente nas seguintes provas
Sabe-se que 35% da pavimentação de uma rua está concluída. Se ainda faltam pavimentar 156 metros dessa rua, então é verdade que o comprimento total da referida rua, em metros, é:
Provas
Questão presente nas seguintes provas
Cadernos
Caderno Container