Foram encontradas 160 questões.
As correias industriais, sendo vulcanizadas, até que não haja deteriorização, suportam temperaturas compreendidas entre:
Provas
Rolamento é um componente que permite movimento rotativo (controlado ou não) entre dois ou mais elementos. Serve principalmente para reduzir o atrito ou a fricção de deslizamento entre as superfícies de contato. Assinalar a alternativa que se refere ao tipo de rolamento caracterizado abaixo:
Por essa configuração, suportam cargas combinadas. Ou seja, comportam cargas axiais e cargas radiais atuando ao mesmo tempo. Como forma de proporcionar ação de rolagem verdadeira e, assim, garantir poucos momentos de atrito durante a operação, contam com linhas de projeção das pistas que se encontram em um ponto comum no eixo do rolamento. Sua capacidade de carga axial aumenta com ângulo de contato crescente.
Provas
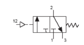
Os circuitos pneumáticos são constituídos por elementos de trabalho (atuadores), sinal e comando (válvulas). As válvulas são elementos de comando para partida, parada, direção ou regulagem. A figura abaixo representa uma:

Provas
Os motores elétricos devem ser mantidos limpos, isentos de poeira, detritos e óleos. Uma das possíveis causas de corrente alta em carga de um motor de corrente alternada é:
Provas
Assinalar a alternativa em que a transformação de unidades foi realizada de maneira correta:
Provas
Materiais dúcteis são aqueles que apresentam grandes deformações antes de se romperem, como o aço, a borracha e o alumínio. No diagrama tensão-deformação do aço, a região caracterizada por uma deformação permanente do material, que se desenvolve sem o acréscimo da tensão, é denominada:
Provas
O processo de usinagem gera grandes esforços devido ao atrito gerado entre a peça e a ferramenta. Esse atrito em altas velocidades de corte gera aquecimento e pode danificar a peça ou a ferramenta; sendo assim, para evitar tais problemas, são utilizados fluidos de corte. A seleção do fluido de corte é feita de acordo com o material a ser usinado e a operação de usinagem, como os óleos solúveis em água, que devem ser utilizados na seguinte situação:
Provas
Os tipos de manutenção são caracterizados conforme é feita a intervenção no sistema. A manutenção preditiva apresenta a seguinte característica:
Provas
No que diz respeito às malhas de controle, assinalar a alternativa INCORRETA:
Provas
Redes industriais são padronizadas em níveis de hierarquias, cada qual responsável pela conexão de diferentes tipos de equipamentos com suas próprias características de informação. A chamada “pirâmide da automação industrial” apresenta os diferentes níveis de controle de automação industrial, desde os equipamentos e os dispositivos em campo até o gerenciamento corporativo da empresa. Considerando-se que essa pirâmide apresenta cinco níveis, começando pela base, os atuadores, os sensores, os transmissores e outros componentes presentes na planta compõem:
Provas
Caderno Container