Magna Concursos

Foram encontradas 64 questões.

3397611 Ano: 2023
Disciplina: Engenharia Elétrica
Banca: Legalle
Orgão: Pref. Caxias do Sul-RS
Provas:

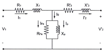
As máquinas elétricas podem ser modeladas através de circuitos elétricos cujos componentes refletem o seu comportamento em operação. O circuito equivalente, apresentado na ilustração abaixo, refere-se a um transformador. Qual e a função dos resistores R1 e R,2 neste modelo?

Enunciado 3531065-1

 

Provas

Questão presente nas seguintes provas
3397610 Ano: 2023
Disciplina: Engenharia Elétrica
Banca: Legalle
Orgão: Pref. Caxias do Sul-RS
Provas:

Acionamentos elétricos são arranjos que permitem a implementação de operações em instalações elétricas. O circuito de força mostrado na figura abaixo é largamente empregado. Considerando um circuito de comando que acione os contatores K1 e K3 e, após algum tempo, abra o contator K3 e acione o contator K2, qual seria a função deste acionamento?

Enunciado 3531064-1

 

Provas

Questão presente nas seguintes provas
3397609 Ano: 2023
Disciplina: Engenharia Elétrica
Banca: Legalle
Orgão: Pref. Caxias do Sul-RS
Provas:

A norma NBR 5410 especifica os esquemas de condutores vivos considerados para circuitos em corrente contínua e alternada. Qual alternativa apresenta um esquema não existente para condutores vivos em corrente alternada, de acordo com a norma?

 

Provas

Questão presente nas seguintes provas
3397608 Ano: 2023
Disciplina: Engenharia Elétrica
Banca: Legalle
Orgão: Pref. Caxias do Sul-RS
Provas:

Qual é a corrente de neutro em um circuito totalmente equilibrado estrela-estrela a quatro fios?

 

Provas

Questão presente nas seguintes provas
3397607 Ano: 2023
Disciplina: Direito Sanitário
Banca: Legalle
Orgão: Pref. Caxias do Sul-RS
Provas:

Em relação à estrutura administrativa e ao funcionamento do Poder Executivo Municipal, a realização da vigilância sanitária epidemiológica, toxicológica e farmacológica é uma área de competência do(a):

 

Provas

Questão presente nas seguintes provas
3397605 Ano: 2023
Disciplina: Psicologia
Banca: Legalle
Orgão: Pref. Caxias do Sul-RS
Provas:

Pode-se afirmar que o CAPS III é o serviço de atenção psicossocial com capacidade operacional para atendimento em municípios com população acima de 200 mil habitantes. Quantos dos seguintes itens apresentam atividades que devem estar incluídas na assistência prestada ao paciente no CAPS III?

I. Atendimento à família.

II. Acolhimento noturno, nos feriados e finais de semana, com no máximo 05 leitos, para eventual repouso e/ou observação.

III. Atendimento em grupos (medicamentoso, psicoterápico, orientação).

 

Provas

Questão presente nas seguintes provas
3397604 Ano: 2023
Disciplina: Psicologia
Banca: Legalle
Orgão: Pref. Caxias do Sul-RS
Provas:

Nos atendimentos em saúde mental de qualquer natureza, a pessoa e seus familiares ou responsáveis serão formalmente cientificados dos direitos da pessoa portadora de transtorno mental, como ser tratada, preferencialmente, em serviços comunitários de saúde mental. Conforme a Lei Federal nº 10.216/2001, NÃO se trata de um desses direitos que deverão ser formalmente cientificados:

 

Provas

Questão presente nas seguintes provas
3397603 Ano: 2023
Disciplina: Psicologia
Banca: Legalle
Orgão: Pref. Caxias do Sul-RS
Provas:

De acordo com o livro Teorias da Personalidade, dos autores Calvin Hall, Gardner Lindzey e John Campbell, a Teoria Psicossocial do Desenvolvimento, proposta por Erik Erikson, salienta oito estágios do desenvolvimento psicossocial. As crises psicossociais presentes nesses diferentes estágios compreendem:

I. Diligência versus inferioridade.

II. Intimidade versus isolamento.

III. Generatividade versus estagnação.

IV. Autonomia versus vergonha.

V. Iniciativa versus culpa.

Estão CORRETAS:

 

Provas

Questão presente nas seguintes provas
3397602 Ano: 2023
Disciplina: Psicologia
Banca: Legalle
Orgão: Pref. Caxias do Sul-RS
Provas:

Para responder às questões 34 e 35, leve em consideração a Lei nº 8.080, de 19 de setembro de 1990, que dispõe sobre as condições para a promoção, proteção e recuperação da saúde, a organização e o funcionamento dos serviços correspondentes e dá outras providências.

As atividades que serão articuladas pelas políticas e programas a cargo das comissões intersetoriais foram descritas nas alternativas abaixo, EXCETO em:

 

Provas

Questão presente nas seguintes provas
3397601 Ano: 2023
Disciplina: Psicologia
Banca: Legalle
Orgão: Pref. Caxias do Sul-RS
Provas:

Para responder às questões 34 e 35, leve em consideração a Lei nº 8.080, de 19 de setembro de 1990, que dispõe sobre as condições para a promoção, proteção e recuperação da saúde, a organização e o funcionamento dos serviços correspondentes e dá outras providências.

Sobre os objetivos e atribuições do Sistema Único de Saúde - SUS, analise as assertivas e julgue-as em V, se verdadeiras, ou F, se falsas.

( ) A fiscalização e a inspeção de alimentos, água e bebidas para consumo humano.

( ) A vigilância nutricional e a orientação alimentar.

( ) A formulação e execução da política de sangue e seus derivados.

( ) A execução de ações de vigilância sanitária, de vigilância ambiental, de saúde do trabalhador e de assistência terapêutica integral, inclusive farmacêutica.

Qual alternativa preenche, CORRETAMENTE, de cima para baixo, os parênteses acima?

 

Provas

Questão presente nas seguintes provas