Foram encontradas 70 questões.
Um técnico de sistemas elétricos precisa adquirir um equipamento de medição que serve para verificar potência, fator de potência, tensão, corrente, distorção harmônica, frequência e resistência de uma instalação elétrica. O equipamento adequado para essa situação é o:
Provas
Na análise de corrente fase de curto circuito, o modo no qual a limitação da corrente de curto se dá devido às impedâncias do transformador e do cabo, com percurso puramente metálico, resultando na menor impedância e na maior corrente, é conhecido como contato da fase com o:
Provas
Em uma central elétrica de média tensão com sistema trifásico, precisa-se instalar um esquema de aterramento no qual um ponto de alimentação esteja aterrado de forma direta, com as massas de instalação e da subestação ligadas a esse ponto via um condutor de proteção com função combinada de neutro (PEN). A figura que representa esse esquema, segundo a Norma NBR 14039/2003, é:
Provas
Uma empresa deseja encomendar um serviço de manutenção de suas instalações elétricas que seja de programação antecipada e sistemática, em intervalos de tempos precisos, visando verificar o desempenho dos equipamentos elétricos e as condições ambientais. Portanto, o tipo de manutenção que deve ser contratado é a:
Provas
Ao fazer uma planta de uma instalação elétrica, com as simbologias ainda utilizadas da norma NBR 5444/1989, deseja-se inserir pontos de identificação de interruptor paralelos ou three-way. O símbolo a ser utilizado é:
Provas
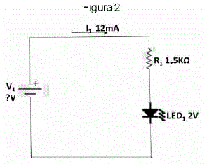
Circuito elétrico

A observação do circuito elétrico apresentado acima permite concluir que o valor de V1 corresponde a:
Provas
Circuito elétrico divisor de tensão

A observação do circuito elétrico divisor de tensão representado acima permite concluir que o valor associado a V0 é:
Provas
Um circuito de alimentação industrial , do tipo trifásico simples (3F-N) possui potência nominal de 60.000W, com tensão entre fases igual a 220V, fator de potência igual a 0,95 e rendimento igual a 0,95. Considerando apenas a parte inteira do número encontrado, sem arredondamento, o valor da corrente de projeto é igual a:
Provas
Um transformador de 1000 kVA-14.000/300V tem seu valor de impedância tomada no secundário iguala 0.9Ω. O seu valor por unidade (pu) no secundár io é igual a:
Provas
Para se efetuar uma compra de um conjunto de fios elétricos de cobre para serem usados em circuitos de força, com condutores isolados, deve-se garantir que tenham uma seção mínima, de acordo com a NBR 5410/2004, de valor em mm2 igual a:
Provas
Caderno Container