Foram encontradas 35 questões.
Disciplina: Desenho Técnico e Industrial
Banca: FEPESE
Orgão: Pref. Mafra-SC
Provas
Disciplina: Desenho Técnico e Industrial
Banca: FEPESE
Orgão: Pref. Mafra-SC
Provas
Disciplina: Desenho Técnico e Industrial
Banca: FEPESE
Orgão: Pref. Mafra-SC
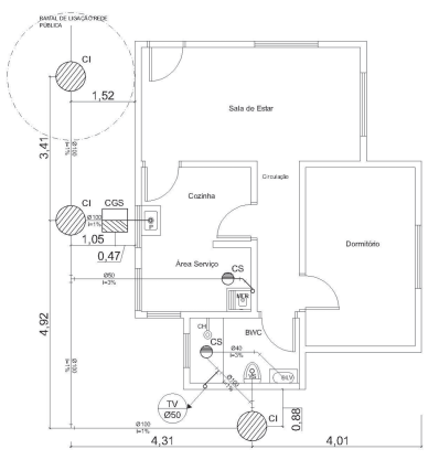
A figura abaixo representa um desenho técnico da área de projetos de construção civil.

Assinale a alternativa que corresponde corretamente ao tipo de projeto representado na figura.
Provas
Disciplina: Desenho Técnico e Industrial
Banca: FEPESE
Orgão: Pref. Mafra-SC
Provas
Disciplina: Desenho Técnico e Industrial
Banca: FEPESE
Orgão: Pref. Mafra-SC
A figura abaixo contém a representação de uma peça em vistas ortogonais de 1º diedro.

Assinale a alternativa que indica corretamente a representação em perspectiva isométrica correspondente à peça mencionada anteriormente.
Provas
A cidade de Paris, na França, sediou em 2024 o mais importante campeonato esportivo do mundo.
Assinale a alternativa que indica corretamente o nome desse evento.
Provas
Com uma extensão territorial de aproximadamente 1.404,084 km², o município de Mafra faz parte da microrregião de:
Provas
Localizado na região do Planalto Norte de Santa Catarina, o munícipio de Mafra herdou diversas características dos imigrantes Alemães, Poloneses, Ucranianos, Bucovinos, Italianos.
Assinale a alternativa que destaca corretamente o gentílico do município.
Provas
Disciplina: Desenho Técnico e Industrial
Banca: FEPESE
Orgão: Pref. Mafra-SC
Provas
Disciplina: Desenho Técnico e Industrial
Banca: FEPESE
Orgão: Pref. Mafra-SC
Assinale a alternativa que indica corretamente os tipos de materiais representados pelas hachuras 1, 2 e 3.
Provas
Caderno Container