Foram encontradas 705 questões.
Disciplina: Segurança Privada e Transportes
Banca: UniFil
Orgão: Pref. Marechal Cândido Rondon-PR
Analise as assertivas e assinale a alternativa correta quanto à direção defensiva.
I. O operador de máquinas pesadas nas vias públicas, não precisa observar cuidados especiais, pois terá sempre preferência em relação aos demais.
II. As máquinas pesadas quando em vias públicas com declives, poderão descer desengrenadas.
III. O uso de bebidas estimulantes como energéticos, é eficaz para manter a atenção do condutor com sinais de exaustão.
IV. Uma postura com os braços e pernas levemente flexionados, com o corpo apoiado no assento e encosto, com um ângulo entre 100 e 120 graus, contribuem para uma boa dirigibilidade.
Provas
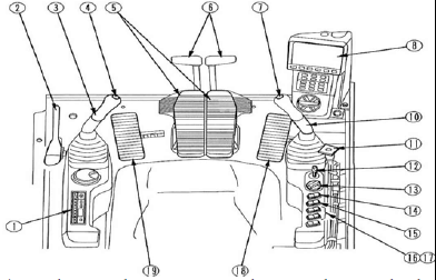
Disciplina: Segurança Privada e Transportes
Banca: UniFil
Orgão: Pref. Marechal Cândido Rondon-PR
Tendo-se como modelo a carregadeira de rodas WA 200-6, a alavanca indicada pelo nº 6 na figura abaixo representa:

Provas
Disciplina: Segurança Privada e Transportes
Banca: UniFil
Orgão: Pref. Marechal Cândido Rondon-PR
Sobre os procedimentos para o transporte de uma máquina pesada, informe se é verdadeiro (V) ou falso (F) para o que se afirma e assinale a alternativa que apresenta a sequência correta.
( ) No caso de carregadeira de rodas, o embarque e desembarque deve ser sempre com a caçamba elevada ao máximo.
( ) No embarque ou desembarque, deve-se manter o interruptor do sistema de desaceleração automática da máquina, sempre ligado, caso houver.
( ) Estando a máquina sobre a rampa de acesso ao reboque, caso necessário, pode-se corrigir a trajetória da máquina.
( ) No caso da escavadeira hidráulica, pode-se utilizar a concha para auxiliar no embarque.
Provas
Disciplina: Segurança Privada e Transportes
Banca: UniFil
Orgão: Pref. Marechal Cândido Rondon-PR
Sobre as carregadeiras de rodas em geral, é incorreto afirmar que
Provas
Disciplina: Segurança Privada e Transportes
Banca: UniFil
Orgão: Pref. Marechal Cândido Rondon-PR
Tendo-se como modelo a escavadeira hidráulica PC200-8M0, a alavanca de controle de equipamento de trabalho do lado esquerdo é utilizada para
Provas
Disciplina: Segurança Privada e Transportes
Banca: UniFil
Orgão: Pref. Marechal Cândido Rondon-PR
Tendo-se como modelo a escavadeira hidráulica PC200-8M0, os comandos 2 e 6 da figura abaixo representam, respectivamente:

Provas
Disciplina: Segurança Privada e Transportes
Banca: UniFil
Orgão: Pref. Marechal Cândido Rondon-PR
No que se refere à mecânica, conservação e manutenção das máquinas pesadas em geral, informe se é verdadeiro (V) ou falso (F) para o que se afirma e assinale a alternativa que apresenta a sequência correta.
( ) Caso precisar adicionar um óleo de marca ou classificação diferente, drene o óleo velho e substitua todo o óleo pelo novo.
( ) Após reparo ou substituição de componentes do equipamento hidráulico, ou se a tubulação hidráulica tiver sido removida e reinstalada, o ar deverá ser sangrado do circuito.
( ) É recomendada a leitura do horímetro diariamente para verificar se está próximo o período para alguma manutenção.
( ) Após submeter a máquina para trabalhos em locais alagadiços, recomenda-se engraxar os pinos que tiveram contato com a água.
Provas
Disciplina: Legislação de Trânsito
Banca: UniFil
Orgão: Pref. Marechal Cândido Rondon-PR
De acordo com o Código de Trânsito Brasileiro, não é infração de trânsito
Provas
Disciplina: Legislação de Trânsito
Banca: UniFil
Orgão: Pref. Marechal Cândido Rondon-PR
Assinale a alternativa correta quanto às infrações de trânsito, previstas no Código de Trânsito Brasileiro.
Provas
Disciplina: Legislação de Trânsito
Banca: UniFil
Orgão: Pref. Marechal Cândido Rondon-PR
Analise as assertivas e assinale a alternativa correta no que se refere às infrações de trânsito previstas no Código de Trânsito Brasileiro.
I. Comete infração leve, o condutor que ter seu veículo imobilizado na via por falta de combustível.
II. Comete infração gravíssima, o condutor que estacionar nos acostamentos.
III. Comete infração leve o condutor que estacionar em locais e horários de estacionamento e parada proibidos pela sinalização.
IV. Comete infração leve o condutor que parar na pista de rolamento das rodovias.
Provas
Caderno Container