Foram encontradas 60 questões.

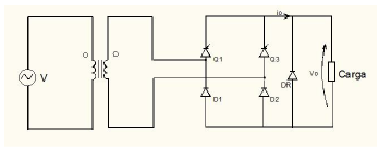
Para a ponte mista com SCR's e diodos da figura acima, temos que V = 220 V, Icarga = 12 A, sendo a carga fortemente indutiva. Calcule o valor médio da tensão de saída para !$ \alpha !$ = 60.
Marque a alternativa CORRETA.
Provas
Os circuitos Multiplex (MUX) e Demultiplex (DEMUX) são utilizados em transmissão de dados.

Figura 02
Analise as afirmativas a seguir em relação às figuras acima e a transmissão de dados.
I. No circuito da Figura 01, a entrada de informação E recebe a informação de modo série, mas a transmissão é paralela e a saída S é a mesma informação aplicada na entrada.
II. No circuito da Figura 01, a variável de seleção A1 do DEMUX, durante o tempo de existência do primeiro bit, envia o endereço de S0, que aparece na saída S0. Simultaneamente, a variável de seleção A2 do Mux deve enviar o mesmo endereço, fazendo com que a informação ligada em I0 apareça na saída S.
III. No circuito da Figura 02, a entrada da informação é feita de modo paralela e é transmitida através do modo série. Na recepção ocorre a conversão para saida paralela, como na entrada.
IV. No circuito da Figura 02, a variável de seleção A1 do MUX, durante o intervalo de tempo 0 a t1, envia o endereço de I0(0); logo, o nível relativo ao primeiro bit aparece na saída S e, consequentemente, na linha de transmissão e na entrada E do bloco Demux de recepção.
Marque a alternativa CORRETA.
Provas
Ao se considerar a simplificação de expressões booleanas em um diagrama de Veitch-Karnaugh, pode-se definir os agrupamentos possíveis para S = 1 (sendo S os resultados de uma expressão booleana, expressos em uma tabela verdade) apresentados nas regiões do diagrama. Os agrupamentos possíveis para um diagrama de duas variáveis são:
Marque a alternativa CORRETA.
Provas
Marque a alternativa CORRETA. Considere o circuito digital abaixo.

a expressão booleana que representa o circuito citado é:
Provas
Marque a alternativa CORRETA. Para a garantia do escoamento de uma descarga atmosférica que atingiu uma torre de telefonia celular construída em estruturas metálicas, devemos verificar, prioritariamente, nesta torre:
Provas
Calcule a capacitância por unidade de comprimento entre um condutor cilíndrico de 2,75 polegadas de diâmetro e um plano condutor, paralelo ao eixo desse cilindro e distante 28 pés do mesmo. 1 polegada = 25 mm e 1 pé = 30 cm.
Marque a alternativa CORRETA.
Provas
Considere um cabo coaxial apresentado na figura abaixo:

Calcule a indutância por unidade de comprimento do cabo coaxial, se a = 1 mm e b = 3 mm. Suponha !$ \mu_r !$ = 1 e despreze a indutância interna. Lembrando que !$ \mu !$ = 4!$ \pi !$ x 10-7.
Marque a alternativa CORRETA.
Provas
Analise as afirmações abaixo, considerando a capacidade de tratamento de tráfego em sistemas celulares.
I. Número de canais físicos disponíveis na célula.
II. Setorização das antenas transmissoras.
III. Fator de reuso escolhido.
Marque a alternativa CORRETA.
Provas
Marque a alternativa INCORRETA. Os transformadores são utilizados num conjunto muito variado de aplicações de processamento de informação e de energia.
De entre estas, destacam-se:
Provas
Marque a alternativa CORRETA.
A distância do campo distante para uma antena com dimensão máxima de 1,5 m e frequência de operação de 1000 MHz, é.
Provas
Caderno Container