Foram encontradas 40 questões.
Um setor de uma instalação elétrica trifásica com tensão entre fases de 220 V alimenta um conjunto de cargas trifásicas equilibradas com potência ativa total de 12 kW e fator de potência igual a 0,80. A corrente de linha solicitada por esse conjunto de cargas é:
Provas
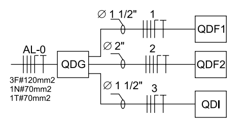
Considere o trecho de diagrama unifilar mostrado na figura a seguir, em que AL-0 é o alimentador principal da instalação.

É correto afirmar que:
Provas
Considere o circuito série apresentado na figura a seguir:

O módulo da corrente I é:
Provas
Observe o circuito mostrado na figura a seguir:

A tensão entre os pontos A e B é:
Provas
Considere a associação de capacitores mostrada na figura a seguir.

O valor da capacitância equivalente entre os pontos A e B é:
Provas
Considere o circuito apresentado na figura a seguir.

Se o amperímetro possui resistência interna de 2 Ω, o valor indicado pelo instrumento corresponde, em termos percentuais, quando relacionado à corrente real do circuito sem a presença do instrumento, a:
Provas
A unidade de medida elétrica utilizada para quantificar a diferença de potencial entre dois pontos é o:
Provas
Um quadro de distribuição possui diversos circuitos protegidos por disjuntores termomagnéticos. Um desses circuitos apresenta desarme instantâneo de seu disjuntor de proteção tão logo seja energizado. A causa provável desse comportamento é:
Provas
Uma caldeira elétrica que possui um conjunto de resistências trifásico de 18 kW, 220 V, apresenta desempenho operacional reduzido. Ao analisar as condições de operação, o eletricista realizou medições de tensão e corrente e obteve os seguintes valores:
Tensão | Corrente | ||
VAB | 221 V | IA | 27,3 A |
VBC | 220 V | IB | 27,2 A |
VCA | 219 V | IC | 47,2 A |
O diagnóstico para o defeito apresentado é:
Provas
Disciplina: Segurança e Saúde no Trabalho (SST)
Banca: VUNESP
Orgão: Pref. Pindamonhangaba-SP
Com relação às normas de segurança em instalações e serviços em eletricidade, é correto afirmar:
Provas
Caderno Container