Foram encontradas 100 questões.
2690268
Ano: 2023
Disciplina: Arquitetura
Banca: CESPE / CEBRASPE
Orgão: Pref. São Cristóvão-SE
Disciplina: Arquitetura
Banca: CESPE / CEBRASPE
Orgão: Pref. São Cristóvão-SE
Provas:
Assinale a opção correspondente a atividade do campo de
atuação de arquitetos e urbanistas relacionada às patologias.
Provas
Questão presente nas seguintes provas
2690267
Ano: 2023
Disciplina: Arquitetura
Banca: CESPE / CEBRASPE
Orgão: Pref. São Cristóvão-SE
Disciplina: Arquitetura
Banca: CESPE / CEBRASPE
Orgão: Pref. São Cristóvão-SE
Provas:
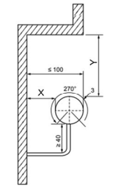
A figura a seguir expressa a empunhadura de objetos
como corrimãos e barras de apoio, que devem manter um
afastamento mínimo da parede ou de outro obstáculo, indicado
na figura por X e, quando estiverem em nichos, devem também
prever uma distância mínima livre, indicado na figura por Y.

De acordo com a NBR n.º 9.050:2015, os valores mínimos de X e Y correspondem, respectivamente, a

De acordo com a NBR n.º 9.050:2015, os valores mínimos de X e Y correspondem, respectivamente, a
Provas
Questão presente nas seguintes provas
2690266
Ano: 2023
Disciplina: Arquitetura
Banca: CESPE / CEBRASPE
Orgão: Pref. São Cristóvão-SE
Disciplina: Arquitetura
Banca: CESPE / CEBRASPE
Orgão: Pref. São Cristóvão-SE
Provas:
Com respeito ao projeto, dimensionamento e execução de
corrimãos em edifícios públicos, assinale a opção correta.
Provas
Questão presente nas seguintes provas
2690265
Ano: 2023
Disciplina: Arquitetura
Banca: CESPE / CEBRASPE
Orgão: Pref. São Cristóvão-SE
Disciplina: Arquitetura
Banca: CESPE / CEBRASPE
Orgão: Pref. São Cristóvão-SE
Provas:
Uma escada padrão ideal em rota acessível deve ser
projetada para vencer uma altura de 2,21 m entre dois patamares
de um prédio público. A largura da escada deve ser igual à
mínima exigida pela norma e cada piso deve possuir no mínimo
30,0 cm.
Nesse caso, a largura mínima da escada, o número de degraus e a dimensão do espelho devem ser, respectivamente, iguais a
Nesse caso, a largura mínima da escada, o número de degraus e a dimensão do espelho devem ser, respectivamente, iguais a
Provas
Questão presente nas seguintes provas
2690264
Ano: 2023
Disciplina: Arquitetura
Banca: CESPE / CEBRASPE
Orgão: Pref. São Cristóvão-SE
Disciplina: Arquitetura
Banca: CESPE / CEBRASPE
Orgão: Pref. São Cristóvão-SE
Provas:
Em relação às representações e especificações nos projetos
arquitetônicos, assinale a opção correta.
Provas
Questão presente nas seguintes provas
2690263
Ano: 2023
Disciplina: Arquitetura
Banca: CESPE / CEBRASPE
Orgão: Pref. São Cristóvão-SE
Disciplina: Arquitetura
Banca: CESPE / CEBRASPE
Orgão: Pref. São Cristóvão-SE
Provas:
Uma sala cirúrgica veterinária construída em alvenaria
com dimensões 5,00 × 4,00 × 2,50, em metros, necessita de
substituição dos revestimentos das paredes e dos pisos e de
pintura no teto. Para as paredes será utilizado revestimento
cerâmico branco de 50,0 × 30,0, em centímetros, enquanto para o
piso será utilizado revestimento cerâmico cinza de 60,0 × 60,0,
em centímetros, ambos com 4,0 mm de espessura. O teto será
pintado na cor branco neve, em duas demãos, usando-se uma
tinta com rendimento de 20 m2
/L em cada demão. Cada caixa de
revestimento cerâmico possui 10 unidades do produto e se prevê
uma perda de 10% para esse material.
Para atender as condições apresentadas na situação precedente, serão necessários
Para atender as condições apresentadas na situação precedente, serão necessários
Provas
Questão presente nas seguintes provas
2690262
Ano: 2023
Disciplina: Arquitetura
Banca: CESPE / CEBRASPE
Orgão: Pref. São Cristóvão-SE
Disciplina: Arquitetura
Banca: CESPE / CEBRASPE
Orgão: Pref. São Cristóvão-SE
Provas:
Entre os elementos estruturais, aquele que se caracteriza como
sendo elemento estrutural de superfície é denominado
Provas
Questão presente nas seguintes provas
2690261
Ano: 2023
Disciplina: Arquitetura
Banca: CESPE / CEBRASPE
Orgão: Pref. São Cristóvão-SE
Disciplina: Arquitetura
Banca: CESPE / CEBRASPE
Orgão: Pref. São Cristóvão-SE
Provas:
A proteção das estruturas contra descargas elétricas atmosféricas
pode ser realizada pelos elementos que fazem parte das próprias
estruturas, se eles forem eletricamente condutores e se puderem
ser atingidos por raios como, por exemplo, coberturas metálicas.
Nesse caso, o elemento é designado de captor natural do sistema
de proteção de descargas atmosféricas (SPDA). A esse respeito,
assinale a opção que apresenta uma condição que os telhados
metálicos devem satisfazer para serem considerados captores
naturais.
Provas
Questão presente nas seguintes provas
2690260
Ano: 2023
Disciplina: Arquitetura
Banca: CESPE / CEBRASPE
Orgão: Pref. São Cristóvão-SE
Disciplina: Arquitetura
Banca: CESPE / CEBRASPE
Orgão: Pref. São Cristóvão-SE
Provas:
Para projetar saídas de emergências em edifícios, são levados em
conta vários aspectos, dentre eles, as características construtivas
da edificação. Um edifício pode ser considerado da classe Z
(edificações onde a propagação do fogo é difícil) quando
Provas
Questão presente nas seguintes provas
2690259
Ano: 2023
Disciplina: Arquitetura
Banca: CESPE / CEBRASPE
Orgão: Pref. São Cristóvão-SE
Disciplina: Arquitetura
Banca: CESPE / CEBRASPE
Orgão: Pref. São Cristóvão-SE
Provas:
Em relação ao projeto hidrossanitário complementar de uma
edificação, assinale a opção correta.
Provas
Questão presente nas seguintes provas
Cadernos
Caderno Container