Foram encontradas 50 questões.
Disciplina: Engenharia Elétrica
Banca: FCC
Orgão: Pref. São José Rio Preto-SP
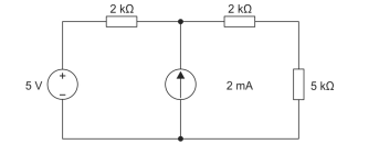
Considere o circuito elétrico abaixo:

O circuito equivalente de Thévenin, considerando como carga o bipolo de 5 kΩ, possui valor de tensão (V) e resistência (kΩ), respectivamente, de
Provas
Disciplina: Engenharia Elétrica
Banca: FCC
Orgão: Pref. São José Rio Preto-SP
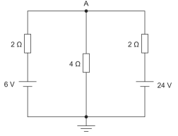
Considere o circuito elétrico abaixo:

A tensão no ponto A, em V, é de
Provas
Disciplina: Engenharia Elétrica
Banca: FCC
Orgão: Pref. São José Rio Preto-SP
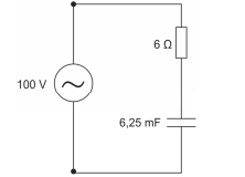
A figura abaixo apresenta um circuito RC série alimentado por uma fonte de corrente alternada de 100 V e frequência angular de 20 rad/s.

O módulo da impedância equivalente do conjunto resistor e capacitor, em Ω, é
Provas
Disciplina: Engenharia Elétrica
Banca: FCC
Orgão: Pref. São José Rio Preto-SP
No circuito abaixo as resistências são: R1 = 12 Ω, R2 = 20 Ω e R3 = 30 Ω.

A resistência equivalente do circuito entre os pontos A e B, em Ω, é
Provas
Disciplina: Engenharia Elétrica
Banca: FCC
Orgão: Pref. São José Rio Preto-SP
Considere o circuito elétrico abaixo:

O tipo correto de filtro e a sua frequência de corte aproximada, em Hz, respectivamente, é:
Provas
Disciplina: Engenharia Elétrica
Banca: FCC
Orgão: Pref. São José Rio Preto-SP
Provas
Disciplina: Engenharia Elétrica
Banca: FCC
Orgão: Pref. São José Rio Preto-SP
Provas
Disciplina: Engenharia Elétrica
Banca: FCC
Orgão: Pref. São José Rio Preto-SP
Provas
Disciplina: Engenharia Elétrica
Banca: FCC
Orgão: Pref. São José Rio Preto-SP
Provas
Disciplina: Engenharia Elétrica
Banca: FCC
Orgão: Pref. São José Rio Preto-SP
Provas
Caderno Container