Foram encontradas 45 questões.
Observe a seguir o quadro de distribuição e a especificação dos seis equipamentos de iluminação que serão conectados a esse quadro.

Luz robótica de cabeçote móvel – sistema elétrico: Alimentação CA: 100 a 240 V nominal, 50/60 Hz; Consumo total máximo de energia: 260 W; Unidade de fornecimento de energia: modo de comutador eletrônico de variação automática; Consumo típico de energia, todos os efeitos estáticos, resultado de luz zero: <15 W.
Nesse caso, recomenda-se a instalação desses equipamentos utilizando-se
Provas
Questão presente nas seguintes provas
Considere que uma cliente solicita ao vendedor uma lâmpada branca, de 110 volts e 15 watts, para troca em seu dormitório. Em seguida, completa o pedido dizendo que “prefere aquelas lâmpadas com a cor mais amarelada”.
Nesse caso, assinale a alternativa que apresenta a melhor especificação dessa lâmpada.
Provas
Questão presente nas seguintes provas
2565767
Ano: 2019
Disciplina: Segurança e Saúde no Trabalho (SST)
Banca: FUNDEP
Orgão: Pref. Uberlândia-MG
Disciplina: Segurança e Saúde no Trabalho (SST)
Banca: FUNDEP
Orgão: Pref. Uberlândia-MG
Provas:
Sobre as Normas Regulamentadoras nº 35 – Trabalho em Altura – e nº 23 – Proteção Contra Incêndio –, assinale com V as afirmativas verdadeiras e com F as falsas.
( ) O cinto de segurança é um EPI destinado a reduzir o impacto transmitido ao corpo do trabalhador durante uma queda.
( ) O talabarte e a trava-queda são equipamentos de proteção coletiva, utilizados no combate ao incêndio em áreas confinadas.
( ) A utilização de equipamentos de combate ao incêndio e os procedimentos para evacuação dos locais de trabalho com segurança são informações que devem ser fornecidas pelo empregador a todos os trabalhadores.
( ) Os riscos adicionais são compostos pelas variáveis consideradas na definição e seleção das medidas de proteção, que permitem controle e antecipação.
Assinale a sequência correta.
Provas
Questão presente nas seguintes provas
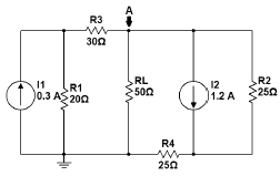
Analise o circuito a seguir.

O potencial no ponto A e a corrente na carga RL são, respectivamente, iguais a
Provas
Questão presente nas seguintes provas
Observe a seguir um multímetro da Hammer, de manuseio simples, que será utilizado para determinar se uma tomada de energia opera em condições normais.

Assinale a alternativa que apresenta correta e respectivamente, a função, a escala e os terminais selecionados para essa operação.
Provas
Questão presente nas seguintes provas
Em um grupo de redes sociais, usuários levantaram uma enquete a respeito de três marcas de carro: A, B e C. Foi perguntado quantos usuários já tiveram carros de pelo menos uma dessas marcas. Os valores obtidos na enquete foram os seguintes:
• 35 usuários já tiveram carro da marca A;
• 43 usuários já tiveram carro da marca B;
• 40 usuários já tiveram carro da marca C;
• 20 usuários já tiveram carros das marcas A e B;
• 13 usuários já tiveram carros das marcas A e C;
• 15 usuários já tiveram carros das marcas B e C; e
• 8 usuários já tiveram carros das três marcas.
Todos os usuários responderam à enquete e tiveram pelo menos um carro de uma das marcas.
Escolhendo um dentre os usuários desse grupo ao acaso, a probabilidade de que ele tenha tido um carro de uma única marca é igual a:
Provas
Questão presente nas seguintes provas
Leia o texto a seguir para responder à questão.
A fotografia está morrendo?
De tempos em tempos temos algum artigo apocalíptico dizendo que algo está morrendo, ou simplesmente vai acabar. Até hoje estamos esperando a morte do rádio ou o fim do papel. Mas, alguns destes artigos nos trazem coisas para pensarmos. É o caso do texto intitulado “The Death of Photography: are camera phones destroying an artform?” (Em português: “A morte da fotografia: as câmeras de celular estão destruindo uma forma de arte?”) publicado no The Guardian por Stuart Jeffries em 13 de dezembro. Ele parte de uma pergunta simples: estaria a massificação da fotografia destruindo a arte? Pergunta complicada. Em vez de expressar unicamente sua opinião, o jornalista procurou alguns grandes fotógrafos e os fez pensar sobre o assunto.
O primeiro a ser questionado foi Antonio Olmos, fotógrafo mexicano que vive em Londres. Segundo ele, nunca houve tantas fotografias tiradas no mundo, mas ao mesmo tempo a fotografia está morrendo. Para o fotógrafo isso se deve justamente pela massificação. Para falar a verdade, a reportagem toda foi motivada por dois acontecimentos da semana passada. O primeiro foi flagrante do autorretrato em que participou o Presidente dos Estados Unidos Barack Obama na cerimônia em memória a Nelson Mandela. Segundo a reportagem ela mostra toda a natureza narcisista que cerca a nova fotografia executada com celulares. O segundo fato foi a divulgação de uma pesquisa feita por psicólogos onde foi demonstrado que o atual comportamento que nos leva a fotografar tudo o que vemos tem por consequência o fato de não vivermos intensamente o momento, levando a sua não assimilação total dos fatos. Ou seja, quanto mais você fotografa o seu cotidiano, menos capacidade de se lembrar dele você tem.
É nesse segundo ponto que Olmos bate mais forte: “As pessoas que tomam fotografias de sua comida em um restaurante em vez de comê-la. As pessoas que tomam fotografias da Mona Lisa, em vez de olhar para ela. Acho que o iPhone está levando as pessoas para longe de suas experiências.” O argumento do fotógrafo também passa pela história do surgimento da fotografia, na qual os pintores perderam o filão de retratos de família para os fotógrafos. Agora, os profissionais estão perdendo o seu espaço para as fotografias feitas pelo cidadão comum. Entendo o argumento do fotógrafo, mas sinto aqui também um pouco de amargura. Sabemos que o ramo do fotojornalismo, a área de Olmos, está em crise. Antigamente era necessário enviar um profissional para uma zona de conflito. Hoje é possível encontrar diversas fotos desses conflitos feitas por quem está vivendo o acontecimento. Imagens feitas com celulares e postadas em redes sociais. Complicado competir com esse tipo de interatividade.
Por outro lado, o fotógrafo Eamonn McCabe tem uma visão um pouco diferente. Para ele, a massificação da tecnologia digital está deixando os fotógrafos cada vez mais preguiçosos. Antes uma sessão fotográfica era feita com dois rolos de filme de 24 poses. Hoje pode-se fazer mil fotos em uma sessão e todos os defeitos são corrigidos no pós processamento. Sem dizer que tamanha quantidade de fotos nos tira a capacidade de apreciar uma imagem. Por isso que sempre digo que ninguém vai querer ver as 2 mil fotos de suas férias. Faça uma seleção de 20 fotos e vai ser um sucesso. “As pessoas estão fazendo um monte de fotos, mas ninguém está olhando para elas”.
E, no final do artigo, temos a voz da razão na pessoa do fotógrafo Nick Knight, que já publicou um livro e fez uma campanha de moda utilizando apenas o iPhone. Para ele, o iPhone trouxe uma liberdade que só tem paralelo com os anos 60, quando deixou-se de utilizar tripé nas sessões de moda com a utilização de câmeras 35mm em detrimento das de médio formato. Segundo Nick, “O que importa, artisticamente, não é quantos pixels elas tem, mas se as imagens funcionam. A máquina com que você cria sua arte é irrelevante.”
O artigo é muito mais denso e merece uma leitura detalhada. Mas, qual minha opinião? A arte sempre vai estar morrendo, segundo a opinião de alguém. Além do mais, a fotografia não é arte. É uma forma de comunicação que pode ser utilizada como arte. Esta utilização é que se encontra em baixa ultimamente e é de difícil acesso para o público comum. Até mesmo para os fotógrafos que investiram milhares de Reais em seu equipamento. Vejo muita foto feita com câmeras caras, lentes soberbas, conhecimento técnico e pós processamento exorbitante que são, apenas, bonitinhas. Expressões máximas da frase “sua fotografia é tão boa quanto seu equipamento”. A fotografia, como expressão da arte, não está morrendo. Ela continua existindo no mesmo nicho que sempre existiu. Talvez agora um pouco mais escondida por conta da massificação, mas ela está lá, vivendo bem.
Disponível em: <https://meiobit.com/274065/fotografia-estamorrendo/>.
Acesso em: 31 jul. 2019 (Adaptação).
Analise os trechos a seguir.
I. “Para ele, o iPhone trouxe uma liberdade que só tem paralelo com os anos 60, quando deixou-se de utilizar tripé nas sessões de moda.”
II. “Hoje pode-se fazer mil fotos em uma sessão e todos os defeitos são corrigidos no pós processamento.”
Considerando a norma-padrão da língua portuguesa, assinale a alternativa correta.
Provas
Questão presente nas seguintes provas
Leia o texto a seguir para responder à questão.
A fotografia está morrendo?
De tempos em tempos temos algum artigo apocalíptico dizendo que algo está morrendo, ou simplesmente vai acabar. Até hoje estamos esperando a morte do rádio ou o fim do papel. Mas, alguns destes artigos nos trazem coisas para pensarmos. É o caso do texto intitulado “The Death of Photography: are camera phones destroying an artform?” (Em português: “A morte da fotografia: as câmeras de celular estão destruindo uma forma de arte?”) publicado no The Guardian por Stuart Jeffries em 13 de dezembro. Ele parte de uma pergunta simples: estaria a massificação da fotografia destruindo a arte? Pergunta complicada. Em vez de expressar unicamente sua opinião, o jornalista procurou alguns grandes fotógrafos e os fez pensar sobre o assunto.
O primeiro a ser questionado foi Antonio Olmos, fotógrafo mexicano que vive em Londres. Segundo ele, nunca houve tantas fotografias tiradas no mundo, mas ao mesmo tempo a fotografia está morrendo. Para o fotógrafo isso se deve justamente pela massificação. Para falar a verdade, a reportagem toda foi motivada por dois acontecimentos da semana passada. O primeiro foi flagrante do autorretrato em que participou o Presidente dos Estados Unidos Barack Obama na cerimônia em memória a Nelson Mandela. Segundo a reportagem ela mostra toda a natureza narcisista que cerca a nova fotografia executada com celulares. O segundo fato foi a divulgação de uma pesquisa feita por psicólogos onde foi demonstrado que o atual comportamento que nos leva a fotografar tudo o que vemos tem por consequência o fato de não vivermos intensamente o momento, levando a sua não assimilação total dos fatos. Ou seja, quanto mais você fotografa o seu cotidiano, menos capacidade de se lembrar dele você tem.
É nesse segundo ponto que Olmos bate mais forte: “As pessoas que tomam fotografias de sua comida em um restaurante em vez de comê-la. As pessoas que tomam fotografias da Mona Lisa, em vez de olhar para ela. Acho que o iPhone está levando as pessoas para longe de suas experiências.” O argumento do fotógrafo também passa pela história do surgimento da fotografia, na qual os pintores perderam o filão de retratos de família para os fotógrafos. Agora, os profissionais estão perdendo o seu espaço para as fotografias feitas pelo cidadão comum. Entendo o argumento do fotógrafo, mas sinto aqui também um pouco de amargura. Sabemos que o ramo do fotojornalismo, a área de Olmos, está em crise. Antigamente era necessário enviar um profissional para uma zona de conflito. Hoje é possível encontrar diversas fotos desses conflitos feitas por quem está vivendo o acontecimento. Imagens feitas com celulares e postadas em redes sociais. Complicado competir com esse tipo de interatividade.
Por outro lado, o fotógrafo Eamonn McCabe tem uma visão um pouco diferente. Para ele, a massificação da tecnologia digital está deixando os fotógrafos cada vez mais preguiçosos. Antes uma sessão fotográfica era feita com dois rolos de filme de 24 poses. Hoje pode-se fazer mil fotos em uma sessão e todos os defeitos são corrigidos no pós processamento. Sem dizer que tamanha quantidade de fotos nos tira a capacidade de apreciar uma imagem. Por isso que sempre digo que ninguém vai querer ver as 2 mil fotos de suas férias. Faça uma seleção de 20 fotos e vai ser um sucesso. “As pessoas estão fazendo um monte de fotos, mas ninguém está olhando para elas”.
E, no final do artigo, temos a voz da razão na pessoa do fotógrafo Nick Knight, que já publicou um livro e fez uma campanha de moda utilizando apenas o iPhone. Para ele, o iPhone trouxe uma liberdade que só tem paralelo com os anos 60, quando deixou-se de utilizar tripé nas sessões de moda com a utilização de câmeras 35mm em detrimento das de médio formato. Segundo Nick, “O que importa, artisticamente, não é quantos pixels elas tem, mas se as imagens funcionam. A máquina com que você cria sua arte é irrelevante.”
O artigo é muito mais denso e merece uma leitura detalhada. Mas, qual minha opinião? A arte sempre vai estar morrendo, segundo a opinião de alguém. Além do mais, a fotografia não é arte. É uma forma de comunicação que pode ser utilizada como arte. Esta utilização é que se encontra em baixa ultimamente e é de difícil acesso para o público comum. Até mesmo para os fotógrafos que investiram milhares de Reais em seu equipamento. Vejo muita foto feita com câmeras caras, lentes soberbas, conhecimento técnico e pós processamento exorbitante que são, apenas, bonitinhas. Expressões máximas da frase “sua fotografia é tão boa quanto seu equipamento”. A fotografia, como expressão da arte, não está morrendo. Ela continua existindo no mesmo nicho que sempre existiu. Talvez agora um pouco mais escondida por conta da massificação, mas ela está lá, vivendo bem.
Disponível em: <https://meiobit.com/274065/fotografia-estamorrendo/>.
Acesso em: 31 jul. 2019 (Adaptação).
Analise os trechos a seguir.
I. “Sem dizer que tamanha quantidade de fotos nos tira a capacidade de apreciar uma imagem.”
II. “O que importa, artisticamente, não é quantos pixels elas tem, mas se as imagens funcionam.”
III. “Segundo ele, nunca houve tantas fotografias tiradas no mundo, mas ao mesmo tempo a fotografia está morrendo.”
Há desvio da norma-padrão no que diz respeito à concordância verbal no(s) trecho(s)
Provas
Questão presente nas seguintes provas
Leia o texto a seguir para responder à questão.
A fotografia está morrendo?
De tempos em tempos temos algum artigo apocalíptico dizendo que algo está morrendo, ou simplesmente vai acabar. Até hoje estamos esperando a morte do rádio ou o fim do papel. Mas, alguns destes artigos nos trazem coisas para pensarmos. É o caso do texto intitulado “The Death of Photography: are camera phones destroying an artform?” (Em português: “A morte da fotografia: as câmeras de celular estão destruindo uma forma de arte?”) publicado no The Guardian por Stuart Jeffries em 13 de dezembro. Ele parte de uma pergunta simples: estaria a massificação da fotografia destruindo a arte? Pergunta complicada. Em vez de expressar unicamente sua opinião, o jornalista procurou alguns grandes fotógrafos e os fez pensar sobre o assunto.
O primeiro a ser questionado foi Antonio Olmos, fotógrafo mexicano que vive em Londres. Segundo ele, nunca houve tantas fotografias tiradas no mundo, mas ao mesmo tempo a fotografia está morrendo. Para o fotógrafo isso se deve justamente pela massificação. Para falar a verdade, a reportagem toda foi motivada por dois acontecimentos da semana passada. O primeiro foi flagrante do autorretrato em que participou o Presidente dos Estados Unidos Barack Obama na cerimônia em memória a Nelson Mandela. Segundo a reportagem ela mostra toda a natureza narcisista que cerca a nova fotografia executada com celulares. O segundo fato foi a divulgação de uma pesquisa feita por psicólogos onde foi demonstrado que o atual comportamento que nos leva a fotografar tudo o que vemos tem por consequência o fato de não vivermos intensamente o momento, levando a sua não assimilação total dos fatos. Ou seja, quanto mais você fotografa o seu cotidiano, menos capacidade de se lembrar dele você tem.
É nesse segundo ponto que Olmos bate mais forte: “As pessoas que tomam fotografias de sua comida em um restaurante em vez de comê-la. As pessoas que tomam fotografias da Mona Lisa, em vez de olhar para ela. Acho que o iPhone está levando as pessoas para longe de suas experiências.” O argumento do fotógrafo também passa pela história do surgimento da fotografia, na qual os pintores perderam o filão de retratos de família para os fotógrafos. Agora, os profissionais estão perdendo o seu espaço para as fotografias feitas pelo cidadão comum. Entendo o argumento do fotógrafo, mas sinto aqui também um pouco de amargura. Sabemos que o ramo do fotojornalismo, a área de Olmos, está em crise. Antigamente era necessário enviar um profissional para uma zona de conflito. Hoje é possível encontrar diversas fotos desses conflitos feitas por quem está vivendo o acontecimento. Imagens feitas com celulares e postadas em redes sociais. Complicado competir com esse tipo de interatividade.
Por outro lado, o fotógrafo Eamonn McCabe tem uma visão um pouco diferente. Para ele, a massificação da tecnologia digital está deixando os fotógrafos cada vez mais preguiçosos. Antes uma sessão fotográfica era feita com dois rolos de filme de 24 poses. Hoje pode-se fazer mil fotos em uma sessão e todos os defeitos são corrigidos no pós processamento. Sem dizer que tamanha quantidade de fotos nos tira a capacidade de apreciar uma imagem. Por isso que sempre digo que ninguém vai querer ver as 2 mil fotos de suas férias. Faça uma seleção de 20 fotos e vai ser um sucesso. “As pessoas estão fazendo um monte de fotos, mas ninguém está olhando para elas”.
E, no final do artigo, temos a voz da razão na pessoa do fotógrafo Nick Knight, que já publicou um livro e fez uma campanha de moda utilizando apenas o iPhone. Para ele, o iPhone trouxe uma liberdade que só tem paralelo com os anos 60, quando deixou-se de utilizar tripé nas sessões de moda com a utilização de câmeras 35mm em detrimento das de médio formato. Segundo Nick, “O que importa, artisticamente, não é quantos pixels elas tem, mas se as imagens funcionam. A máquina com que você cria sua arte é irrelevante.”
O artigo é muito mais denso e merece uma leitura detalhada. Mas, qual minha opinião? A arte sempre vai estar morrendo, segundo a opinião de alguém. Além do mais, a fotografia não é arte. É uma forma de comunicação que pode ser utilizada como arte. Esta utilização é que se encontra em baixa ultimamente e é de difícil acesso para o público comum. Até mesmo para os fotógrafos que investiram milhares de Reais em seu equipamento. Vejo muita foto feita com câmeras caras, lentes soberbas, conhecimento técnico e pós processamento exorbitante que são, apenas, bonitinhas. Expressões máximas da frase “sua fotografia é tão boa quanto seu equipamento”. A fotografia, como expressão da arte, não está morrendo. Ela continua existindo no mesmo nicho que sempre existiu. Talvez agora um pouco mais escondida por conta da massificação, mas ela está lá, vivendo bem.
Disponível em: <https://meiobit.com/274065/fotografia-estamorrendo/>.
Acesso em: 31 jul. 2019 (Adaptação).
O texto em questão, como se trata de um artigo de opinião, traz o posicionamento do autor em relação ao tema debatido.
Nesse sentido, é correto afirmar que, a respeito das opiniões expressas pelos fotógrafos abordados, o autor
Provas
Questão presente nas seguintes provas
Leia o texto a seguir para responder à questão.
A fotografia está morrendo?
De tempos em tempos temos algum artigo apocalíptico dizendo que algo está morrendo, ou simplesmente vai acabar. Até hoje estamos esperando a morte do rádio ou o fim do papel. Mas, alguns destes artigos nos trazem coisas para pensarmos. É o caso do texto intitulado “The Death of Photography: are camera phones destroying an artform?” (Em português: “A morte da fotografia: as câmeras de celular estão destruindo uma forma de arte?”) publicado no The Guardian por Stuart Jeffries em 13 de dezembro. Ele parte de uma pergunta simples: estaria a massificação da fotografia destruindo a arte? Pergunta complicada. Em vez de expressar unicamente sua opinião, o jornalista procurou alguns grandes fotógrafos e os fez pensar sobre o assunto.
O primeiro a ser questionado foi Antonio Olmos, fotógrafo mexicano que vive em Londres. Segundo ele, nunca houve tantas fotografias tiradas no mundo, mas ao mesmo tempo a fotografia está morrendo. Para o fotógrafo isso se deve justamente pela massificação. Para falar a verdade, a reportagem toda foi motivada por dois acontecimentos da semana passada. O primeiro foi flagrante do autorretrato em que participou o Presidente dos Estados Unidos Barack Obama na cerimônia em memória a Nelson Mandela. Segundo a reportagem ela mostra toda a natureza narcisista que cerca a nova fotografia executada com celulares. O segundo fato foi a divulgação de uma pesquisa feita por psicólogos onde foi demonstrado que o atual comportamento que nos leva a fotografar tudo o que vemos tem por consequência o fato de não vivermos intensamente o momento, levando a sua não assimilação total dos fatos. Ou seja, quanto mais você fotografa o seu cotidiano, menos capacidade de se lembrar dele você tem.
É nesse segundo ponto que Olmos bate mais forte: “As pessoas que tomam fotografias de sua comida em um restaurante em vez de comê-la. As pessoas que tomam fotografias da Mona Lisa, em vez de olhar para ela. Acho que o iPhone está levando as pessoas para longe de suas experiências.” O argumento do fotógrafo também passa pela história do surgimento da fotografia, na qual os pintores perderam o filão de retratos de família para os fotógrafos. Agora, os profissionais estão perdendo o seu espaço para as fotografias feitas pelo cidadão comum. Entendo o argumento do fotógrafo, mas sinto aqui também um pouco de amargura. Sabemos que o ramo do fotojornalismo, a área de Olmos, está em crise. Antigamente era necessário enviar um profissional para uma zona de conflito. Hoje é possível encontrar diversas fotos desses conflitos feitas por quem está vivendo o acontecimento. Imagens feitas com celulares e postadas em redes sociais. Complicado competir com esse tipo de interatividade.
Por outro lado, o fotógrafo Eamonn McCabe tem uma visão um pouco diferente. Para ele, a massificação da tecnologia digital está deixando os fotógrafos cada vez mais preguiçosos. Antes uma sessão fotográfica era feita com dois rolos de filme de 24 poses. Hoje pode-se fazer mil fotos em uma sessão e todos os defeitos são corrigidos no pós processamento. Sem dizer que tamanha quantidade de fotos nos tira a capacidade de apreciar uma imagem. Por isso que sempre digo que ninguém vai querer ver as 2 mil fotos de suas férias. Faça uma seleção de 20 fotos e vai ser um sucesso. “As pessoas estão fazendo um monte de fotos, mas ninguém está olhando para elas”.
E, no final do artigo, temos a voz da razão na pessoa do fotógrafo Nick Knight, que já publicou um livro e fez uma campanha de moda utilizando apenas o iPhone. Para ele, o iPhone trouxe uma liberdade que só tem paralelo com os anos 60, quando deixou-se de utilizar tripé nas sessões de moda com a utilização de câmeras 35mm em detrimento das de médio formato. Segundo Nick, “O que importa, artisticamente, não é quantos pixels elas tem, mas se as imagens funcionam. A máquina com que você cria sua arte é irrelevante.”
O artigo é muito mais denso e merece uma leitura detalhada. Mas, qual minha opinião? A arte sempre vai estar morrendo, segundo a opinião de alguém. Além do mais, a fotografia não é arte. É uma forma de comunicação que pode ser utilizada como arte. Esta utilização é que se encontra em baixa ultimamente e é de difícil acesso para o público comum. Até mesmo para os fotógrafos que investiram milhares de Reais em seu equipamento. Vejo muita foto feita com câmeras caras, lentes soberbas, conhecimento técnico e pós processamento exorbitante que são, apenas, bonitinhas. Expressões máximas da frase “sua fotografia é tão boa quanto seu equipamento”. A fotografia, como expressão da arte, não está morrendo. Ela continua existindo no mesmo nicho que sempre existiu. Talvez agora um pouco mais escondida por conta da massificação, mas ela está lá, vivendo bem.
Disponível em: <https://meiobit.com/274065/fotografia-estamorrendo/>.
Acesso em: 31 jul. 2019 (Adaptação).
Na conclusão do texto, o autor expressa sua opinião própria sobre o tema. Assinale a alternativa que a sintetiza corretamente.
Provas
Questão presente nas seguintes provas
Cadernos
Caderno Container