Foram encontradas 40 questões.
Em uma instalação elétrica
residencial alimentada em baixa tensão, a
NBR 5410/2004 (Instalações Elétricas de Baixa
Tensão) estabelece a obrigatoriedade da instalação
do dispositivo diferencial residual de alta sensibilidade
(30 mA ou inferior) nas tomadas de uso geral de
determinadas dependências, objetivando a proteção
contra contatos diretos. Dos locais abaixo, qual NÃO
tem a obrigatoriedade de aplicação deste tipo de
proteção?
Provas
Questão presente nas seguintes provas
Pode-se dizer que o fator de carga
de uma instalação indica o percentual de energia
consumida em relação à demanda máxima mantida
durante o período. Qual o fator de carga do
transformador de 225 kVA que atende uma unidade
consumidora, apresenta uma demanda máxima de
250 kVA e um consumo de 108 MWh, num
determinado período de faturamento de 30 dias?
Provas
Questão presente nas seguintes provas
A mica é um material isolante
amplamente empregado por suas excelentes
qualidades. Qual das propriedades abaixo NÃO
corresponde à sua característica?
Provas
Questão presente nas seguintes provas
De acordo com a NBR 5410
(Instalações Elétricas de Baixa Tensão), toda
edificação deve dispor de uma infraestrutura de
aterramento, denominada eletrodo de aterramento,
admitindo-se as seguintes situações:
I. Eventualmente o uso de canalizações metálicas de água como eletrodo de aterramento. II. Preferencialmente, o uso da própria armadura do concreto das fundações como eletrodo de aterramento. III. No mínimo, o uso de anel metálico enterrado, circundando o perímetro da edificação.
Quais estão corretas?
I. Eventualmente o uso de canalizações metálicas de água como eletrodo de aterramento. II. Preferencialmente, o uso da própria armadura do concreto das fundações como eletrodo de aterramento. III. No mínimo, o uso de anel metálico enterrado, circundando o perímetro da edificação.
Quais estão corretas?
Provas
Questão presente nas seguintes provas
Um transformador trifásico de 15
MVA – 230 / 23 kV tem a AT conectada em triângulo
e a BT conectada em estrela. Se uma carga
equilibrada, ligada em BT, apresenta uma corrente de
linha de 200√3 A no primário, a corrente de linha será
igual a:
Provas
Questão presente nas seguintes provas
– Você foi encarregado de dimensionar
o disjuntor de proteção de BT de um transformador
trifásico de 250 kVA, 23.000 V - 380/220 V com
ligações triângulo na AT e estrela aterrada
solidamente na BT, que possui tensão de curto- circuito de 5% e está ligado a um sistema cuja
capacidade de curto-circuito é considerada ilimitada
para simplificação de cálculo. Qual a capacidade de
curto-circuito simétrico desse disjuntor?
Provas
Questão presente nas seguintes provas
Uma forma de variar a velocidade de
um motor de indução trifásico é atuando no seu
escorregamento. Isso pode ser feito através da
variação da(o):
Provas
Questão presente nas seguintes provas
Qual a corrente de partida do motor
trifásico com rotor de gaiola de 20 CV, 220/380 V, FP=0,8, rendimento de 0,8, relação Ip/In = 7 e fator
de serviço unitário, alimentado por uma rede de
127/220 V?
Provas
Questão presente nas seguintes provas
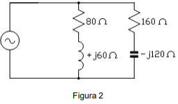
Qual a corrente total fornecida pela
fonte no circuito da figura 2 considerando se ela
demanda uma potência reativa de 12 kVAr em regime
permanente?


Provas
Questão presente nas seguintes provas
Qual o valor da reatância capacitiva
XC para que o circuito da figura 1 opere com fator de
potência unitário?


Provas
Questão presente nas seguintes provas
Cadernos
Caderno Container