Foram encontradas 60 questões.
Conforme a norma NBR 5419 para o projeto de SPDA, determine a área do prédio
protegida por um para-raios Franklin. O prédio possui 10 m de altura e superfície quadrada. No centro,
o prédio possui uma caixa d’agua com 1,5 m de altura, onde foi instalado o dispositivo de proteção.
O prédio requer nível de proteção III.


Provas
Questão presente nas seguintes provas
Baseado na norma brasileira de instalações elétricas, determine o número de TUG e
a potência aparente total necessária para o ambiente da cozinha de uma residência conforme imagem
abaixo:


Provas
Questão presente nas seguintes provas
Baseado na tabela abaixo de queda de tensão para uma carga ligada em 110V,
determine a seção para o condutor de cobre do circuito 1 do diagrama unifilar para uma queda de
tensão na carga de 1%.


Provas
Questão presente nas seguintes provas
Determine o número mínimo de lâmpadas necessárias pelo método dos lumens para
um ambiente que realiza montagem microeletrônica. Para o projeto, será adotada uma lâmpada LED
de 20W, que possui 2200 lm. O ambiente possui 10 m de comprimento e 5 m de largura e altura útil
de 2,67 m. A reflexão do teto é de 70%, das paredes, 50% e piso, 10%. Considere o fator de
depreciação de 0,9.


Provas
Questão presente nas seguintes provas
Para a realização dos serviços em espaço confinado, a NR 33 estabelece uma série
de medidas de proteção individual. Sobre isso, analise as assertivas abaixo e assinale V, para as
verdadeiras, ou F, para as falsas.
( ) É obrigatório o exame médico específico para a função que irá desempenhar, incluindo os fatores de riscos psicossociais com a emissão do respectivo Atestado de Saúde Ocupacional – ASO.
( ) É desaconselhável a execução do trabalho por um trabalhador sozinho ou isolado.
( ) O número de trabalhadores envolvidos na execução dos trabalhos em espaços confinados deve ser determinado conforme a análise de risco.
( ) É obrigação do trabalhador verificar se possui todos os equipamentos necessários antes de iniciar um serviço em espaço confinado.
A ordem correta de preenchimento dos parênteses, de cima para baixo, é:
( ) É obrigatório o exame médico específico para a função que irá desempenhar, incluindo os fatores de riscos psicossociais com a emissão do respectivo Atestado de Saúde Ocupacional – ASO.
( ) É desaconselhável a execução do trabalho por um trabalhador sozinho ou isolado.
( ) O número de trabalhadores envolvidos na execução dos trabalhos em espaços confinados deve ser determinado conforme a análise de risco.
( ) É obrigação do trabalhador verificar se possui todos os equipamentos necessários antes de iniciar um serviço em espaço confinado.
A ordem correta de preenchimento dos parênteses, de cima para baixo, é:
Provas
Questão presente nas seguintes provas
Um sistema de áudio é processado digitalmente. Sabendo que a taxa de amostragem
do sinal de entrada é de 40 khz, determine o valor do capacitor C, de forma que o filtro passa-baixa
tenha frequência de corte que respeita o critério de Nyquist para a máxima frequência possível do
sinal de áudio. Considere π = 3,14.


Provas
Questão presente nas seguintes provas
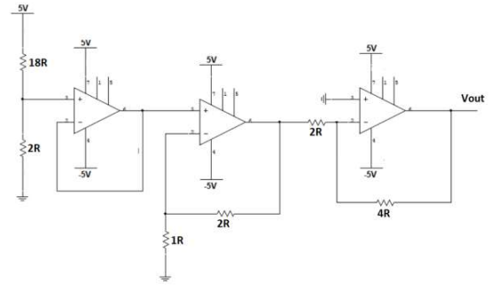
Baseado no circuito com amplificadores operacionais da figura abaixo e sabendo que
os amplificadores estão devidamente alimentados, determine o valor da saída do circuito. Considere
o AMPOP rail-to-rail.


Provas
Questão presente nas seguintes provas
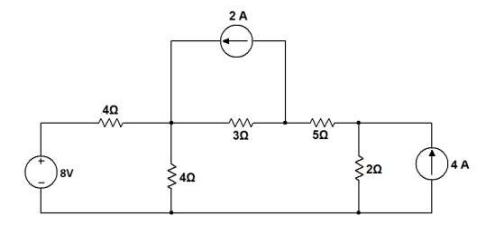
Para o circuito da figura abaixo, determine a potência no resistor de 5Ω. Considere o
valor da potência arredondado com uma casa decimal.


Provas
Questão presente nas seguintes provas
Para o circuito da figura abaixo, determine a corrente medida pelo amperímetro.


Provas
Questão presente nas seguintes provas
Para o circuito da figura abaixo, determine a corrente medida pelo amperímetro.


Provas
Questão presente nas seguintes provas
Cadernos
Caderno Container