Foram encontradas 50 questões.

Provas

Provas

Provas


Provas

Provas
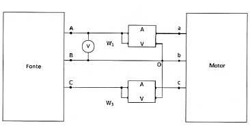
A corrente que circula em um elemento é dada por:

Marque a opção que representa em Coulomb (C) a carga total (Q) que entra neste elemento de t = 0 a t = 2s.
Provas
Provas
Provas
O território hoje pertencente ao município de Vila Velha era habitado originalmente pelos índios ______________ e _________________. Em 1549, estes índios haviam entrado em luta contra os povoadores, queimando engenhos e fazendas. Em busca de refúgio, alguns colonizadores se mudaram para a ilha de Duarte Lemos e para as capitanias vizinhas. Na ilha, a povoação passou a ser chamada de Vila Nova, ao passo que no continente, no correr dos tempos, o núcleo primitivo se tornava conhecido como Vila Velha. Os índios tornaram a atacar. Em 1551, em face das inúmeras dificuldades, o donatário transferiu a sede do governo para a ilha de Vitória, que recebeu o nome de Vila Nova do Espírito Santo, mais tarde de Nossa Senhora da Vitória.
Complete a lacuna marcando a alternativa que informe, corretamente, os nomes dos grupos indígenas.
Provas
Disciplina: Direito Constitucional
Banca: IBADE
Orgão: Pref. Vila Velha-ES
- Direitos e Garantias FundamentaisDireitos e Deveres Individuais e ColetivosDireito à Vida
- Direitos e Garantias FundamentaisDireitos e Deveres Individuais e ColetivosDireito à Liberdade
- Direitos e Garantias FundamentaisDireitos e Deveres Individuais e ColetivosDireito de Propriedade
- Direitos e Garantias FundamentaisDireitos Sociais
Todos são iguais perante a lei, sem distinção de qualquer natureza, garantindo-se aos brasileiros e aos estrangeiros residentes no País a inviolabilidade do direito à vida, à liberdade, à igualdade, à segurança e à propriedade...
Qual das alternativas a seguir faz parte do artigo 5º, da Constituição Federal de 1988?
Provas
Caderno Container