Foram encontradas 40 questões.

Provas

Provas
- Protocolos e ServiçosAcesso Remoto e TerminalSSH: Secure Shell
- Protocolos e ServiçosAutenticação e SegurançaTLS: Transport Layer Security
- Segurança de RedesIPSec
Sobre os esquemas de segurança usados em redes TCP/IP, é correto afirmar que o:
Provas
- Protocolos e ServiçosRedes, Roteamento e TransporteBGP: Border Gateway Protocol
- Protocolos e ServiçosRedes, Roteamento e TransporteOSPF: Open Shortest Path First
O OSPF e o BGP são exemplos de protocolos de roteamento usados atualmente na Internet. Sobre tais protocolos, é correto afirmar que:
Provas
Uma seqüência de vídeo é composta por quadros com uma resolução espacial de 400 por 300 pixels no sistema RGB, utilizando-se 12 bits para cada cor. Dado que a seqüência de vídeo será transmitida sem compressão a uma taxa de 20 quadros por segundo, a taxa de bits, em Mbps, será:
Provas
- Equipamentos de RedeRoteador
- Protocolos e Serviços
- Segurança de RedesFirewall
- TCP/IPSub-redes, Máscara e Endereçamento IP
Um filtro de pacotes é um mecanismo usado nos firewalls que pode agir, por exemplo, restringindo todos os pacotes que não atendam as regras especificadas em uma tabela de regras. A figura abaixo mostra um roteador com firewall que protege a rede interna da sede de uma empresa do tráfego externo, destacando-se que I1 e I2 são as interfaces do roteador. Mostra-se ainda, na figura, uma rede de uma filial da empresa em questão, também conectada à Internet.

A tabela abaixo mostra parte das regras do filtro de pacotes do roteador da sede da empresa, onde são apresentadas algumas combinações {interface de entrada | endereços IP de origem | endereços IP de destino | protocolo | porta de destino} desbloqueadas:
|
Interface de entrada |
IP de origem do pacote | IP de destino do pacote | Protocolo |
Porta de destino |
|
I1 |
150.20.*.* |
* . * . * . * |
TCP |
80 |
|
I2 |
202.23.121.21 | 150.20.30.33 | TCP |
22 |
|
I1 |
150.20.*.* | 202.23.121.41 |
TCP |
110 |
|
I2 |
202.23.121.* |
150.20.30.44 |
TCP |
25 |
Obs.: O asterisco significa qualquer valor entre 0 e 255.
Deseja-se instalar um servidor WEB dentro da sede da empresa para acesso exclusivo a partir da rede da filial. Sabendo-se que o endereço IP do servidor é 150.20.30.54, a combinação {interface de entrada | endereços IP de origem | endereços IP de destino | protocolo | porta de destino} que desbloqueará tal acesso será:
Provas
- Transmissão de DadosTransmissão de Multimídia, Streaming e VozSIP: Session Initiation Protocol
- Transmissão de DadosTransmissão de Multimídia, Streaming e VozVoIP: Voice over IP
O protocolo SIP (Session Iniciation Protocol) é um protocolo comumente usado em VoIP. Transcreve-se a seguir parte do conteúdo de uma mensagem típica transmitida por um agente SIP.
INVITE sip:jose@provedoralfa.voip.br SIP/
2.0
Via: SIP/2.0/UDP
192.168.254.80:5060;branch=z9hG4bK5DA7940DA223
From: Joao
<sip:joao@provedorbeta.voip.br>;tag=712457174
To: Jose <sip:jose@provedoralfa.voip.br>
Contact: <sip:joao@192.168.254.80:5060>
Call-ID: 1235588@192.168.254.80
CSeq: 857 INVITE
Max-Forwards: 70
Content-Type: application/sdp
...................
Sobre essa mensagem, é correto afirmar que o campo:
Provas
É correto afirmar que a sinalização CAS (Channel Associated Signaling):
Provas
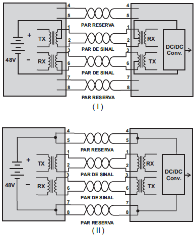
- Transmissão de DadosMeios de TransmissãoCabeamento FìsicoCabeamento Estruturado
- Transmissão de DadosPadrões IEEE 802IEEE 802.3: Ethernet

A figura acima apresenta duas possíveis propostas de configurações para o uso da norma IEEE 802.3af (Power over Ethernet). Com relação a essas propostas e ao que preconiza a referida norma, assumindo-se o uso de cabos UTP-5, é correto afirmar que:
Provas
- Gerenciamento de RedesRMON: Remote Network Monitoring
- Gerenciamento de RedesSNMP: Simple Network Management Protocol
Com relação a protocolos de gerenciamento de rede, é correto afirmar que o(a):
Provas
Caderno Container