Foram encontradas 50 questões.
- EletrotécnicaCircuitos Elétricos em Eletricidade
- EletrotécnicaCircuitos de Corrente Contínua e de Corrente Alternada
A figura abaixo representa o circuito para sistema de
ignição de um automóvel, e será utilizado para responder
a questão.

Considerando a tensão da bateria Vs = 12 V, resistência R = 3 Ω e a indutância L=6 mH, qual o valor da corrente final i na bobina, muito tempo depois de a chave ser fechada?

Considerando a tensão da bateria Vs = 12 V, resistência R = 3 Ω e a indutância L=6 mH, qual o valor da corrente final i na bobina, muito tempo depois de a chave ser fechada?
Provas
Questão presente nas seguintes provas
Os condutores são materiais nos quais as cargas elétricas
circulam com maior facilidade, como os metais, o corpo
humano e a água. Em relação à estrutura atômica dos
materiais condutores, considere as seguintes afirmações:
I - Os materiais condutores possuem elétrons mais afastados do núcleo atômico em comparação aos materiais não condutores. Esses elétrons mais afastados são atraídos por forças mais fracas geradas pelas cargas positivas dos prótons localizadas no núcleo. II - Os elétrons mais afastados do núcleo atômico formam os elétrons livres ou de condução que facilitam o fluxo de cargas nos materiais condutores. III – Os materiais condutores favorecem o acúmulo de carga estática devido ao pequeno número de elétrons de condução.
Está(ão) correta(s):
I - Os materiais condutores possuem elétrons mais afastados do núcleo atômico em comparação aos materiais não condutores. Esses elétrons mais afastados são atraídos por forças mais fracas geradas pelas cargas positivas dos prótons localizadas no núcleo. II - Os elétrons mais afastados do núcleo atômico formam os elétrons livres ou de condução que facilitam o fluxo de cargas nos materiais condutores. III – Os materiais condutores favorecem o acúmulo de carga estática devido ao pequeno número de elétrons de condução.
Está(ão) correta(s):
Provas
Questão presente nas seguintes provas
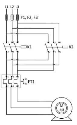
A figura abaixo mostra o circuito de acionamento de um
motor trifásico.
Os contatores K1 e K2 possibilitam acionar o motor da seguinte forma:
Os contatores K1 e K2 possibilitam acionar o motor da seguinte forma:
Provas
Questão presente nas seguintes provas
Por um fio condutor, passam 6,28 × 1018 elétrons a cada 1
segundo. Dado que 6,28 × 1018 elétrons equivalem a uma
carga de -1 Coulomb, qual o valor absoluto da corrente
elétrica em Ampères passando pelo fio?
Provas
Questão presente nas seguintes provas
A figura abaixo mostra duas partículas com cargas
negativas sobre um eixo. As cargas têm liberdade para se
mover sobre o eixo.
É possível colocar uma terceira partícula em um ponto sobre o eixo de tal modo que as três partículas fiquem em equilíbrio. Em relação à posição e à polaridade da terceira partícula, é correto afirmar que:
É possível colocar uma terceira partícula em um ponto sobre o eixo de tal modo que as três partículas fiquem em equilíbrio. Em relação à posição e à polaridade da terceira partícula, é correto afirmar que:
Provas
Questão presente nas seguintes provas
- EletrotécnicaCircuitos Elétricos em Eletricidade
- EletrotécnicaCircuitos de Corrente Contínua e de Corrente Alternada
Uma fonte de corrente constante de 2 A fornece energia
para uma lâmpada durante 10 s. São liberados na lâmpada
2 kJ de energia luminosa e calorífica. Considerando a fonte
de corrente ideal e a resistência nula dos cabos de
conexão, qual o valor da queda de tensão na lâmpada?
Provas
Questão presente nas seguintes provas
O sistema de aterramento apresentado na figura abaixo é denominado:

Provas
Questão presente nas seguintes provas
A figura abaixo apresenta o consumo de energia de uma
residência em um dia. Esse gráfico deverá ser analisado
para responder às questões 43 e 44.

Qual a energia total em kWh consumida por essa residência?

Qual a energia total em kWh consumida por essa residência?
Provas
Questão presente nas seguintes provas
Em relação à estrutura atômica, é correto afirmar:
Provas
Questão presente nas seguintes provas
- EletrotécnicaCircuitos Elétricos em Eletricidade
- EletrotécnicaCircuitos de Corrente Contínua e de Corrente Alternada
A figura abaixo mostra parte de um circuito elétrico.

Qual o valor absoluto da corrente i no fio da extremidade inferior à direta?
Provas
Questão presente nas seguintes provas
Cadernos
Caderno Container