Foram encontradas 50 questões.
Em uma instalação industrial, a escolha de um sistema de partida eficiente para motores é fundamental para garantir uma vida útil prolongada, reduzir custos operacionais e proporcionar maior segurança nas operações de manutenção. Entre os métodos de partida de motores, a partida direta e a partida por meio de chave estrela-triângulo são dois dos mais comuns. Considerando as características e condições de aplicação desses sistemas de partida, assinale a alternativa correta.
Provas
Em instalações elétricas, os quadros de distribuição podem ser encontrados em residências, indústrias e edifícios comerciais, sendo responsáveis por abrigar e distribuir a energia elétrica para diferentes partes de uma instalação. Para garantir a segurança e a durabilidade desses equipamentos, é fundamental que sejam projetados e construídos de acordo com as condições ambientais do local onde serão instalados, bem como apresentem um bom acabamento, rigidez mecânica e disposição apropriada nos equipamentos e instrumentos.
Tendo em vista essas informações, é correto afirmar que
Provas
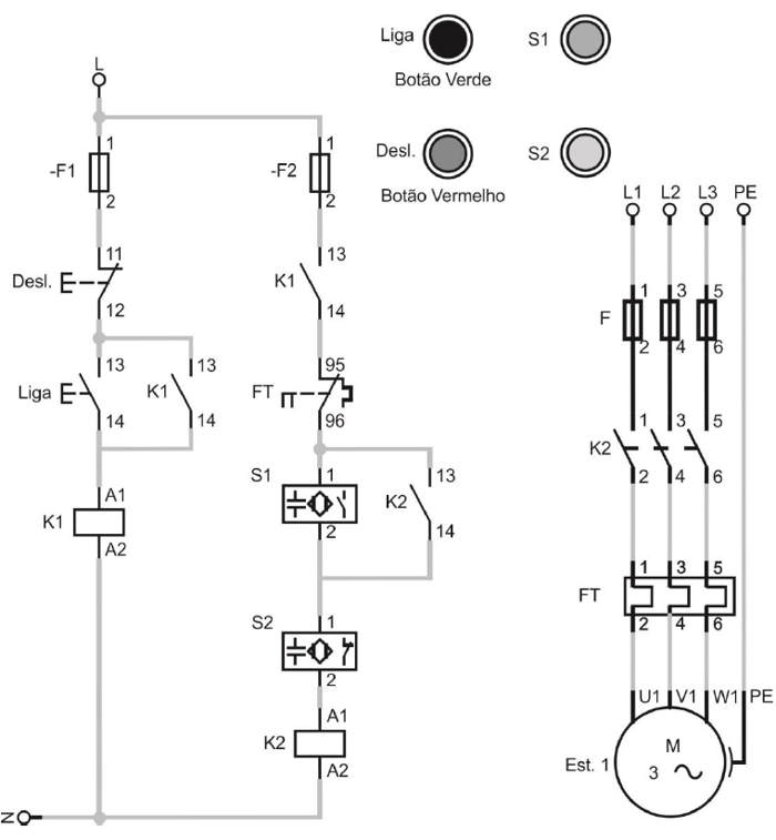
Considere o quadro de comando e força de um sistema de acionamento de motores elétricos de uma esteira industrial apresentado a seguir, sabendo que S1 e S2 são sensores capacitivos.

Analise o esquema elétrico e assinale a alternativa que descreva melhor o seu funcionamento.
Provas
Quando uma fonte de corrente alternada (CA) é conectada ao circuito primário de um transformador, uma corrente circula no circuito primário, mesmo quando o circuito secundário do transformador está aberto. Essa corrente é conhecida como corrente de magnetização e desempenha um papel crucial na operação do transformador. Ela é responsável por gerar o fluxo magnético necessário no núcleo do transformador para que ele funcione corretamente.
A corrente de magnetização é composta por duas partes: a corrente necessária para criar o fluxo magnético no núcleo e a corrente que cobre as perdas no núcleo, como as perdas por histerese e correntes parasitas. A natureza da corrente de magnetização, especialmente em condições de saturação magnética, pode influenciar o comportamento do transformador, incluindo a forma de onda da corrente e suas componentes de frequência.
Com base no que foi apresentado acerca da corrente de magnetização, assinale a alternativa correta.
Provas
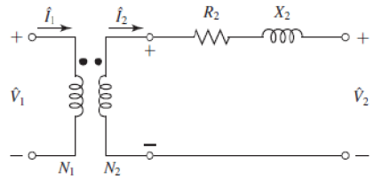
Considere o circuito equivalente mostrado na figura a seguir, que representa um transformador ideal. A impedância do circuito secundário é \( R_2 +jX_2 = 1 + 5 \Omega \) e está conectada em série com o enrolamento secundário. Sabendo-se que a relação de espiras é 10:2 e que o circuito no lado secundário está em curto-circuito, determine a corrente no primário, dado que a tensão eficaz de entrada do transformador é de 127 V, e assinale a alternativa correta.

Provas
A proteção contra curtos-circuitos é fundamental para a segurança e integridade das instalações elétricas. É importante garantir que dispositivos de proteção estejam corretamente localizados e que as correntes de curto-circuito sejam corretamente determinadas para evitar danos e riscos à segurança. De acordo com a norma NBR 5410:2004 para proteção contra curtos-circuitos, assinale a alternativa correta sobre a localização dos dispositivos de proteção.
Provas
A instalação elétrica de componentes requer atenção especial para garantir a segurança, a eficiência e a longevidade do sistema. Cada etapa da instalação deve ser realizada por profissionais qualificados, seguindo normas e práticas que assegurem a integridade dos componentes e a proteção dos usuários. Em uma instalação elétrica, qual(is) da(s) seguinte(s) medida(s) é essencial para garantir a segurança e a eficácia do sistema?
Provas
As manutenções corretiva, preventiva e preditiva são essenciais para garantir a operação contínua e eficiente dos sistemas elétricos industriais. Assinale a alternativa que apresenta a principal diferença entre manutenção preventiva e preditiva.
Provas
Determine a transformada de Laplace da função a seguir e assinale a alternativa correta.

Provas
Em circuitos RLC, capacitores e indutores armazenam energia em seus campos elétrico e magnético, respectivamente. Para entender o comportamento do circuito, é essencial calcular essa energia. Considere o circuito da figura a seguir para encontrar o valor da energia armazenada no capacitor e no indutor e assinale a alternativa correta.

Provas
Caderno Container