Foram encontradas 50 questões.
Com o auxílio de um compasso é possível achar o incentro de um triângulo, que é o centro da circunferência inscrita nesse polígono. Para achar o incentro é preciso traçar retas que dividam os ângulos do triângulo em dois ângulos congruentes. Essa reta que divide o ângulo em dois ângulos congruentes é denominada:
Provas
Identifique qual das alternativas descreve melhor a imagem a seguir:

Retirada de: https://www.codigog.com.br/
Provas
Sobre a serra circular é CORRETO afirmar:
Provas
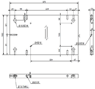
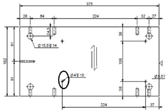
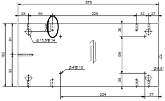
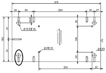
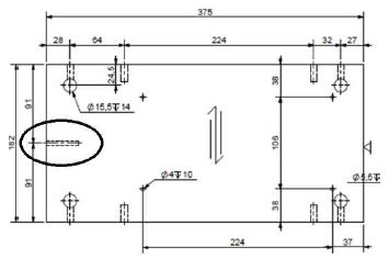
No desenho técnico, as cotas são as medidas reais representadas no desenho. Na imagem a seguir, temos uma peça representada em três vistas, frontal, lateral e superior, em uma dessas vistas é possível identificar um furo com diâmetro 8mm e profundidade de 20mm.

Identifique a alternativa que destaca esse furo com uma elipse na vista frontal:
Provas
O design de produto pode variar de acordo com os estilos, e cada estilo tem suas especificidades na hora de produzir, quanto ao maquinário necessário, quanto á matéria prima, quanto ao acabamento. A seguir, temos a vista de uma mesinha, essa mesa vai ser produzida em grande escala, para produzir o pé, que vai ser feito em MDF. Dentre as alternativas, assinale a máquina que seria indicada para esse corte:

Provas
O objetivo do lixamento é nivelar e alisar a superfície, proporcionando uma condição ideal para a aplicação de produtos químicos como seladores e vernizes. Sobre as lixas é CORRETO afirmar que:
I. As lixas são organizadas devido a sua granulação, que se refere ao número de grãos de areia por centímetro quadrado, quanto maior o número descrito na lixa menor o tamanho do grão.
II. O costado da lixa, que é o material onde é aplicado os adesivos e os grãos da lixa, pode ser de papel ou pano, onde papel é indicado para parede e pano para madeira.
III. Em um processo de acabamento de madeira com verniz, o processo indicado é lixar com lixa #220, aplicar selador, secar, lixar com lixa #120 e finalizar com verniz.
Provas
Para máquinas de corte como esquadrejadeiras e seccionadoras o acabamento do corte é o que mais preocupa, principalmente quando a chapa já está revestida como no caso de MDF BP. Há muitos fatores que precisam ser levados em consideração, como afiação do disco de serra, formato dos dentes, material de fabricação. Para ajudar na qualidade desse corte, alguns fabricantes disponibilizam uma ferramenta adicional na máquina, essa ferramenta adicional é denominada:
Provas
A seguir temos uma ferramenta utilizada no ramo de marcenaria, o esquadro. Existem vários modelos com algumas diferenças entre si, o da imagem a seguir é um esquadro simples, podemos usar essa ferramenta como auxílio para traçar:

Provas
O paquímetro é uma ferramenta de medição muito importante para o ramo moveleiro por causa de sua precisão e versatilidade na hora de fazer as medições. A seguir, temos a imagem de um paquímetro com algumas partes em destaque, identifique para que serve cada uma delas:

Retirado de: https://hennings.com.br/paquimetrouniversal- detalhamento-e-utilizacao/
Provas
Nos móveis de MDF, geralmente são utilizadas fitas de borda para cobrir as bordas das peças, como no caso do roupeiro da imagem a seguir. Considerando que a medida da porta deste roupeiro é de 2m x 43cm x 1,5 cm de espessura e o roupeiro tem 4 portas, a quantidade em metros lineares de fita de borda utilizada nas portas é de:

Retirado de https://loja.kappesberg.com.br/
Provas
Caderno Container