Foram encontradas 20 questões.
- EletrotécnicaCircuitos Elétricos em Eletricidade
- EletrotécnicaCircuitos de Corrente Contínua e de Corrente Alternada
Para medir-se uma corrente da ordem de 2,1 A com um instrumento de corrente máxima Ig de 0,1 A e g resistência interna Rg de 10 Ω, deve-se usar uma resistência de derivação Rd , conforme o circuito d abaixo. O valor desta resistência Rd será:

Provas
- EletrotécnicaCircuitos Elétricos em Eletricidade
- EletrotécnicaCircuitos de Corrente Contínua e de Corrente Alternada
O conjunto de capacitores C1 de 100 µF, montados da forma abaixo, terá uma capacidade total de:

Provas
- EletrotécnicaCircuitos Elétricos em Eletricidade
- EletrotécnicaCircuitos de Corrente Contínua e de Corrente Alternada
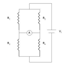
No circuito abaixo, onde R1 = 200 Ω , R3 = 300 Ω, R4 = 750 Ω , o valor de R2 que fará o amperímetro indicar zero é:

Provas
- EletrotécnicaCircuitos Elétricos em Eletricidade
- EletrotécnicaCircuitos de Corrente Contínua e de Corrente Alternada
A corrente no ramo central, entre os pontos A e B, no circuito abaixo, é:

Provas
- EletrotécnicaCircuitos Elétricos em Eletricidade
- EletrotécnicaCircuitos de Corrente Contínua e de Corrente Alternada
Um circuito com quatro resistências de 1 k Ω em série é alimentado por uma fonte de alimentação de 440 V em corrente contínua, conforme indicado abaixo. Nestas condições, os valores de tensão medidos no voltímetro V com a chave S aberta e fechada são respectivamente:

Provas
- EletrotécnicaCircuitos Elétricos em Eletricidade
- EletrotécnicaMotores
- EletrotécnicaEquipamentos Elétricos
- EletrotécnicaCircuitos de Corrente Contínua e de Corrente Alternada
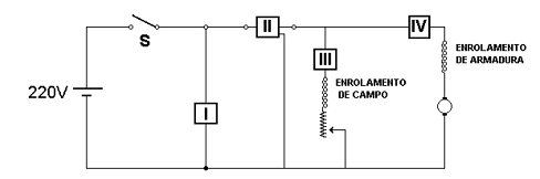
A figura a seguir representa um motor de corrente contínua tipo shunt.
Os elementos I, II, II e IV representam instrumentos de medição.

Marque a alternativa CORRETA.
Provas
A figura abaixo mostra o diagrama unifilar do quadro de carga de uma instalação elétrica residencial. A simbologia gráfica empregada é a usualmente adotada para instalações elétricas de baixa tensão. São indicados no diagrama o alimentador e sete circuitos da instalação.

De acordo com o esquema da figura, julgue os itens que se seguem.
I. O disjuntor geral da instalação é de 30 amperes.
II. A seção de todos os condutores dos circuitos é igual a 10mm2.
III. O diâmetro do eletroduto do alimentador é igual a 19 mm.
Está correto o que se afirma em
Provas
- EletrotécnicaCircuitos Elétricos em Eletricidade
- EletrotécnicaCircuitos de Corrente Contínua e de Corrente Alternada
Provas
- EletrotécnicaCircuitos Elétricos em Eletricidade
- EletrotécnicaCircuitos de Corrente Contínua e de Corrente Alternada
Provas
No circuito abaixo, para que a lâmpada acenda, o terminal porta deverá ser polarizado com:

Provas
Caderno Container