Foram encontradas 80 questões.
Considere a tabela a seguir.

Uma instalação elétrica monofásica de 127 V com carga de 5,0 kW e fator de potência 0,85 necessita, apenas pela capacidade de condução de corrente, de condutores com seção mínima de, em mm2,
Provas
Questão presente nas seguintes provas
Analise o esquema unifilar abaixo

Para completar os circuitos da instalação elétrica, o eletroduto X deve ter uma quantidade de condutores necessária e suficiente igual a
Provas
Questão presente nas seguintes provas
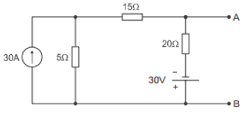
Considere o circuito abaixo.

A corrente em um resistor de 10 Ω, conectado entre os pontos A e B, é
Provas
Questão presente nas seguintes provas
Considere a associação de resistores abaixo.

A resistência equivalente entre os pontos A e B apresenta o valor, em ohm, de
Provas
Questão presente nas seguintes provas
Considere as proposições abaixo relativas a seções mínimas de condutores em uma instalação
elétrica de acordo com a NBR 5410:
I. A seção mínima do condutor de proteção deve ser a mesma do condutor fase no caso deste
último ter seção até 16 mm2.
II. A seção mínima do condutor neutro deve ser a mesma do condutor fase no caso deste último
ter seção até 6 mm2.
III. A seção mínima do condutor fase em circuitos de força, incluindo as tomadas de corrente,
deve ser 1,5 mm2 para carga prevista até 0,5 kVA.
Está correto o que se afirma em
Provas
Questão presente nas seguintes provas
Sobre seccionador, considere:
I. É um dispositivo de manobra, com abertura e fechamento automatizado do circuito elétrico com
carga, quando a corrente ultrapassar a corrente nominal suportável ou em condições de
ocorrência de curto-circuito.
II. Na chave seccionadora trifásica, cada fase é acionada individualmente por um comando
rotativo.
III. Há chave seccionadora cujo acionamento é motorizado com comando elétrico por botoeiras.
Está correto o que consta APENAS em
Provas
Questão presente nas seguintes provas
Um transformador de especificação: 127 V × 24 V − 120 kVA é usado para alimentar uma carga CA
resistiva que consome 100 W. A corrente que o primário do transformador consome da rede elétrica
vale, aproximadamente,
Provas
Questão presente nas seguintes provas
Realiza teste de isolação em sistemas elétricos:
Provas
Questão presente nas seguintes provas
Para um SPDA − sistema de proteção contra descargas atmosféricas, os métodos de projeto de
captores são:
Provas
Questão presente nas seguintes provas
A Lei de Gaus afirma que
Provas
Questão presente nas seguintes provas
Cadernos
Caderno Container