Foram encontradas 49 questões.
Em óptica geométrica, grande parte dos resultados obtidos, ocorre mediante aproximação chamada paraxial, ou seja, para pequenos ângulos. Na figura a seguir, uma lâmpada encontra-se posicionada em frente de um espelho esférico; os raios de luz saindo da lâmpada seguem a trajetória indicada, pois ela está situada:

Provas
Na figura a seguir, pode-se ver várias esferas rolando nos diferentes níveis de uma rampa em degraus. Designando a energia potencial gravitacional de uma esfera por Ep, é correto então afirmar que:

Provas
No próximo desenho, o bloco de massa m, encontra-se em equilíbrio estático em um plano inclinado, ou seja, está na iminência de escorregar. Para um ângulo Φ= 45, o coeficiente de átrio estático (μE) nesse caso será então de:

Provas
- EletromagnetismoElétricaCircuitos Elétricos Especiais: Leis de Kirchhoff e Ponte de Wheatstone
- EletromagnetismoElétricaEletricidade

Provas
As correntes, medidas em ampères, cruzando os resistores R1, R2 e R3 no circuito a seguir, são aproximadamente de:

Provas
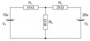
No circuito a seguir, a corrente cruzando a bateria de 10V é de :

Provas
Provas
A Lei de Diretrizes e Bases, Lei n° 9.394/1996, em seu artigo 7, enfatiza que o ensino é livre à iniciativa privada, atendidas as seguintes condições:
1. cumprimento das normas gerais da educação nacional e do respectivo sistema de ensino.
2. autorização de funcionamento e avaliação de qualidade pelo Poder Público.
3. capacidade de autofinanciamento, ressalvado o previsto no art. 213 da Constituição Federal.
4. estrutura para coordenação da política nacional de educação.
5. articulação de diferentes níveis e sistemas e exercício da função normativa, redistributiva e supletiva em relação às demais instâncias educacionais.
Estão corretos apenas os itens:
Provas
Provas
Provas
Caderno Container