Magna Concursos

Foram encontradas 120 questões.

606025 Ano: 2015
Disciplina: Engenharia Eletrônica
Banca: CESPE / CEBRASPE
Orgão: STJ

Enunciado 606025-1

Considerando o sistema de controle ilustrado na figura apresentada, em que C(s) representa um controlador, julgue o próximo item com referência à análise de estabilidade.

O sistema apresentado é um sistema de controle com retroação, o qual possui maior robustez a perturbações externas e a variações internas de parâmetros em comparação com sistemas sem retroação.
 

Provas

Questão presente nas seguintes provas
606024 Ano: 2015
Disciplina: Engenharia Eletrônica
Banca: CESPE / CEBRASPE
Orgão: STJ

Enunciado 606024-1

Considerando o sistema de controle ilustrado na figura apresentada, em que C(s) representa um controlador, julgue o próximo item com referência à análise de estabilidade.

Se o controlador em questão, C(s), for igual a 5s + 1, então o sistema em malha fechada será estável.
 

Provas

Questão presente nas seguintes provas
606023 Ano: 2015
Disciplina: Engenharia Eletrônica
Banca: CESPE / CEBRASPE
Orgão: STJ
Caso a modulação digital BPSK seja utilizada para implementar o projeto, será possível transmitir a uma taxa de dados maior e com a mesma largura de banda em comparação com a modulação QPSK (quadrature phase shift keying).
 

Provas

Questão presente nas seguintes provas
606021 Ano: 2015
Disciplina: Engenharia Elétrica
Banca: CESPE / CEBRASPE
Orgão: STJ

Enunciado 606021-1

Essas três figuras mostram as componentes normal e tangencial dos campos elétricos e magnéticos estáticos em dois meios dielétricos diferentes, identificados como meio 1 e meio 2. A partir dessas figuras e considerando D = ε*E, julgue o próximo item.

A componente tangencial da intensidade de campo elétrico é descontínua através da fronteira.
 

Provas

Questão presente nas seguintes provas
606020 Ano: 2015
Disciplina: Engenharia Elétrica
Banca: CESPE / CEBRASPE
Orgão: STJ
Com relação a máquinas elétricas, julgue o item subsequente.
O rotor do tipo gaiola de esquilo de um motor trifásico não gira à mesma velocidade do campo girante advindo do enrolamento trifásico do estator.
 

Provas

Questão presente nas seguintes provas
606019 Ano: 2015
Disciplina: Engenharia Elétrica
Banca: CESPE / CEBRASPE
Orgão: STJ
Tendo em vista que a escolha dos materiais elétricos e magnéticos para aplicações em engenharia elétrica determina o comportamento dos dispositivos e equipamentos, julgue o item seguinte.

A corrosão no cobre pode reduzir a conectividade elétrica entre os terminais de um disjuntor e a fiação que alimenta um circuito, mesmo que eles estejam fisicamente em contato.
 

Provas

Questão presente nas seguintes provas
606018 Ano: 2015
Disciplina: Engenharia Elétrica
Banca: CESPE / CEBRASPE
Orgão: STJ
Tendo em vista que a escolha dos materiais elétricos e magnéticos para aplicações em engenharia elétrica determina o comportamento dos dispositivos e equipamentos, julgue o item seguinte.

A porcelana de isoladores elétricos pode ser composta por feldspato, que interfere na temperatura suportada pela porcelana, e quartzo, que é responsável pelo aspecto dielétrico.
 

Provas

Questão presente nas seguintes provas
606016 Ano: 2015
Disciplina: Engenharia Elétrica
Banca: CESPE / CEBRASPE
Orgão: STJ

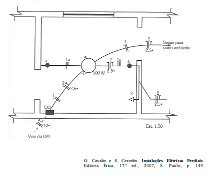
Enunciado 606016-1

Considerando a figura apresentada, que ilustra parte da planta baixa de uma instalação elétrica predial em baixa tensão, julgue o próximo item.

A seção dos condutores no circuito 2 é de 2,5 mm2. Esse circuito foi dimensionado para atender, exclusivamente, o cômodo apresentado na figura.
 

Provas

Questão presente nas seguintes provas
606015 Ano: 2015
Disciplina: Engenharia Elétrica
Banca: CESPE / CEBRASPE
Orgão: STJ
Tendo em vista que a escolha dos materiais elétricos e magnéticos para aplicações em engenharia elétrica determina o comportamento dos dispositivos e equipamentos, julgue o item seguinte.

Se dois condutores estiverem suficientemente próximos, gerando entre si um intenso campo elétrico quando submetidos a uma elevada diferença de potencial, então o ar entre esses condutores poderá ser ionizado.
 

Provas

Questão presente nas seguintes provas
606014 Ano: 2015
Disciplina: Eletroeletrônica
Banca: CESPE / CEBRASPE
Orgão: STJ

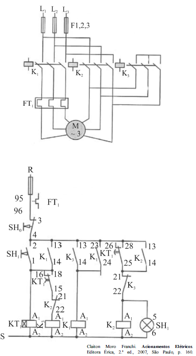
Enunciado 606014-1

As figuras apresentadas ilustram diagramas de força e de comando para a ligação de um motor de indução trifásico a uma rede elétrica. Com base nessas figuras, julgue o item que se segue considerando que a partida do motor ocorra por meio da conexão de chave estrela-triângulo.
Na partida do motor, nesse tipo de conexão, o conjugado de partida fica reduzido em 50% em comparação ao valor do conjugado que é verificado no caso em que o motor tenha partida direta.
 

Provas

Questão presente nas seguintes provas