Foram encontradas 70 questões.
De acordo com o projeto de arquitetura de uma certa
obra em um terreno de 1.700 m2
, a projeção em planta
da edificação tem 800 m2
. Segundo as orientações da
NBR 8036:1983 (Programação de sondagem de simples
reconhecimento dos solos para fundações de edifícios), o
menor número de furos de sondagem a ser executado é
Provas
Questão presente nas seguintes provas
- Gerenciamento, Planejamento e Controle de Obras
- Orçamento no Planejamento e Controle de Obras na Engenharia Civil
Considere as informações a seguir para responder à questão.
Os seguintes dados são de uma obra composta dos serviços
S1, S2 e S3, conforme a seguir.
• Valor total da obra: R$ 160.000,00
• Representação financeira dos serviços, em relação ao
total da obra:
o S1: 12,5%
o S2: 62,5%
o S3: 25,0%
• Quantidades físicas totais a serem executadas por
serviço:
o S1: 100 m3
o S2: 1.000 m2
o S3: 80 kg
• Composição unitária de cada serviço:

Dados complementares:
• Os preços unitários dos insumos que pertencerem a
mais de um serviço são os mesmos.
• Os valores de x e y devem ser obtidos a partir dos
dados fornecidos.
• Os serviços são compostos exclusivamente pelos insumos
informados.
Provas
Questão presente nas seguintes provas
- Arquitetura na Engenharia CivilCobertura
- Estruturas
- Resistência dos Materiais e Análise EstruturalEstruturas de Concreto
- Normas e Legislações
As telhas de concreto obedecem a requisitos de colocação
da NBR 13858-1:1997 (Telhas de concreto – Parte
1 – Projeto e execução de telhados).
Na técnica construtiva de colocação, entre outras, está a recomendação de que a mesma deve ser feita, iniciando-se
Na técnica construtiva de colocação, entre outras, está a recomendação de que a mesma deve ser feita, iniciando-se
Provas
Questão presente nas seguintes provas
Pelas determinações da NBR 15116:2004 (Agregados reciclados
de resíduos sólidos da construção civil – Utilização
em pavimentação e preparo de concreto sem função
estrutural – Requisitos), o processo de reaproveitamento
de um resíduo, após ele ter sido submetido à transformação,
é definido como
Provas
Questão presente nas seguintes provas
Considere um corpo de prova prismático submetido
a uma força de tração no seu eixo longitudinal. Tendo
o comprimento inicial de 0,45 m, esse corpo de prova
apresenta uma deformação axial de 8 x 10-4
mm/mm.
Qual foi, em mm, o alongamento axial desse corpo?
Qual foi, em mm, o alongamento axial desse corpo?
Provas
Questão presente nas seguintes provas
- Gerenciamento, Planejamento e Controle de Obras
- Orçamento no Planejamento e Controle de Obras na Engenharia Civil
Considere as informações a seguir para responder à questão.
Os seguintes dados são de uma obra composta dos serviços
S1, S2 e S3, conforme a seguir.
• Valor total da obra: R$ 160.000,00
• Representação financeira dos serviços, em relação ao
total da obra:
o S1: 12,5%
o S2: 62,5%
o S3: 25,0%
• Quantidades físicas totais a serem executadas por
serviço:
o S1: 100 m3
o S2: 1.000 m2
o S3: 80 kg
• Composição unitária de cada serviço:

Dados complementares:
• Os preços unitários dos insumos que pertencerem a
mais de um serviço são os mesmos.
• Os valores de x e y devem ser obtidos a partir dos
dados fornecidos.
• Os serviços são compostos exclusivamente pelos insumos
informados.
Provas
Questão presente nas seguintes provas
Para o estudo de iluminação de um escritório, é preciso
considerar o entorno imediato ao redor da área de tarefa
dentro do campo de visão. Para essa avaliação, a NBR
ISO/CIE 8995-1:2013 (Iluminação de ambiente de trabalho
– Parte 1: Interior) recomenda que deve ser considerada
uma faixa ao redor da área de tarefa.
Qual a largura mínima, em metros, que essa faixa deverá possuir?
Qual a largura mínima, em metros, que essa faixa deverá possuir?
Provas
Questão presente nas seguintes provas
Considere o croqui da poligonal aberta referente a um trecho de uma dutovia e os dados a seguir para responder a questão abaixo.

Dados

• As cotas dos pontos 3 e 4 (CP3 e CP4) encontram-se a 2,40 m e 2,50 m acima das cotas das curvas C4 e C3, respectivamente.
• A cota do ponto 6 (CP6) é 7,50m
• Nos cálculos, considere:
sen 60o
= cos 30o
= 0,9
sen 45o
= cos 45o
= 0,7
sen 30o
= cos 60o
= 0,5
Provas
Questão presente nas seguintes provas
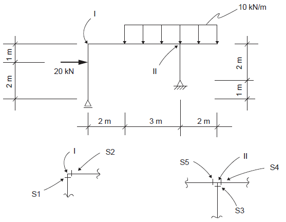
Considere o croqui da estrutura não linear contínua e os dados a seguir, para responder a questão abaixo.

Dados:
• S1 a S5 são seções da estrutura na vizinhança (infinitesimal) dos pontos 1 e 2
Provas
Questão presente nas seguintes provas
Uma rodovia possui os trechos T1 e T2, ambos em tangente, conforme a seguir:
• T1 – entre as estacas E325+5,52 m e E347+2,48 m
• T2 – entre as estacas E454+1,37 m e E495+19,86 m
Considere que será realizada uma atividade, cujo preço, por quilômetro, é R$ 12.000,00 no T1, e R$ 15.000,00 no T2.
O valor total da atividade, somados os trechos T1 e T2, em reais, é
Provas
Questão presente nas seguintes provas
Cadernos
Caderno Container