Magna Concursos

Foram encontradas 60 questões.

1895191 Ano: 2007
Disciplina: Engenharia Civil
Banca: FCC
Orgão: TRT-23

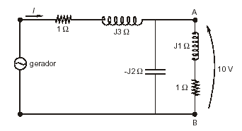
Considere a figura abaixo para responder as questões de números 40 e 41.

Enunciado 1895191-1

O valor da corrente I para que a tensão entre os pontos A e B seja igual a 10 V é de:
 

Provas

Questão presente nas seguintes provas
1895190 Ano: 2007
Disciplina: Engenharia Civil
Banca: FCC
Orgão: TRT-23
NÃO são considerados Equipamentos de Proteção Individual - EPI, para proteção dos membros superiores:
 

Provas

Questão presente nas seguintes provas
1895189 Ano: 2007
Disciplina: Segurança e Saúde no Trabalho (SST)
Banca: FCC
Orgão: TRT-23
Nos trabalhos de mineração, o transporte vertical de pessoas só será permitido em cabines ou gaiolas, que possuam as seguintes características:
 

Provas

Questão presente nas seguintes provas
1895188 Ano: 2007
Disciplina: Segurança e Saúde no Trabalho (SST)
Banca: FCC
Orgão: TRT-23

Nas atividades que envolvam leitura de documentos para digitação, datilografia ou mecanografia deve

I. ser fornecido suporte adequado para documentos que possa ser ajustado proporcionando boa postura, visualização e operação;

II. ser utilizado documento de fácil legibilidade, sempre que possível, sendo vedada a utilização de papel brilhante, ou de qualquer outro tipo que provoque ofuscamento;

III. a tela, o teclado e o suporte para documentos devem ser colocados de maneira que as distâncias olho-tela, olho-teclado e olho-documento sejam aproximadamente iguais.

Estão corretas as afirmativas:

 

Provas

Questão presente nas seguintes provas
1895187 Ano: 2007
Disciplina: Segurança e Saúde no Trabalho (SST)
Banca: FCC
Orgão: TRT-23
Quando a caldeira for instalada em ambiente aberto, a Área de Caldeiras deve:
 

Provas

Questão presente nas seguintes provas
1895186 Ano: 2007
Disciplina: Engenharia Civil
Banca: FCC
Orgão: TRT-23
NÃO são consideradas modalidades de licitação:
 

Provas

Questão presente nas seguintes provas
1895185 Ano: 2007
Disciplina: Engenharia Civil
Banca: FCC
Orgão: TRT-23
A Lei nº 8.666 estabelece condições para licitações de execução de obras e prestação de serviços. É INCORRETO afirmar que:
 

Provas

Questão presente nas seguintes provas
1895184 Ano: 2007
Disciplina: Engenharia Civil
Banca: FCC
Orgão: TRT-23

É sempre aconselhável que a impermeabilização seja aplicada na face da água. Porém, havendo necessidade de impermeabilização de uma parede de subsolo pela face interna é aconselhável o seguinte procedimento e na seqüência apresentada:

Enunciado 1895184-1

 

Provas

Questão presente nas seguintes provas
1895183 Ano: 2007
Disciplina: Engenharia Civil
Banca: FCC
Orgão: TRT-23
É INCORRETO afirmar que a causa do mau aspecto ou estragos do concreto aparente é devida
 

Provas

Questão presente nas seguintes provas
1895182 Ano: 2007
Disciplina: Engenharia Civil
Banca: FCC
Orgão: TRT-23
Considere o enunciado abaixo para responder as questões de números 30 e 31.Enunciado 1895182-1

A trinca horizontal na base da alvenaria é causada por

Enunciado 1895182-2

 

Provas

Questão presente nas seguintes provas