Foram encontradas 60 questões.
Observe as figuras.

A figura I representa a fase inicial de um desenho, composto por 04 segmentos de retas (AB: AE: CD e EF), um arco (BG) e um círculo. Entre os passos necessários para a obtenção da figura II, um dos comandos e respectivos trechos selecionados deverão ser
Provas
Os gráficos abaixo representam o modo de operação de um tipo de dispositivo usado em comandos elétricos.

Trata-se de um
Provas
Considere as proposições abaixo.
I. A resistência do LDR reduz com a diminuição da intensidade luminosa, de modo que, com a chave S fechada, ele controla sozinho a intensidade da lâmpada, independente do estado de Q2.
II. Com a chave S aberta, é impossível acionar a lâmpada, pois o LDR é o dispositivo responsável por disparar os tiristores Q1 e Q2.
III. Com a chave S aberta, o potenciômetro P1 ajusta a intensidade luminosa da lâmpada pelo controle do ângulo de disparo do tiristor Q2.
IV. Com a chave S fechada, o circuito funciona como um sistema de iluminação automática, sendo que o potenciômetro P2 ajusta a sensibilidade de atuação do LDR, mas o potenciômetro P1 deixa de atuar, de modo que a lâmpada acenda sempre com a intensidade máxima.
É correto o que se afirma APENAS em
Provas

Identifique Q1 e Q2:
Provas
Provas
Provas
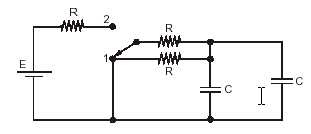
Considere que o tempo necessário e suficiente para a carga ou descarga de capacitores associados a resistores seja 5.τ, sendo τ a constante de tempo. No circuito apresentado a chave está inicialmente na posição 1 e os capacitores encontram-se completamente descarregados. Então, os dois intervalos de tempo necessários para que a corrente do circuito se anule quando a chave passar para a posição 2 e, em seguida, para a posição 1, são expressos, respectivamente, por

Provas
Provas
Provas
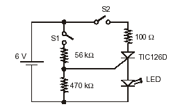
No circuito apresentado abaixo, as chaves S1 e S2 serão manipuladas na seqüência indicada na tabela.
Considere:

O estado do LED em cada condição é:
Provas
Caderno Container