Magna Concursos

Foram encontradas 120 questões.

3480099 Ano: 2024
Disciplina: Engenharia Mecânica
Banca: CESPE / CEBRASPE
Orgão: TSE
Julgue o item subsequente, referente à mecânica dos fluidos.
Se a distribuição de velocidades, em m/s, de um escoamento for dada por v = 2x3 + 2y2 - 3z, então a aceleração do fluido no ponto de coordenadas [2,1,5], em m, será superior a 20 m/s2.
 

Provas

Questão presente nas seguintes provas
3480098 Ano: 2024
Disciplina: Engenharia Mecânica
Banca: CESPE / CEBRASPE
Orgão: TSE
Em relação à mecânica dos sólidos, julgue o item seguinte.
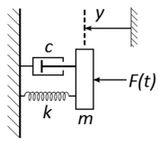
Considere que, no sistema massa-mola ilustrado pela figura a seguir, m = 20 kg, k = 1.280 N∙m−1 e c = 160 N∙s∙m−1. Nessa situação, é correto concluir que o sistema é subamortecido.
Enunciado 4048822-1
 

Provas

Questão presente nas seguintes provas
3480097 Ano: 2024
Disciplina: Engenharia Mecânica
Banca: CESPE / CEBRASPE
Orgão: TSE
Em relação à mecânica dos sólidos, julgue o item seguinte.
Considere a situação da figura a seguir, que ilustra uma esfera de 50 kg, homogênea e regular, apoiada no ponto A do plano inclinado a 30° e no ponto B da parede vertical. Considere também que a aceleração da gravidade seja igual a 10 m/s2 e que cos(30°) = 0,9 e cos(60°) = 0,5. Nesse caso hipotético, o esforço que a esfera faz contra a parede em B é inferior a 300 N.
Enunciado 4048821-1
 

Provas

Questão presente nas seguintes provas
3480096 Ano: 2024
Disciplina: Engenharia Mecânica
Banca: CESPE / CEBRASPE
Orgão: TSE
Em relação à mecânica dos sólidos, julgue o item seguinte.
Na situação da figura a seguir, o ponto P na barra de conexão dos dois cursores de um mecanismo de cursor deslizante duplo executa uma trajetória circular com o movimento dos cursores.
Enunciado 4048820-1
 

Provas

Questão presente nas seguintes provas
3480095 Ano: 2024
Disciplina: Engenharia Mecânica
Banca: CESPE / CEBRASPE
Orgão: TSE

Em relação à mecânica dos sólidos, julgue o item seguinte.

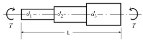
Considere a figura a seguir, que ilustra uma árvore de transmissão escalonada, com seções de diâmetros d1, d2 e d3 ao longo do comprimento L, sob a ação de um torque T. Nesse caso, para o cálculo da deflexão angular θ que a árvore sofrerá, deve-se considerar cada segmento da árvore com diâmetro di como molas de rigidez ki em série, tal que \( \theta = \dfrac{T}{K_{eq}} \), em que \( \dfrac{1}{K_{eq}} = \dfrac{1}{K_1} + \dfrac{1}{K_2} + \dfrac{1}{K_3} \).

Enunciado 4082288-1

 

Provas

Questão presente nas seguintes provas

No que concerne ao gerenciamento de conflitos nas organizações, julgue o item a seguir.

No âmbito do gerenciamento de conflitos, o denominado etnocentrismo acontece quando um colaborador de determinada cultura recorre a seus valores culturais como parâmetros para resolver um conflito em um ambiente de trabalho cujos padrões culturais são diferentes dos seus.

 

Provas

Questão presente nas seguintes provas
No que diz respeito à competência interpessoal nas organizações, julgue o item seguinte.

O autoconhecimento, como competência interpessoal, associa-se ao processo psicológico no qual o ego se torna progressivamente inconsciente de sua própria natureza, experimentando a diferenciação de suas identidades coletivas.
 

Provas

Questão presente nas seguintes provas

A respeito de comportamento organizacional, julgue o próximo item.

A ubiquidade da liderança principal indica que ela é a ligação e a interação entre todos os líderes da organização para assegurar uma atuação sistêmica e abrangente.

 

Provas

Questão presente nas seguintes provas
Acerca das funções da administração, do processo decisório e dos tipos de departamentalização na administração pública, julgue o item que se segue.

No processo decisório, a racionalidade limitada está relacionada ao tempo escasso, às informações restritas e aos recursos limitados para lidar com problemas complexos e multidimensionais.
 

Provas

Questão presente nas seguintes provas

No que concerne ao gerenciamento de conflitos nas organizações, julgue o item a seguir.

O estilo de transigência no gerenciamento de conflitos é apropriado quando os objetivos de ambos os lados são igualmente importantes ou quando os componentes têm igual poder e ambos os lados querem reduzir as diferenças.

 

Provas

Questão presente nas seguintes provas