Foram encontradas 60 questões.
São objetivos do tratamento térmico de recozimento em aços, exceto:
Provas
Questão presente nas seguintes provas
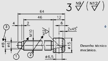
Assinale a alternativa que indica corretamente os símbolos no desenho mecânico a seguir:

Provas
Questão presente nas seguintes provas
Conceito
A ideia central e dominante ou motivo apresentado em um modelo ou através de uma coleção completa de roupas. Um conceito apresenta a ideia que levou àquele modelo, é o ponto de partida e a referência constante. O conceito de uma coleção pode ser mostrado de forma evidente, literal, ou de maneira sutil. Um conceito pode ser algo simples, como África, burlesco ou piratas. [...]
(AMBROSE, G.; HARRIS, P. Dicionário ilustrado da moda. (Trad. Márcia Longarço). Barcelona: Gustavo Gili, 2012. p. 81)
No texto há apenas cinco palavras acentuadas. Escolha a alternativa em que a palavra acentuada retirada do texto e sua respectiva justificativa, baseada nas regras de acentuação, estejam corretas.
Provas
Questão presente nas seguintes provas
Assinale a alternativa que apresenta a sequência mais correta do serramento com máquina:
Provas
Questão presente nas seguintes provas
Leia o texto abaixo, que se trata de um verbete e seu respectivo significado, publicado no Dicionário ilustrado da moda.
Coleção
Portfólio dos melhores trabalhos de um estilista, montado por estação. Todas as roupas de uma coleção representam a inspiração do estilista e exploram temas, tecidos, texturas e cores em comum.
(AMBROSE, G.; HARRIS, P. Dicionário ilustrado da moda. (Trad. Márcia Longarço). Barcelona: Gustavo Gili, 2012. p. 75)
Escolha a alternativa em que foram transcritos, respectivamente, o primeiro e segundo períodos do corpo do texto.
Provas
Questão presente nas seguintes provas
Sobre as ferramentas de corte, avalie as afirmativas e marque a alternativa correta.
I – O ângulo de incidência ou folga lateral, tem a função importante no corte possibilitando a penetração lateral da ferramenta no caso do torneamento de superfícies cilíndricas externas.
II – O ângulo de ataque ou saída, é o ângulo destinado para facilitar o deslocamento do cavaco durante o corte. Quanto maior for este ângulo maior facilidade terá o cavaco em se deslocar.
III – O ângulo de corte é formado entre o corpo do suporte da ferramenta e a aresta de corte desta. No caso das ferramentas de torneamento, ângulos menores são usados para o corte de materiais macios, enquanto que para materiais mais duros os ângulos são maiores.
Provas
Questão presente nas seguintes provas
A tolerância geométrica representada no desenho a seguir é

Provas
Questão presente nas seguintes provas
Conceito
A ideia central e dominante ou motivo apresentado em um modelo ou através de uma coleção completa de roupas. Um conceito apresenta a ideia que levou àquele modelo, é o ponto de partida e a referência constante. O conceito de uma coleção pode ser mostrado de forma evidente, literal, ou de maneira sutil. Um conceito pode ser algo simples, como África, burlesco ou piratas. [...]
(AMBROSE, G.; HARRIS, P. Dicionário ilustrado da moda. (Trad. Márcia Longarço). Barcelona: Gustavo Gili, 2012. p. 81)
Das orações abaixo, escolha aquela cujo trecho destacado é o seu sujeito.
Provas
Questão presente nas seguintes provas
Sobre o processo de furação, avalie as afirmativas e marque a alternativa correta.
I – A furadeira pode executar diversas operações de furação, como furar, escarear, rebaixar, calibrar furo e abrir rosca com macho roscar.
II – A furadeira portátil elétrica é muito utilizada na prestação de serviços e sua principal vantagem é a capacidade de realizar furos de praticamente qualquer diâmetro.
III – A furadeira de coluna é fabricada em 4 tipos: de bancada, de piso, radial e fresadora-furadeira.
Provas
Questão presente nas seguintes provas
O aço carbono com a adição de níquel e cromo (Ni - 1,25% e Cr - 0,69%) com 0,35% de Carbono é classificado pela ABNT como
Provas
Questão presente nas seguintes provas
Cadernos
Caderno Container