Foram encontradas 50 questões.
Para o circuito da figura abaixo, considerando que o Zener é de 5,1 Volts, com Iz = 4mA, Rz = 25 ohms, Izk = 0,2 mA, fonte de alimentação V+ de 10V, assinale a alternativa que representa o valor de Vo sem carga e com o valor V+ nominal.

Provas

Provas
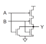
Para implementar a expressão lógica,
, utiliza-se uma porta OR e
Provas

Provas
Provas
Provas
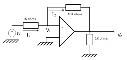
Para o circuito da figura abaixo, assinale a alternativa que contém os valores de V1, I1, I2 e Vo.

Provas
Para o circuito da figura abaixo, considerando Rf = Rs = 10K Ω, assinale a alternativa correta.

Provas
Usando um modelo de diodo simplificado, determine para o circuito apresentado na figura abaixo, o valor da tensão de alimentação E para produzir uma corrente de 8,9mA no diodo D1 (diodo de silício). Considere R1 = 220 Ω, R2 = R3 = 470 Ω.

Assinale a alternativa correta.
Provas
Provas
Caderno Container