Foram encontradas 50 questões.
Um voltímetro e um amperímetro são utilizados de acordo com o esquema mostrado na figura abaixo, para medir a resistência R de um resistor. As leituras dos medidores estão indicadas ao lado de cada um dos instrumentos.

Se a resistência interna do voltímetro é de 1 k!$ Ω !$, o valor da resistência R é:
Provas
Questão presente nas seguintes provas
O maior valor possível do produto das distâncias de um número no intervalo [0,5] aos números 2 e 4 é
Provas
Questão presente nas seguintes provas
Em uma residência na qual a tensão de alimentação é 127 V, há um disjuntor geral de 25 A. Nessa residência são utilizados eventualmente diversos eletrodomésticos nos quais estão especificadas as respectivas potências, conforme abaixo:
· Chuveiro = 2400 W
· Televisor = 120 W
· Liquidificador = 240 W
· Ebulidor = 840 W
· Lâmpadas = 60 W (cada uma)
Pretende-se analisar a operação do disjuntor nas quatro condições seguintes:
1. quando forem ligados simultaneamente o chuveiro, o televisor e o liquidificador.
2. quando forem ligados simultaneamente o chuveiro e o ebulidor.
3. quando forem ligados simultaneamente o ebulidor, o televisor e 5 lâmpadas.
4. quando forem ligados simultaneamente 12 lâmpadas, o televisor e o chuveiro.
O disjuntor desarmará APENAS nas condições:
Provas
Questão presente nas seguintes provas
No circuito lógico mostrado abaixo, a saída S corresponderá a uma função:

Provas
Questão presente nas seguintes provas
Com relação aos transformadores, é INCORRETO afirmar que:
Provas
Questão presente nas seguintes provas
Com relação ao circuito que utiliza um amplificador operacional ideal mostrado abaixo, é CORRETO afirmar que a tensão de saída (Vo) é:

Provas
Questão presente nas seguintes provas
Um motor de indução trifásico com 6 pólos é alimentado por uma fonte de tensão trifásica com uma freqüência de 60 Hz. Se o rotor gira no mesmo sentido do campo girante em uma velocidade de 500 rpm, é CORRETO afirmar que a freqüência da corrente induzida no rotor é de:
Provas
Questão presente nas seguintes provas
A expressão Booleana correspondente à saída (X) do circuito lógico mostrado na figura abaixo é:

Provas
Questão presente nas seguintes provas
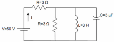
O circuito RLC mostrado na figura abaixo é alimentado por uma fonte CC de 60 volts.

O valor de regime permanente da corrente i é:
Provas
Questão presente nas seguintes provas
Em uma proposta de legislação deseja-se que os artigos sejam numerados automaticamente. Para isso, criaram-se estilos chamados Artigo e Parágrafo como mostrado abaixo.
Art.1. Texto do artigo 1 no estilo Artigo
§ 1 Texto do parágrafo 1 no estilo Parágrafo
§ 2 Texto do parágrafo 2 no estilo Parágrafo
§ 3 Texto do parágrafo 3 no estilo Parágrafo
Art. 2. Texto do artigo 2 no estilo Artigo
Para numerar os artigos automaticamente, deve-se
Provas
Questão presente nas seguintes provas
Cadernos
Caderno Container