Foram encontradas 60 questões.
Na figura abaixo, é exibida a curva característica de atuação de um disjuntor termomagnético do tipo classe C, comumente utilizado em instalações elétricas prediais.

Qual deve ser o valor máximo da corrente nominal do disjuntor termomagnético para que seja assegurada a proteção contra contato indireto, se uma corrente de fuga no condutor PE para uma falta fase-terra é igual 60 A e assumindo um tempo máximo de atuação igual a 0,1 s?
Provas
Questão presente nas seguintes provas
A questão abaixo assume que se está usando o Microsoft Windows XP Professional (com o Service Pack 3 instalado) e o Microsoft Office Professional Edição 2003, ambos em suas versões em Português. As configurações do mouse (botões esquerdo e direito) são as usadas para usuários destros (configuração padrão). Clicar significa pressionar o botão esquerdo do mouse. Clicar sobre um ícone significa pressionar o botão esquerdo do mouse quando o cursor estiver sobre a área deste ícone na tela. No caso do Excel, as configurações para linguagem e números são a padrão para as versões em Português.
Em um documento Excel foi criada uma planilha com uma tabela de juros em função do numero de parcelas mensais como mostrado a seguir.

Em outra planilha, deseja-se mostrar os juros a serem cobrados de acordo com o número de parcelas.

Qual fórmula deve ser inserida na célula selecionada (e que pode ser copiada para as células abaixo) para mostrar os juros a serem cobrados?
Provas
Questão presente nas seguintes provas
De acordo com a NBR-5419, a área de exposição equivalente é utilizada para a determinação da frequência média anual prevista de descargas atmosféricas sobre uma determinada estrutura. Assim sendo, para uma estrutura retangular simples, cujo comprimento é igual a 60 m, a largura é igual a 40 m e a altura é igual a 20 m, o valor da área de exposição equivalente é aproximadamente igual a (A fim de simplificar os cálculos, utilize !$ π = 3,14 !$)
Provas
Questão presente nas seguintes provas
Sobre os disjuntores, informe se é verdadeiro (V) ou falso (F) o que se define abaixo e posteriormente defina qual a alternativa que apresenta a sequência CORRETA.
( ) Os disjuntores termomagnéticos não devem ser usados em circuitos nos quais a ocorrência de sobrecarga é frequente.
( ) A proteção contra curto-circuito é realizada por um atuador térmico, que abre o circuito com o surto corrente.
( ) A proteção contra sobrecarga é realizada por um atuador magnético, que abre o circuito quando a corrente permanece acima do normal por um determinado tempo.
( ) O disjuntor diferencial residual deve ser utilizado quando a corrente de sobrecarga supera a nominal em duas ou mais vezes.
Provas
Questão presente nas seguintes provas
Em uma instalação elétrica predial foi adotado o uso do dispositivo de proteção à corrente diferencial-residual (DR), para a proteção contra contatos indiretos. Tal dispositivo DR NÃO deve ser usado em circuitos terminais de instalações cujo esquema de aterramento seja do tipo
Provas
Questão presente nas seguintes provas
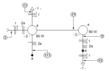
A seguir é ilustrado o esquema unifilar incompleto de uma instalação elétrica formada por dois circuitos. O primeiro circuito possui duas tomadas de 127 V e o segundo duas lâmpadas incandescentes de 60 W, com tensão de 127 V.

Provas
Questão presente nas seguintes provas
A questão abaixo assume que se está usando o Microsoft Windows XP Professional (com o Service Pack 3 instalado) e o Microsoft Office Professional Edição 2003, ambos em suas versões em Português. As configurações do mouse (botões esquerdo e direito) são as usadas para usuários destros (configuração padrão). Clicar significa pressionar o botão esquerdo do mouse. Clicar sobre um ícone significa pressionar o botão esquerdo do mouse quando o cursor estiver sobre a área deste ícone na tela. No caso do Excel, as configurações para linguagem e números são a padrão para as versões em Português.
Em muitos textos, principalmente relativos à Matemática, é necessário o uso repetido de sobrescrito e subscrito. A configuração padrão do Word não tem esses ícones na barra de ferramentas como mostrado abaixo.

Pode-se fazer o Word mostrar ícones para sobrescrito e subscrito nessa barra como mostrado abaixo.

Como fazer com que, esses ícones apareçam, nesta posição, nessa barra de ferramentas?
Provas
Questão presente nas seguintes provas
Uma instalação elétrica trifásica equilibrada tem uma potência instalada de 100 kW com fator de potência unitário. A tensão de alimentação entre fase e neutro dessa instalação é igual a 220 V. Considerando que a instalação possua um fator de demanda igual a 33%, que o fator de correção de temperatura dos condutores seja 0,8 e que o fator de correção de agrupamento seja 0,5, a corrente corrigida que deve ser usada no dimensionamento dos condutores do ramal de entrada dessa instalação é igual a
Provas
Questão presente nas seguintes provas
Na figura abaixo, são representados um condutor fase, um condutor neutro, dois interruptores paralelos, um interruptor intermediário e uma lâmpada fluorescente compacta monofásica.

Um projetista deseja implementar um circuito para comandar a lâmpada fluorescente compacta por meio de três pontos distintos. Identifique, dentre as alternativas abaixo, qual corresponde às conexões CORRETAS para esse circuito.
Provas
Questão presente nas seguintes provas
Duas lâmpadas de tipos diferentes possuem as seguintes especificações apresentadas abaixo:
| Lâmpada | Tensão (V) | Potência (W) | Fator de potência | Fluxo luminoso (Lm) | IRC |
| A | 127 | 100 | 1 | 1230 | 100 |
| B | 127 | 20 | 0,5 | 1200 | 85 |
É CORRETO afirmar que a lâmpada A
Provas
Questão presente nas seguintes provas
Cadernos
Caderno Container