Foram encontradas 60 questões.
A figura abaixo mostra o esboço de
um projeto da instalação elétrica para um
determinado ambiente. Pode-se verificar nesse
projeto, entre outros elementos,


Provas
Questão presente nas seguintes provas
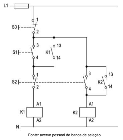
A figura abaixo apresenta o diagrama de comando de dois motores que são acionados
pelas chaves contatoras K1 (Motor 1) e K2 (Motor 2).
Analisando-se o diagrama, é CORRETO afirmar:
Analisando-se o diagrama, é CORRETO afirmar:
Provas
Questão presente nas seguintes provas
Considere as tensões v1 (t) e v2 (t) mostradas na representação gráfica da figura abaixo.

É CORRETO o que afirma em:
Provas
Questão presente nas seguintes provas
Foi solicitada a um técnico a
substituição de todos os resistores que compõem
parte de um equipamento, representados no circuito
da figura abaixo, por um único resistor, a ser
instalado entre os pontos A e B desse circuito. O
valor, em Ω, desse novo resistor é:


Provas
Questão presente nas seguintes provas
Um motor de indução de quatro polos é atendido por uma rede elétrica de frequência igual
a 60 Hz. Sob condições nominais, se o escorregamento do rotor é 2,5%, a velocidade no eixo deste motor
será de
Provas
Questão presente nas seguintes provas
Uma unidade consumidora industrial tem suas cargas em baixa tensão atendidas por um
transformador próprio, conectado à rede da empresa distribuidora de energia elétrica, cujas tensões
nominais são 11,4 kV/220 V. Considerando tais informações e as normas vigentes, e sabendo-se que o
alimentador principal das referidas cargas tem 100 m de comprimento, a tensão (de linha) mínima
admissível em qualquer ponto da instalação, operando em regime permanente, é
Provas
Questão presente nas seguintes provas
Em uma instalação comercial, uma carga indutiva, atendida em 380 V e por onde circula
uma corrente elétrica de 40 A, apresenta um baixo fator de potência, igual a 0,80. Sabe-se que, para corrigir
tal fator de potência, torna-se necessária a conexão de um banco de capacitores em paralelo com a referida
carga. Para que o fator de potência seja unitário, o valor da potência reativa do banco de capacitores deve
ser, aproximadamente,
Provas
Questão presente nas seguintes provas
A partida de motores trifásicos de potência elevada pode ser facilitada por dispositivos
denominados chaves compensadoras e chaves estáticas (softstarters). Assim, pode-se afirmar que, na
chave
Provas
Questão presente nas seguintes provas
Um transformador monofásico de 110 kVA e 1.100/220 V atende a uma carga nas
condições nominais com fator de potência unitário. As reatâncias de dispersão dos lados de alta e baixa
tensão valem, respectivamente, 0,50 Ω e 0,02 Ω. Se a tensão na carga é nominal, a tensão nos terminais do
primário do transformador é
Provas
Questão presente nas seguintes provas
Em uma determinada unidade consumidora, operando ininterruptamente durante 20 dias,
em média, por mês, registraram-se uma potência e um fator de potência constantes de 100 kVA e 0,92
(ind.), respectivamente. Assim, considerando-se que a tarifa de energia elétrica em vigor seja de R$
200,00/MWh, pode-se afirmar que o valor cobrado pelo consumo mensal desse consumidor será
Provas
Questão presente nas seguintes provas
Cadernos
Caderno Container