Foram encontradas 60 questões.
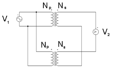
Observe o circuito ilustrado a seguir.

No circuito ilustrado acima, considerando a ligação entre os transformadores monofásicos, o valor da tensão medida V2 é
Provas
Provas
- EletrotécnicaCircuitos Elétricos em Eletricidade
- EletrotécnicaCircuitos de Corrente Contínua e de Corrente Alternada
Observe o circuito ilustrado a seguir.

No circuito ilustrado acima, o valor da tensão Vo é
Provas
Provas
Provas
Provas
- EletrotécnicaCircuitos Elétricos em Eletricidade
- EletrotécnicaCircuitos de Corrente Contínua e de Corrente Alternada
Observe o circuito ilustrado a seguir.

No circuito ilustrado acima, considerando R=10 Ω , o valor da corrente medida pelo amperímetro A é
Provas
Seja um transformador monofásico onde !$ V_p !$ é o valor eficaz da tensão no enrolamento primário, !$ N_p !$ é o número de espiras do enrolamento primário, !$ I_p !$ é o valor eficaz da corrente no enrolamento primário, !$ V_s !$ é o valor eficaz da tensão no enrolamento secundário, !$ N_s !$ é o número de espiras do enrolamento secundário e !$ I_s !$ é o valor eficaz da corrente no enrolamento secundário. Se um capacitor C é conectado em paralelo aos terminais do enrolamento secundário, o valor de capacitância refletido para o enrolamento primário é
Provas
- EletrotécnicaCircuitos Elétricos em Eletricidade
- EletrotécnicaCircuitos de Corrente Contínua e de Corrente Alternada
Provas
Provas
Caderno Container