Magna Concursos

Foram encontradas 65 questões.

399501 Ano: 2017
Disciplina: Eletroeletrônica
Banca: UFF
Orgão: UFF
Provas:

Considere um transformador abaixador de 112,5 kVA, 60 Hz, 2200/220 V com os seguintes parâmetros:

Enunciado 399501-1

A impedância interna equivalente referida ao primário é:

 

Provas

Questão presente nas seguintes provas
399500 Ano: 2017
Disciplina: Eletroeletrônica
Banca: UFF
Orgão: UFF
Provas:
A manutenção que permite garantir uma qualidade de serviço desejada, com base na aplicação sistemática de técnicas de análise, utilizando-se de meios de supervisão centralizados ou de amostragem, para reduzir ao mínimo a manutenção preventiva e diminuir a manutenção corretiva é a:
 

Provas

Questão presente nas seguintes provas
399499 Ano: 2017
Disciplina: Eletroeletrônica
Banca: UFF
Orgão: UFF
Provas:
Um circuito em série de corrente contínua é constituído de uma associação de 12 pilhas em série de 1,5 V cada (resistência interna de 0,5 Ω) e um elemento resistivo externo cuja resistência é de 18 Ω. Nessas condições, o valor da corrente elétrica que passa pelo resistor externo deverá ser, em A, de:
 

Provas

Questão presente nas seguintes provas
399498 Ano: 2017
Disciplina: Eletroeletrônica
Banca: UFF
Orgão: UFF
Provas:
Para um funcionamento suave, baixo nível de ruídos, sem transmissão de choques e sobrecargas, com baixo custo e também facilidade de manutenção, o sistema preferencialmente a ser adotado deve ser transmissão por:
 

Provas

Questão presente nas seguintes provas
399497 Ano: 2017
Disciplina: Eletroeletrônica
Banca: UFF
Orgão: UFF
Provas:

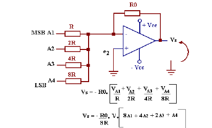
Dado o amplificador somador abaixo,

Enunciado 399497-1

O amplificador pode ser utilizado em conversores:

 

Provas

Questão presente nas seguintes provas
399496 Ano: 2017
Disciplina: Eletroeletrônica
Banca: UFF
Orgão: UFF
Provas:

Dado o circuito elétrico abaixo,

Enunciado 399496-1

A tensão elétrica entre os pontos A e A', em V, vale:

 

Provas

Questão presente nas seguintes provas
399495 Ano: 2017
Disciplina: Eletroeletrônica
Banca: UFF
Orgão: UFF
Provas:
Dois condutores elétricos paralelos conduzem correntes de 2 A em um sentido e 10 A no outro. Os condutores estão distanciados de 10 cm. Nessas condições, o módulo da força de repulsão por unidade de comprimento, em N/m, será de:
 

Provas

Questão presente nas seguintes provas
399494 Ano: 2017
Disciplina: Eletroeletrônica
Banca: UFF
Orgão: UFF
Provas:

Observe a figura:

Enunciado 399494-1

O valor do momento fletor no ponto 2, em toneladas x metro, vale:

 

Provas

Questão presente nas seguintes provas
399493 Ano: 2017
Disciplina: Eletroeletrônica
Banca: UFF
Orgão: UFF
Provas:

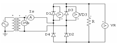
O circuito retificador abaixo se refere às questões de números 47 e 48.


Enunciado 1846871-1


Dados: R = 15 ohms e VS = 300 sen 377 t . V

A eficiência do retificador, em %, é:

 

Provas

Questão presente nas seguintes provas
399492 Ano: 2017
Disciplina: Eletroeletrônica
Banca: UFF
Orgão: UFF
Provas:

O circuito retificador abaixo se refere às questões de números 47 e 48.


Enunciado 1846870-1


Dados: R = 15 ohms e VS = 300 sen 377 t . V

A corrente na carga R, em A, é:

 

Provas

Questão presente nas seguintes provas