Foram encontradas 50 questões.
A manutenção é uma situação que ocorre em diferentes ocasiões/situações para ajudar a prevenir acidentes. Considerando os diferentes tipos de manutenção, é correto afirmar que
Provas
Em um sistema com bomba, diversos elementos elétricos e eletrônicos são utilizados para desempenhar funções, como variação de velocidade, proteção elétrica e proteção térmica. Considerando a função de variação de velocidade, qual equipamento/componente deve ser utilizado para o controle da ação mencionada?
Provas
Os motores que funcionam por indução e CA podem ser categorizados como motores assíncronos e motores síncronos. A respeito dos motores assíncronos, é correto afirmar que
Provas
A respeito dos tipos de manutenção existentes, considere o seguinte cenário: um equipamento pneumático parou repentinamente de funcionar. Análises realizadas levaram a concluir que houve falta de ar na linha de pressurização, provocando a perda de carga e, consequentemente, a parada do sistema. Para ajustar a linha, foi necessário realizar a parada da produção para a manutenção requerida. Considerando as informações apresentadas, qual é o nome da manutenção executada?
Provas
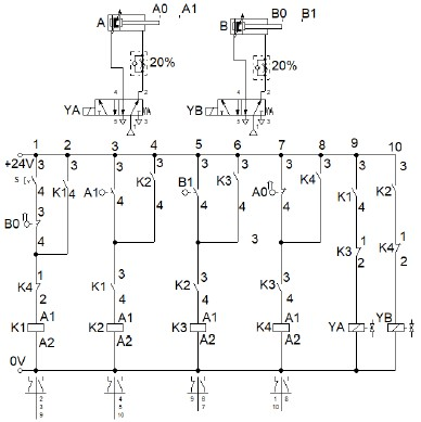
A seguinte imagem apresenta um circuito eletropneumático. Faça a interpretação do funcionamento do diagrama apresentado e assinale a alternativa correta.

Provas
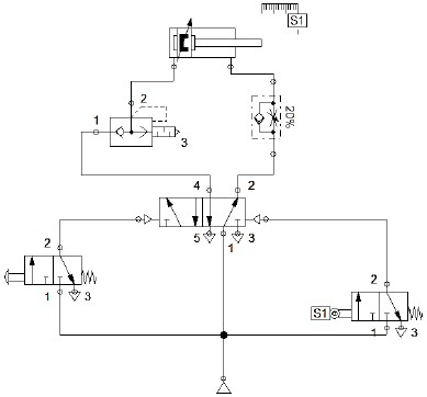
Analise o diagrama pneumático a seguir e assinale a alternativa correta.

Provas
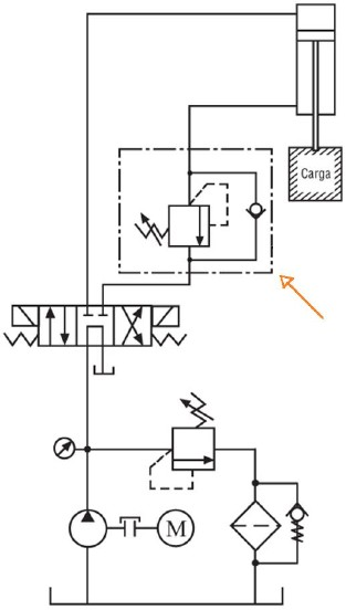
Faça a leitura do seguinte circuito hidráulico e assinale a alternativa que apresenta o nome correto do elemento indicado pela seta.

Provas
Imagine que você necessita mapear os riscos presentes em um ambiente de soldagem em determinada empresa. A respeito do cenário apresentado, assinale a alternativa INCORRETA.
Provas
Considerando os conceitos ligados à metalurgia da soldagem, analise as assertivas e assinale a alternativa que aponta as corretas.
I. É necessário um tratamento térmico de pós-aquecimento para materiais metálicos com alta porcentagem de carbono em sua composição.
II. Ao realizar a soldagem em materiais com baixa condutividade térmica, haverá maior concentração de calor e, por consequência, maior deformação na região da solda.
III. Todos os processos de soldagem resultam em boa qualidade na soldagem de chapas finas.
IV. O Processo TIG é um processo que utiliza gás inerte como elemento fundamental do processo.
Provas
As normas técnicas estabelecem diversas simbologias para facilitar a leitura de desenhos que envolvem o processo de soldagem.

Considerando a simbologia do desenho apresentado, assinale a alternativa correta.
Provas
Caderno Container