Foram encontradas 50 questões.
No acionamento de motores de indução assíncronos trifásicos, é muito comum o uso de inversores
de frequência, dada à sua capacidade de controlar o acionamento do motor e a velocidade de seu eixo,
além de contribuir para a eficiência energética. Sobre métodos de partida e controle de velocidade de
motores de indução assíncronos, assinale a alternativa correta.
Provas
Questão presente nas seguintes provas
Sobre máquinas de polos lisos e de polos salientes, assinale a alternativa correta.
Provas
Questão presente nas seguintes provas
Sobre projeto de especificação de transformadores monofásicos, assinale a alternativa correta.
Provas
Questão presente nas seguintes provas
De acordo com as características das máquinas síncronas, assinale a alternativa correta.
Provas
Questão presente nas seguintes provas
De acordo com os conceitos de Luminotécnica, assinale a alternativa correta.
Provas
Questão presente nas seguintes provas
A figura a seguir apresenta três formas de onda típicas do acionamento de um motor de passo de três
fases de relutância variável. De acordo com essa figura, assinale a alternativa correta.


Provas
Questão presente nas seguintes provas
De acordo com o gráfico dado na figura a seguir, assinale a alternativa correta.


Provas
Questão presente nas seguintes provas
A figura a seguir mostra um circuito elétrico equivalente. Considerando esse circuito, assinale a
alternativa correta.


Provas
Questão presente nas seguintes provas
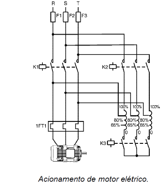
A figura a seguir mostra o diagrama de acionamento de um motor elétrico. Considerando o exposto,
é correto afirmar que essa figura apresenta


Provas
Questão presente nas seguintes provas
Dado o circuito da figura a seguir, assinale a alternativa correta.

Provas
Questão presente nas seguintes provas
Cadernos
Caderno Container