Foram encontradas 50 questões.
Em um circuito, é comum os resistores estarem ligados em
configurações estrela ou triângulo. Observe a figura abaixo,
utilizada para realizar as conversões estrela-triângulo e triânguloestrela.

Nessas configurações, para determinar os valores das resistências R12 e R3, devem ser utilizadas, respectivamente, as seguintes fórmulas:

Nessas configurações, para determinar os valores das resistências R12 e R3, devem ser utilizadas, respectivamente, as seguintes fórmulas:
Provas
Questão presente nas seguintes provas
No circuito elétrico da figura (a) mediu-se a tensão em aberto de
um gerador com um voltímetro, obtendo-se 10 V. Com uma carga
de 450 Ω, a tensão de saída caiu para 9V, ilustrado na figura (b).
(a)
(b)
Nessas condições, os valores da corrente na carga e de curtocircuito e o rendimento do gerador são, respectivamente,
(a)
(b)
Nessas condições, os valores da corrente na carga e de curtocircuito e o rendimento do gerador são, respectivamente,
Provas
Questão presente nas seguintes provas
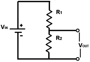
A figura mostra um circuito conhecido por divisor de tensão.

Para R1 = 1 kΩ, R2 = 3 kΩ e uma tensão de entrada de 12 V, o valor da tensão VOUT em R2 e a corrente que flui em R1 e R2 serão iguais, respectivamente, a

Para R1 = 1 kΩ, R2 = 3 kΩ e uma tensão de entrada de 12 V, o valor da tensão VOUT em R2 e a corrente que flui em R1 e R2 serão iguais, respectivamente, a
Provas
Questão presente nas seguintes provas
A figura mostra um circuito conhecido por divisor de corrente.

Os valores de I1 e I2, em mA, são, respectivamente,
Provas
Questão presente nas seguintes provas
Um Engenheiro Eletricista obteve o gráfico abaixo, por meio dos
procedimentos descritos a seguir:
I. Com um voltímetro, mediu a tensão elétrica entre as extremidades de um resistor. II. Com um amperímetro, mediu a intensidade da corrente elétrica que passa pelo mesmo resistor. III. Usando os conceitos da Lei de Ohm, determinou a potência dissipada por esse resistor, quando a corrente medida é de 400 mA.

Nessas condições, ele concluiu que a resistência do resistor e a potência valem, respectivamente,
I. Com um voltímetro, mediu a tensão elétrica entre as extremidades de um resistor. II. Com um amperímetro, mediu a intensidade da corrente elétrica que passa pelo mesmo resistor. III. Usando os conceitos da Lei de Ohm, determinou a potência dissipada por esse resistor, quando a corrente medida é de 400 mA.

Nessas condições, ele concluiu que a resistência do resistor e a potência valem, respectivamente,
Provas
Questão presente nas seguintes provas
O circuito elétrico da figura está relacionado ao conceito da Ponte
de Wheststone.
Na condição de equilíbrio, que ocorre para RD = 18 kΩ, o valor de RX será igual a
Na condição de equilíbrio, que ocorre para RD = 18 kΩ, o valor de RX será igual a
Provas
Questão presente nas seguintes provas
- Gerenciamento, Planejamento e Controle de Obras
- Orçamento no Planejamento e Controle de Obras na Engenharia Civil
Visando a uma padronização nos processos licitatórios, o TCU
estabeleceu critérios a partir de um decreto que define as regras
preestabelecidas, a serem seguidas em um orçamento.
Orçamento é a identificação, descrição, quantificação, análise e
valoração de mão de obra, equipamentos, materiais, custos
financeiros, impostos, riscos e margem de lucro desejada para
adequada previsão do preço final de um empreendimento. É a
previsão de custos, considerada a remuneração do construtor,
para a oferta de um preço. Tendo por foco a metodologia Sinapi,
sua estrutura engloba diversos termos, dos quais dois são
descritos a seguir:
I. É resultado da soma de todos os custos dos serviços necessários para a execução da obra, obtidos pelo produto das quantidades de insumos empregados nos serviços pelos seus respectivos preços de mercado. Nestes custos estão os materiais, mão de obra – acrescida dos Encargos Sociais cabíveis, equipamentos e os Encargos Complementares: EPIs, transporte, alimentação, ferramentas e exames médicos admissionais e demissionais. II. São despesas decorrentes da atividade empresarial que incidem de forma percentual sobre os custos da obra. Tratase de recursos destinados ao pagamento de tributos, ao rateio dos custos da administração central, à remuneração ao construtor pela assunção de riscos do empreendimento e à compensação de despesas financeiras ocasionadas pelo descompasso entre gasto, medição e recebimento.
Os termos descritos em I e II são denominados, respectivamente, como
I. É resultado da soma de todos os custos dos serviços necessários para a execução da obra, obtidos pelo produto das quantidades de insumos empregados nos serviços pelos seus respectivos preços de mercado. Nestes custos estão os materiais, mão de obra – acrescida dos Encargos Sociais cabíveis, equipamentos e os Encargos Complementares: EPIs, transporte, alimentação, ferramentas e exames médicos admissionais e demissionais. II. São despesas decorrentes da atividade empresarial que incidem de forma percentual sobre os custos da obra. Tratase de recursos destinados ao pagamento de tributos, ao rateio dos custos da administração central, à remuneração ao construtor pela assunção de riscos do empreendimento e à compensação de despesas financeiras ocasionadas pelo descompasso entre gasto, medição e recebimento.
Os termos descritos em I e II são denominados, respectivamente, como
Provas
Questão presente nas seguintes provas
No controle da qualidade e no mundo dos negócios, um tipo de
gráfico, exemplificado na figura abaixo, é frequentemente usado
para representar fontes de defeitos, tipos de reclamações de
clientes e problemas semelhantes, utilizado para estabelecer uma
ordenação nas causas de perdas ou defeitos que devem ser
sanados.

Esse gráfico tem por base um princípio também conhecido por regra 80/20, é uma tendência que prevê que 80% dos efeitos surgem a partir de apenas 20% das causas, podendo ser aplicado em várias outras relações de causa e efeito. Esse recurso é denominado diagrama de

Esse gráfico tem por base um princípio também conhecido por regra 80/20, é uma tendência que prevê que 80% dos efeitos surgem a partir de apenas 20% das causas, podendo ser aplicado em várias outras relações de causa e efeito. Esse recurso é denominado diagrama de
Provas
Questão presente nas seguintes provas
2769684
Ano: 2023
Disciplina: Direito Educacional e Tecnológico
Banca: Instituto Access
Orgão: UFFS
Disciplina: Direito Educacional e Tecnológico
Banca: Instituto Access
Orgão: UFFS
Provas:
Com base no Regimento Geral da UFFS, assinale a afirmativa
incorreta.
Provas
Questão presente nas seguintes provas
2769683
Ano: 2023
Disciplina: Direito Educacional e Tecnológico
Banca: Instituto Access
Orgão: UFFS
Disciplina: Direito Educacional e Tecnológico
Banca: Instituto Access
Orgão: UFFS
Provas:
Com base no Estatuto da UFFS, não é uma pró-reitoria
Provas
Questão presente nas seguintes provas
Cadernos
Caderno Container