Foram encontradas 50 questões.
As categorias de atendimento e suas limitações são definidas em função da carga total na unidade consumidora, observados os limites máximos de potências individuais de aparelhos de solda e motores. Para suprimento de energia em tensão secundária e enquadramento do consumidor na categoria T3, a demanda deve ser maior que
Provas
Os ensaios em vazio e com rotor bloqueado são realizados para determinar os parâmetros elétricos do motor elétrico de indução trifásico com rotor em gaiola. Durante o ensaio com rotor bloqueado, o escorregamento do motor é :
Provas
As perdas no núcleo de um transformador podem ser determinadas por
Provas
Os motores de corrente contínua podem ser classificados como motores de corrente contínua com excitação separada, com excitação shunt (paralela), com excitação série e com excitação mista (composta). Considerando os quatro tipos de excitação apresentados, qual destes motores de corrente contínua pode ser ligado em tensão alternada?
Provas
Uma carga elétrica monofásica é ligada aos terminais de uma fonte senoidal que gera uma tensão v (t)=50 cos (377t+30º) V. A corrente absorvida pela carga é i(t)=10 sen(377 t−15º) A. Considerando o sistema em regime permanente, calcule a potência média absorvida pela carga:
Provas
No circuito mostrado a seguir,

determine a tensão V na fonte de corrente e a corrente I no resistor R.
Provas
O gráfico da figura abaixo indica a quantidade de cargas em coulombs, q(t), que atravessou a secção transversal de um condutor elétrico para um dado instante no tempo, t, em segundos.

A partir do gráfico da figura, a corrente no condutor no período de 0 s a 2 s é
Provas
O dispositivo eletrônico de potência denominado chave eletrônica de partida suave ou soft-starter é empregado na partida de motores de indução trifásicos. Na partida com este tipo de chave,
Provas
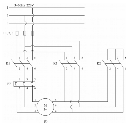
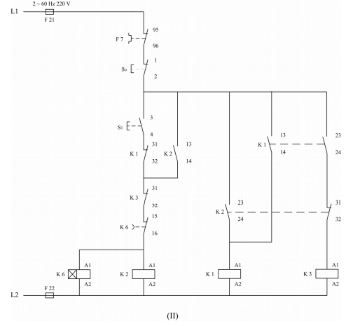
As figuras (I) e (II) representam, respectivamente, os diagramas de potência e de comando de uma chave de partida estrela-triângulo para motor de indução trifásico.


No diagrama de comando da figura (II), a bobina do contator K3 está permanentemente aberta devido a um defeito que interrompe a passagem de corrente. O que ocorrerá durante a partida do motor na presença deste defeito?
Provas
A Norma Regulamentadora NR 10 estabelece os requisitos e as condições mínimas de segurança objetivando a implementação de medidas de controle e sistemas preventivos, de forma a garantir a segurança e a saúde dos trabalhadores que, direta ou indiretamente, interajam em instalações elétricas e serviços com eletricidade. A NR 10 aplica-se às fases de geração, transmissão, distribuição e
Provas
Caderno Container