Foram encontradas 50 questões.
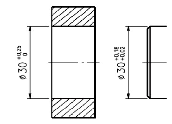
Veja a ilustração que segue.

A figura mostra indicações de cotas de duas peças, uma com um furo e a outra com um eixo. A montagem das peças sugere
Provas
Questão presente nas seguintes provas
Considere a figura a seguir.

A indicação de cota mostrada pela figura indica
Provas
Questão presente nas seguintes provas
Observe a figura a seguir.

O símbolo mostrado na figura é indicativo de acabamento superficial de uma peça que apresenta
Provas
Questão presente nas seguintes provas
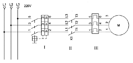
A figura a seguir mostra um esquema de acionamento de um motor elétrico.

Analisando a figura, o que representam os dispositivos I, II e III?
Provas
Questão presente nas seguintes provas
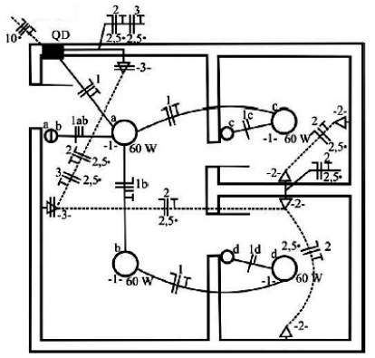
A figura que segue mostra o diagrama unifilar de um
circuito elétrico de uma sala administrativa de um
complexo industrial. 
Analisando a figura, é possível identificar

Analisando a figura, é possível identificar
Provas
Questão presente nas seguintes provas
Na indústria moderna, o software de gestão da manutenção
está interligado com o sistema de gestão de pessoas e de
gestão de estoque. Este fato é importante, pois
Provas
Questão presente nas seguintes provas
A figura que segue mostra uma viga de aço de secção
retangular e constante, engastada em uma parede de concreto
e submetida a um esforço F, na extremidade livre.

Os locais de maior deformação e rotação da seção transversal são, respectivamente:

Os locais de maior deformação e rotação da seção transversal são, respectivamente:
Provas
Questão presente nas seguintes provas
Na figura a seguir existe uma barra engastada numa parede, sob a ação de uma força.

O momento na base do engaste, no ponto O, é:
Provas
Questão presente nas seguintes provas
Visando à segurança dos trabalhadores, o programa de
prevenção de riscos ambientais (PPRA), implantado nas
empresas, deve incluir o uso de equipamento de proteção
individual (EPI), considerando o seguinte aspecto:
Provas
Questão presente nas seguintes provas
A Norma Regulamentadora 17 (NR17) estabelece parâmetros
que permitam boas condições de trabalho de modo a
proporcionar um máximo de conforto, segurança e
desempenho. Esta norma estabelece:
Provas
Questão presente nas seguintes provas
Cadernos
Caderno Container