Magna Concursos

Foram encontradas 45 questões.

150420 Ano: 2018
Disciplina: Eletroeletrônica
Banca: UFMG
Orgão: UFMG
Provas:
A resistência equivalente de um circuito paralelo de 2 resistores, r1=9Ω e r2=3Ω, alimentadas em 127V CA é
 

Provas

Questão presente nas seguintes provas
150419 Ano: 2018
Disciplina: Eletroeletrônica
Banca: UFMG
Orgão: UFMG
Provas:
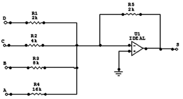
No circuito mostrado abaixo, o amplificador operacional é ideal.
Enunciado 150419-1
Aplicada uma entrada binária DCBA = 1011, em que V(1) = 5V, a tensão na saída S será igual a
 

Provas

Questão presente nas seguintes provas
150418 Ano: 2018
Disciplina: Eletroeletrônica
Banca: UFMG
Orgão: UFMG
Provas:
Considerando-se a potência de um motor elétrico trifásico, alimentado em 220v; 25cv;18,5 kW, com fator de potência de 0,82 e rendimento de 0,86, é CORRETO afirmar que, para essa instalação, as potências aparente e reativa são, respectivamente
 

Provas

Questão presente nas seguintes provas
150417 Ano: 2018
Disciplina: Eletroeletrônica
Banca: UFMG
Orgão: UFMG
Provas:
Assinale a alternativa em que é indicado CORRETAMENTE, o instrumento utilizado para fazer medições de resistência elétrica de isolação em linhas de transporte de energia elétrica, máquinas elétricas e transformadores.
 

Provas

Questão presente nas seguintes provas
150416 Ano: 2018
Disciplina: Eletroeletrônica
Banca: UFMG
Orgão: UFMG
Provas:
Para detecção de posição, nível e presença em sistemas automáticos, são utilizados sensores.
Assinale a alternativa em que é indicado CORRETAMENTE o sensor próprio a ser utilizado para objetos metálicos.
 

Provas

Questão presente nas seguintes provas
150415 Ano: 2018
Disciplina: Eletroeletrônica
Banca: UFMG
Orgão: UFMG
Provas:
Em essência, o objetivo do aterramento é interligar eletricamente objetos condutores ou carregados de forma a ter as menores diferenças de potencial possíveis. Funcionalmente, o aterramento proporciona:
I. Criação de um plano comum de alta impedância relativa entre dispositivos eletrônicos, circuitos e sistemas. II. Percurso preferencial entre o ponto de ocorrência de uma descarga atmosférica em objeto exposto e o solo. III. Percurso para a sangria de descargas eletrostáticas, prevenindo a ocorrência de potenciais perigosos, que possam causar um arco ou centelha.
Dentre as características do aterramento, são CORRETAS as afirmativas:
 

Provas

Questão presente nas seguintes provas
150414 Ano: 2018
Disciplina: Eletroeletrônica
Banca: UFMG
Orgão: UFMG
Provas:
Farad, henry e coloumb são, respectivamente, unidades de medidas referentes às seguintes grandezas:
 

Provas

Questão presente nas seguintes provas
150413 Ano: 2018
Disciplina: Eletroeletrônica
Banca: UFMG
Orgão: UFMG
Provas:
Um CLP possui dois endereços de memória M10 e M20, cujos conteúdos são 7BH e 38H, respectivamente. Executada a operação representada simbolicamente por (M30←M10 OR M20),o conteúdo assumido pelo endereço M30 será igual a
 

Provas

Questão presente nas seguintes provas
150411 Ano: 2018
Disciplina: Eletroeletrônica
Banca: UFMG
Orgão: UFMG
Provas:
Na figura abaixo, os resistores R1,R2 e R3 formam uma rede delta(∆) e os resistores r1,r2 e r3 formam a rede estrela(Y) equivalente.
Enunciado 150411-1
Considerando R1=5Ω,R2=10Ω e R3=15Ω, o valor de r1 será igual a:
 

Provas

Questão presente nas seguintes provas
150408 Ano: 2018
Disciplina: Eletroeletrônica
Banca: UFMG
Orgão: UFMG
Provas:
Somente serão consideradas desenergizadas as instalações elétricas liberadas para trabalho, mediante os procedimentos apropriados. Marque a alternativa em que se indica, CORRETAMENTE e na ordem, a sequência correta dos procedimentos a serem adotados.
 

Provas

Questão presente nas seguintes provas