Foram encontradas 50 questões.
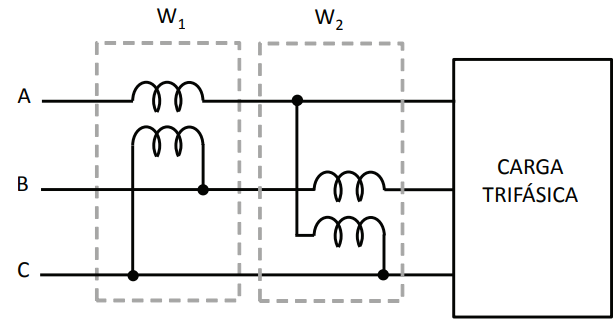
Uma carga trifásica equilibrada, ligada em DELTA, é alimentada por um sistema trifásico, simétrico, com sequência de fases ABC. Dois wattímetros foram conectados ao circuito, conforme mostrado na figura a seguir.

Analisando o esquema, pode-se afirmar que:
Provas
Os instrumentos de medidas para correntes e tensões diferem quanto aos mecanismos de operação e aplicações. Os equipamentos do tipo bobina móvel são indicados para medir grandezas em circuitos:
Provas
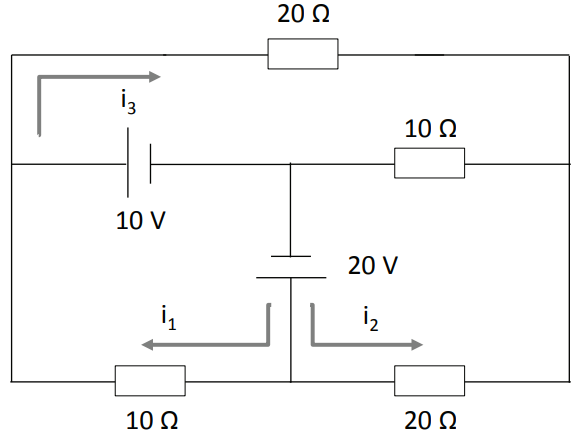
Considere o circuito elétrico mostrado na figura a seguir.

Assinale a alternativa que apresenta os valores das correntes i1, i2 e i3, respectivamente.
Provas
Para a determinação do nível adequado de luminosidade de uma sala, deve-se levantar algumas informações básicas que nortearão o projeto a ser desenvolvido. Dentre as alternativas apresentadas, assinale aquela que NÃO tem relevância quanto a esse assunto.
Provas
Um determinado circuito é formado por dois resistores (R1 e R2) em paralelo. Sabe-se que ambos os resistores foram confeccionados a partir de um mesmo material e que R1 tem comprimento L e seção transversal S, enquanto R2 possui comprimento L/2 e seção transversal 2S. Nessas condições, pode-se afirmar que a resistência equivalente (Req) vale:
Provas
Uma carga trifásica equilibrada, conectada em estrela, é alimentada por um sistema trifásico, simétrico, com sequência de fases ACB, e tensão de linha igual a 220 V. Sabe-se que a corrente na fase B vale !$ I_B = 10∠ 150º !$ A. Podemos afirmar que: ∠
Provas
Os esquemas unifilares, também chamados de diagramas unifilares, são desenhos técnicos que representam, de forma simplificada, o sistema elétrico de uma determinada instalação, desde a origem até os quadros de distribuição de circuitos. Considere o diagrama apresentado na figura a seguir.

Podemos afirmar que se trata de um acionamento de uma lâmpada por meio de:
Provas
Considere o circuito mostrado na figura a seguir.

Após estabelecido o regime permanente (estacionário), pode-se afirmar que:
Provas
Ao comprar um aquecedor elétrico, você verificou que o mesmo é destinado a uma tensão de 110 V. Visando manter a mesma potência do seu aquecedor e supondo que a tensão de alimentação da sua casa seja de 220 V, você deverá substituir a resistência do equipamento por outra:
Provas
Segundo as normativas técnicas, há 06 (seis) critérios para o correto dimensionamento de condutores elétricos. Dentre as alternativas apresentadas, assinale aquela que apresenta ao menos 02 (dois) desses critérios.
Provas
Caderno Container