Foram encontradas 50 questões.
Uma imagem digital é representada por meio das intensidades dos pixels nas posições x e y pela função P(x,y). A equação a seguir apresenta uma operação que transforma a imagem original para as coordenadas x´ e y´.

Essa transformação se refere
Provas
Em um conjunto de experimentos envolvendo animais, a distância percorrida por cada animal em um grupo pode ser descrita pela variável aleatória x, com densidade de probabilidade normal dada por:

Dados: µ=24m; σ 2 =9m2 .
Considerando que o tempo médio de cada experimento é de 10min, analise as afirmações a seguir:
I A velocidade média de cada experimento é de 4cm/s.
II A área média percorrida em cada experimento é de 9m2 .
III A distância percorrida em cada experimento é melhor representada por 24m±3m.
Das afirmações,
Provas
- EletromagnetismoElétricaAssociação de Resistores
- EletromagnetismoElétricaCircuitos Elétricos Especiais: Leis de Kirchhoff e Ponte de Wheatstone
- EletromagnetismoElétricaEletricidade
- EletromagnetismoElétricaEletrodinâmica
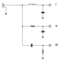
Em um sistema de vídeo remoto, tal como em alguns endoscópios, os sinais de vídeo e de alimentação do circuito da câmera trafegam em um único cabo coaxial. Nesse contexto, analise o diagrama a seguir

Em relação a esse diagrama, a opção que indica a separação dos sinais de vídeo e de alimentação do sinal composto, que trafegam no cabo coaxial, é:
Provas
Na conversão desse sinal para digital, a taxa de amostragem mínima para que a sua
informação seja mantida é de Provas
- EletromagnetismoElétricaEletricidade
- EletromagnetismoElétricaEletrodinâmica
- OndulatóriaOndas e Propriedades Ondulatórias
O gráfico a seguir representa as características de dois amplificadores distintos A e B.

O amplificador que apresenta maior banda de frequência possui fator de amplificação máximo de voltagem (ou ganho) de
Provas
- EletromagnetismoElétricaCircuitos Elétricos Especiais: Leis de Kirchhoff e Ponte de Wheatstone
- EletromagnetismoElétricaEletricidade
Esse circuito funciona como um
Provas
- FundamentosGrandezas e Unidades
- EletromagnetismoElétricaEletricidade
- EletromagnetismoElétricaEletrodinâmica
Certo dispositivo tem a sua energia dissipada pelas características de tensão e corrente elétrica representadas no gráfico a seguir.

De acordo com esse gráfico, em um período de funcionamento de 30 minutos, a energia disipada é de
Provas
Provas
- EletromagnetismoElétricaEletricidade
- EletromagnetismoElétricaEletrostática
- EletromagnetismoElétricaForça Elétrica, Campo Elétrico e Eletrização
Provas
Observe o seguinte código em Python:

Considerando que a complexidade de tempo média da função sorted é o (nlogn), em que n é o tamanho do vetor de entrada, a ordem de chamadas das funções func1, func2 e func3, da mais rápida para a mais lenta, é:
Provas
Caderno Container