Foram encontradas 70 questões.
Um Técnico está atribuindo potência aos pontos de tomadas da sala de equipamentos da subestação abrigada da UFRR em baixa tensão. Sabendo tratar-se de um ponto de tomada de uso geral, deve ser atribuída uma potência de, no mínimo:
Provas
Você precisa instalar um transformador de 112,5kVA de impedância Z = 5% em uma subestação aérea da UFRR. Sabendo que as tensões de linha do primário e do secundário do transformador são respectivamente 13,8kV e 220 V, dimensione o disjuntor comercial para o secundário assim como o elo fusível comercial para proteção do primário.
Provas

O esquema elétrico acima apresenta uma chave de transferência com entradas na parte superior e saídas na parte inferior do retângulo. Marque a alternativa INCORRETA:
Provas

Considerando a figura acima, marque a alternativa ERRADA em relação ao motor elétrico apresentado:
Provas

Com base na tela apresentada pelo osciloscópio, determine o item correto aproximado, sabendo que \( \pi = 3,14 \).
Provas
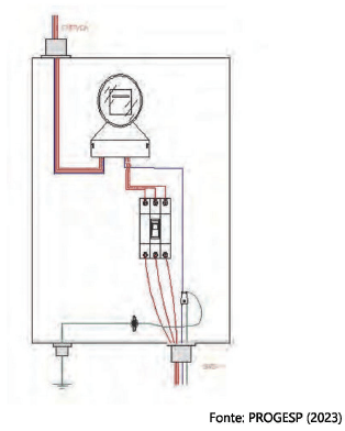
Analise o desenho abaixo:

I. Tecnicamente, o neutro pode ser aterrado tanto na entrada quanto na saída do medidor;
II. Em caso de carga balanceada, a corrente que circula pelo neutro da instalação é igual a zero;
III. O tipo de leitura em questão é conhecido como medição indireta, já que é utilizado um medidor de energia elétrica para fazer a leitura do consumo
IV. A tensão medida entre as fases do disjuntor é conhecida como tensão de fase.
São verdadeiras as afirmações:
Provas
Um Técnico que trabalha na UFRR decide criar sub-redes e, para isso, faz uso da máscara de rede 255.255.255.224, Sabendo tratar-se de IPV4 e classe C, determine a quantidade máxima de sub-redes disponíveis para essa configuração.
Provas

Analisando o circuito do sistema de alarme proposto acima, assinale o item ERRADO em relação ao funcionamento do circuito.
Provas

Na figura acima, há um transformador ideal com tensão primária de 127 Vrms. O seu secundário está ligado ao retificador de onda completa em ponte. Determinar. a corrente média aproximada na carga, adotando o modelo de diodo ideal. Considere como carga o resistor de \( 100 \Omega \) e N2 o enrolamento total do secundário.
Provas
Um gerador de tensão alternada, quando alimenta uma impedância de ângulo \( \phi \), faz surgir uma corrente i(t) que pode sofrer atraso, adiantamento ou mesmo estar em fase com a tensão v(t) aplicada. Considerando \( Vp.cos(\omega t+ \phi) \) e \( i(t) = Ip.cos(\omega t) \), determine a potência instantânea P(t) resultado da operação v(t) . i(t). Sabendo que \( Vp = \surd 2. V \) e \( Ip = \surd 2. I \).
Provas
Caderno Container