Foram encontradas 40 questões.
Em relação à Norma Regulamentadora nº 10 (Segurança em instalações e serviços em eletricidade), instituída pelo Ministério do Trabalho por meio da Portaria nº 3.214/1978 e de suas atualizações, analise as afirmativas abaixo.
I. Estabelece os requisitos e as condições mínimas para a implementação de medidas de controle e sistemas preventivos, de forma a garantir a segurança e a saúde dos trabalhadores que, direta ou indiretamente, interajam em instalações elétricas e em serviços com eletricidade.
II. As responsabilidades quanto a seu cumprimento são solidárias aos contratantes e contratados envolvidos, e é de responsabilidade dos contratantes manterem os trabalhadores informados sobre os riscos a que estão expostos e sobre os procedimentos e medidas de controle a serem adotados.
III. Exige a instalação de dispositivos de proteção a corrente diferencial-residual (dispositivos DR) em áreas molhadas da instalação.
IV. Essa regulamentação é responsabilidade do INMETRO.
V. Estabelece diretrizes de ordem administrativa, de planejamento e de organização para a implementação de medidas de controle e sistemas preventivos de segurança nos processos, nas condições e no meio ambiente de trabalho na indústria da construção.
Assinale a alternativa CORRETA.
Provas
Questão presente nas seguintes provas
Ler ficção nos torna mais empáticos
Estudo afirma que se pode aprender sobre as emoções ao explorar a vida interior de personagens fictícios
Marya González Nieto
Ler ficção fomenta a empatia. Os leitores podem formar ideias sobre as emoções, as motivações e os pensamentos dos outros e transferir essas experiências para a vida real. É o que afirma Keith Oatley, psicólogo e romancista, em uma revisão de um estudo sobre os benefícios da leitura para a imaginação, publicado nesta terça-feira na Trends in Cognitive Sciences.
Nessa nova pesquisa são apresentados fundamentalmente dois estudos que embasam a tese de Oatley. No primeiro deles se pedia a vários participantes que imaginassem uma cena a partir de frases sucintas, tais como “um tapete azul escuro” ou “um lápis de listras laranjas”, enquanto permaneciam conectados a um aparelho de ressonância magnética. A cena que deveriam imaginar, com base nas pistas que lhes iam sendo dadas, era a de uma pessoa que ajudava uma outra cujo lápis havia caído no chão. Oatley explica que depois de os participantes escutarem apenas três frases tiveram uma maior ativação do hipocampo, uma região do cérebro associada com a aprendizagem e a memória(I). “Os escritores não precisam descrever cenários de modo exaustivo, só têm de sugerir uma cena e a imaginação do leitor fará o resto”, acrescenta.
A teoria de Oatley, professor emérito de psicologia aplicada e desenvolvimento humano na Universidade de Toronto, se baseia em que a ficção simula uma espécie de mundo social que provoca compreensão e empatia no leitor(II). “Quando lemos ficção nos tornamos mais aptos a compreender as pessoas e suas intenções”, explica o pesquisador. Essa resposta também é encontrada nas pessoas que veem histórias de ficção na televisão ou jogam videogames com uma narrativa em primeira pessoa. O que é comum a todas as modalidades de ficção é a compreensão das características que atribuímos aos personagens, segundo Oatley(IV).
O outro experimento incluído na revisão do estudo consistia em que os participantes adivinhassem o que outras pessoas estavam pensando ou sentindo, a partir de fotografias dos olhos delas(V). Para isso podiam escolher entre quatro termos que descreviam estados de ânimo – por exemplo, “reflexivo” ou “impaciente”. A conclusão foi que as respostas dos leitores de ficção deram lugar a termos mais aproximados que as dos leitores de ensaios e livros de não ficção. Além desses estudos realizados por Oatley, o psicólogo também apresenta outras pesquisas que endossam suas conclusões, como uma realizada por Frank Hakemulder, pesquisador de língua e literatura no Institute for Cultural Inquiry (ICON) da Universidade Utrecht. Hakemulder afirma que a complexidade dos personagens literários ajuda os leitores a terem ideias mais sofisticadas acerca das emoções dos outros.
Todos esses experimentos se inserem em um momento de crescente interesse pelos estudos sobre as imagens do cérebro. Há alguns anos, em 2009, quando o mesmo autor publicou o primeiro estudo sobre a questão, não havia tanta disposição e expectativa em relação a esses temas. A guinada da comunidade científica na direção desse tipo de pesquisa é algo que se produziu nos últimos anos. “Os pesquisadores estão reconhecendo agora que na imaginação há algo importante a estudar”, diz Oatley.
A característica mais importante do ser humano é a sociabilidade, afirma Oatley(III). “O que nos diferencia é que nós, humanos, nos socializamos com outras pessoas de uma forma que não está programada pelo instinto, como é o caso dos animais”, explica o psicólogo, para quem a ficção pode ampliar a experiência social e ajudar a entendê-la.
Um dos empregos da vírgula previstos na norma padrão é delimitar apostos. Analise as frases abaixo e identifique em quais delas a vírgula está desempenhando essa função.
I. " Oatley explica que depois de os participantes escutarem apenas três frases tiveram uma maior ativação do hipocampo, uma região do cérebro associada com a aprendizagem e a memória."
II. "A teoria de Oatley, professor emérito de psicologia aplicada e desenvolvimento humano na Universidade de Toronto, se baseia em que a ficção simula uma espécie de mundo social que provoca compreensão e empatia no leitor."
III. "A característica mais importante do ser humano é a sociabilidade, afirma Oatley."
IV. "O que é comum a todas as modalidades de ficção é a compreensão das características que atribuímos aos personagens, segundo Oatley."
V. "O outro experimento incluído na revisão do estudo consistia em que os participantes adivinhassem o que outras pessoas estavam pensando ou sentindo, a partir de fotografias dos olhos delas."
Assinale a alternativa CORRETA.
Provas
Questão presente nas seguintes provas
Com base nas recomendações da norma ABNT NBR 5410, que trata de instalações elétricas de baixa tensão, em relação à instalação dos dispositivos de proteção a corrente diferencial-residual (dispositivos DR), assinale a alternativa CORRETA.
Provas
Questão presente nas seguintes provas
Assinale a alternativa que, de acordo com a ANEEL (Agência Nacional de Energia Elétrica), apresenta CORRETAMENTE apenas modalidades tarifárias para consumidores em alta tensão (comercial e industrial) aplicáveis às componentes de consumo de energia elétrica e demanda.
Provas
Questão presente nas seguintes provas
Assinale a alternativa que descreve CORRETAMENTE as prerrogativas da Lei nº 8.666, de 21 de junho de 1993.
Provas
Questão presente nas seguintes provas
Assinale a alternativa CORRETA, considerando a norma ABNT NBR 5410, que trata de instalações elétricas de baixa tensão, e o esquema de aterramento TN-S representado abaixo.

Provas
Questão presente nas seguintes provas
Assinale a alternativa que completa CORRETAMENTE a frase.
Um invólucro classificado com grau de proteção IP 54, conforme a norma ABNT NBR IEC 60529, fornece ao equipamento em seu interior:
Provas
Questão presente nas seguintes provas
A figura mostra um comando de iluminação e uma tomada numa residência. A esse respeito, analise as afirmativas abaixo.

I. Trata-se de um comando com interruptor intermediário.
II. O circuito não irá funcionar se for implementado como indicado.
III. A tomada está localizada a 1,30 m do piso acabado.
IV. Trata-se de uma instalação com comando de iluminação paralelo e uma tomada de uso geral.
V. É utilizado um único circuito para a alimentação da tomada e da iluminação.
Assinale a alternativa CORRETA.
Provas
Questão presente nas seguintes provas
Considerando as orientações da seção “Condutores” da norma ABNT NBR 5410, analise as afirmativas abaixo.
I. Numa instalação elétrica, o condutor de fase deve ser sempre da cor preta ou vermelha.
II. As cores verde-amarela ou verde são exclusivas da função de proteção.
III. O condutor de fase pode ser de qualquer cor, exceto as cores padrões definidas para o condutor neutro e para o condutor de proteção.
IV. Não existem normas de padrões de cores para os condutores; o instalador é responsável pela escolha da pigmentação de sua preferência, desde que mantenha a organização do circuito.
Assinale a alternativa CORRETA.
Provas
Questão presente nas seguintes provas
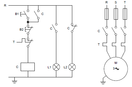
A figura abaixo representa um comando de um motor trifásico. Em relação ao circuito, analise as afirmativas a seguir.

I. Os contatos auxiliares do contator C são utilizados apenas para sinalização.
II. A botoeira B1 liga o motor e a B2 o desliga.
III. O esquema prevê a proteção térmica do motor.
IV. O esquema temporiza o desligamento do motor.
V. A sinalização L1 acesa indica que o motor está desligado.
Assinale a alternativa CORRETA.
Provas
Questão presente nas seguintes provas
Cadernos
Caderno Container