Foram encontradas 40 questões.
Sobre máquinas elétricas, seus dispositivos e circuitos de acionamento, assinale a alternativa CORRETA.
Provas
Questão presente nas seguintes provas
Ler ficção nos torna mais empáticos
Estudo afirma que se pode aprender sobre as emoções ao explorar a vida interior de personagens fictícios
Marya González Nieto
Ler ficção fomenta a empatia. Os leitores podem formar ideias sobre as emoções, as motivações e os pensamentos dos outros e transferir essas experiências para a vida real. É o que afirma Keith Oatley, psicólogo e romancista, em uma revisão de um estudo sobre os benefícios da leitura para a imaginação, publicado nesta terça-feira na Trends in Cognitive Sciences.
Nessa nova pesquisa são apresentados fundamentalmente dois estudos que embasam a tese de Oatley. No primeiro deles se pedia a vários participantes que imaginassem uma cena a partir de frases sucintas, tais como “um tapete azul escuro” ou “um lápis de listras laranjas”, enquanto permaneciam conectados a um aparelho de ressonância magnética. A cena que deveriam imaginar, com base nas pistas que lhes iam sendo dadas, era a de uma pessoa que ajudava uma outra cujo lápis havia caído no chão. Oatley explica que depois de os participantes escutarem apenas três frases tiveram uma maior ativação do hipocampo, uma região do cérebro associada com a aprendizagem e a memória(I). “Os escritores não precisam descrever cenários de modo exaustivo, só têm de sugerir uma cena e a imaginação do leitor fará o resto”, acrescenta.
A teoria de Oatley, professor emérito de psicologia aplicada e desenvolvimento humano na Universidade de Toronto, se baseia em que a ficção simula uma espécie de mundo social que provoca compreensão e empatia no leitor(II). “Quando lemos ficção nos tornamos mais aptos a compreender as pessoas e suas intenções”, explica o pesquisador. Essa resposta também é encontrada nas pessoas que veem histórias de ficção na televisão ou jogam videogames com uma narrativa em primeira pessoa. O que é comum a todas as modalidades de ficção é a compreensão das características que atribuímos aos personagens, segundo Oatley(IV).
O outro experimento incluído na revisão do estudo consistia em que os participantes adivinhassem o que outras pessoas estavam pensando ou sentindo, a partir de fotografias dos olhos delas(V). Para isso podiam escolher entre quatro termos que descreviam estados de ânimo – por exemplo, “reflexivo” ou “impaciente”. A conclusão foi que as respostas dos leitores de ficção deram lugar a termos mais aproximados que as dos leitores de ensaios e livros de não ficção. Além desses estudos realizados por Oatley, o psicólogo também apresenta outras pesquisas que endossam suas conclusões, como uma realizada por Frank Hakemulder, pesquisador de língua e literatura no Institute for Cultural Inquiry (ICON) da Universidade Utrecht. Hakemulder afirma que a complexidade dos personagens literários ajuda os leitores a terem ideias mais sofisticadas acerca das emoções dos outros.
Todos esses experimentos se inserem em um momento de crescente interesse pelos estudos sobre as imagens do cérebro. Há alguns anos, em 2009, quando o mesmo autor publicou o primeiro estudo sobre a questão, não havia tanta disposição e expectativa em relação a esses temas. A guinada da comunidade científica na direção desse tipo de pesquisa é algo que se produziu nos últimos anos. “Os pesquisadores estão reconhecendo agora que na imaginação há algo importante a estudar”, diz Oatley.
A característica mais importante do ser humano é a sociabilidade, afirma Oatley(III). “O que nos diferencia é que nós, humanos, nos socializamos com outras pessoas de uma forma que não está programada pelo instinto, como é o caso dos animais”, explica o psicólogo, para quem a ficção pode ampliar a experiência social e ajudar a entendê-la.
Um dos empregos da vírgula previstos na norma padrão é delimitar apostos. Analise as frases abaixo e identifique em quais delas a vírgula está desempenhando essa função.
I. " Oatley explica que depois de os participantes escutarem apenas três frases tiveram uma maior ativação do hipocampo, uma região do cérebro associada com a aprendizagem e a memória."
II. "A teoria de Oatley, professor emérito de psicologia aplicada e desenvolvimento humano na Universidade de Toronto, se baseia em que a ficção simula uma espécie de mundo social que provoca compreensão e empatia no leitor."
III. "A característica mais importante do ser humano é a sociabilidade, afirma Oatley."
IV. "O que é comum a todas as modalidades de ficção é a compreensão das características que atribuímos aos personagens, segundo Oatley."
V. "O outro experimento incluído na revisão do estudo consistia em que os participantes adivinhassem o que outras pessoas estavam pensando ou sentindo, a partir de fotografias dos olhos delas."
Assinale a alternativa CORRETA.
Provas
Questão presente nas seguintes provas
Assinale a alternativa que completa CORRETAMENTE a frase.

De acordo com a norma ABNT NBR 5410 (Instalações elétricas de baixa tensão), o esquema de aterramento representado abaixo pode ser classificado como:
Provas
Questão presente nas seguintes provas
Assinale a alternativa que completa CORRETAMENTE a frase.
A resistência de um alimentador composto por dois condutores de cobre em paralelo, ambos com seção de 10 mm² e com comprimento de 4 m, considerando a resistividade do cobre como 1,7∙10-8 Ω.m, é dada por:
Provas
Questão presente nas seguintes provas
Sobre componentes elétricos passivos, assinale a alternativa CORRETA.
Provas
Questão presente nas seguintes provas
Considerando a capacidade de condução de corrente dos condutores e dos cabos isolados, analise as afirmativas abaixo.
I. A capacidade de condução aumenta se a temperatura do solo ou do ambiente aumenta.
II. A temperatura máxima para serviço contínuo de condutores com isolamento de policloreto de vinila (PVC) é superior à de condutores com isolamento de borracha etileno-propileno (EPR).
III. A temperatura máxima para serviço contínuo de condutores com isolamento de polietileno reticulado (XLPE) é superior à de condutores com isolamento de policloreto de vinila (PVC).
IV. Condutores isolados ou cabos unipolares em eletroduto de seção circular embutido em parede termicamente isolante têm capacidade de condução de corrente inferior à dos condutores isolados ou cabos unipolares em eletroduto de seção circular embutido em alvenaria.
Assinale a alternativa CORRETA.
Provas
Questão presente nas seguintes provas
Assinale a alternativa que completa CORRETAMENTE a frase.
A leitura de corrente em um amperímetro de corrente alternada fornece o valor:
Provas
Questão presente nas seguintes provas
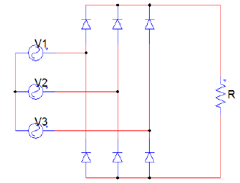
O circuito apresentado na figura abaixo representa três fontes de tensão senoidal defasadas de 120º. Assinale a alternativa que apresenta CORRETAMENTE o tipo de retificador que está sendo utilizado.

Provas
Questão presente nas seguintes provas
Ler ficção nos torna mais empáticos
Estudo afirma que se pode aprender sobre as emoções ao explorar a vida interior de personagens fictícios
Marya González Nieto
Ler ficção fomenta a empatia. Os leitores podem formar ideias sobre as emoções, as motivações e os pensamentos dos outros e transferir essas experiências para a vida real. É o que afirma Keith Oatley, psicólogo e romancista, em uma revisão de um estudo sobre os benefícios da leitura para a imaginação, publicado nesta terça-feira na Trends in Cognitive Sciences.
Nessa nova pesquisa são apresentados fundamentalmente dois estudos que embasam a tese de Oatley. No primeiro deles se pedia a vários participantes que imaginassem uma cena a partir de frases sucintas, tais como “um tapete azul escuro” ou “um lápis de listras laranjas”, enquanto permaneciam conectados a um aparelho de ressonância magnética. A cena que deveriam imaginar, com base nas pistas que lhes iam sendo dadas, era a de uma pessoa que ajudava uma outra cujo lápis havia caído no chão. Oatley explica que depois de os participantes escutarem apenas três frases tiveram uma maior ativação do hipocampo, uma região do cérebro associada com a aprendizagem e a memória. “Os escritores não precisam descrever cenários de modo exaustivo, só têm de sugerir uma cena e a imaginação do leitor fará o resto”, acrescenta.
A teoria de Oatley, professor emérito de psicologia aplicada e desenvolvimento humano na Universidade de Toronto, se baseia em que a ficção simula uma espécie de mundo social que provoca compreensão e empatia no leitor. “Quando lemos ficção nos tornamos mais aptos a compreender as pessoas e suas intenções”, explica o pesquisador. Essa resposta também é encontrada nas pessoas que veem histórias de ficção na televisão ou jogam videogames com uma narrativa em primeira pessoa. O que é comum a todas as modalidades de ficção é a compreensão das características que atribuímos aos personagens, segundo Oatley.
O outro experimento incluído na revisão do estudo consistia em que os participantes adivinhassem o que outras pessoas estavam pensando ou sentindo, a partir de fotografias dos olhos delas. Para isso podiam escolher entre quatro termos que descreviam estados de ânimo – por exemplo, “reflexivo” ou “impaciente”. A conclusão foi que as respostas dos leitores de ficção deram lugar a termos mais aproximados que as dos leitores de ensaios e livros de não ficção. Além desses estudos realizados por Oatley, o psicólogo também apresenta outras pesquisas que endossam suas conclusões, como uma realizada por Frank Hakemulder, pesquisador de língua e literatura no Institute for Cultural Inquiry (ICON) da Universidade Utrecht. Hakemulder afirma que a complexidade dos personagens literários ajuda os leitores a terem ideias mais sofisticadas acerca das emoções dos outros.
Todos esses experimentos se inserem em um momento de crescente interesse pelos estudos sobre as imagens do cérebro. Há alguns anos, em 2009, quando o mesmo autor publicou o primeiro estudo sobre a questão, não havia tanta disposição e expectativa em relação a esses temas. A guinada da comunidade científica na direção desse tipo de pesquisa é algo que se produziu nos últimos anos. “Os pesquisadores estão reconhecendo agora que na imaginação há algo importante a estudar”, diz Oatley.
A característica mais importante do ser humano é a sociabilidade, afirma Oatley. “O que nos diferencia é que nós, humanos, nos socializamos com outras pessoas de uma forma que não está programada pelo instinto, como é o caso dos animais”, explica o psicólogo, para quem a ficção pode ampliar a experiência social e ajudar a entendê-la.
Com base no texto, analise as afirmativa abaixo e identifique as que são endossadas pelo psicólogo e romancista Keith Oatley.
I. A leitura de ficção aprimora nossa capacidade de entender as intenções das pessoas.
II. O modo como nos socializamos com as pessoas nos diferencia dos animais.
III. Não é recente, no mundo científico, a descoberta de que a leitura de ficção nos capacita a compreender as pessoas e suas intenções.
IV. Pesquisas experimentais indicam que assistir ficção na televisão gera nas pessoas um efeito semelhante ao da leitura de uma obra de ficção no que se refere à capacidade de compreender o outro.
V. O modo como um experimento científico é realizado pode alterar significativamente os resultados da pesquisa e levar a conclusões equivocadas.
Assinale a alternativa CORRETA.
Provas
Questão presente nas seguintes provas
Ética e moral: Qual é a diferença?
Por Carolina Cunha, da Novelo Comunicação
Isso(I) é certo ou errado? Bom ou ruim? Devo ou não devo? Provavelmente você já deve ter feito alguma dessas perguntas na hora de tomar uma decisão ou fazer uma escolha. Essas perguntas permeiam a reflexão sobre dois termos: ética e moral.
É muito comum esses termos serem confundidos como se significassem a mesma coisa. Embora(II) estejam relacionados entre si, moral e ética são conceitos distintos.
A palavra “ética” vem do grego ethos. Em sua etimologia, ethos significa literalmente “morada”, “habitat”, “refúgio”, o lugar onde as pessoas habitam. Mas, para os filósofos, a palavra se refere a “caráter”, “índole”, “natureza”. Nesse sentido, a ética é um tipo de postura e se refere a um modo de ser, à natureza da ação humana, ou seja, ao modo como lidamos com as situações da vida e estabelecemos relações uns com os outros. É uma postura pessoal que pressupõe uma liberdade de escolha.
Já a palavra “moral” deriva do latim mores, que significa “costume”, aquilo que se consolidou ou se cristalizou como verdadeiro do ponto de vista da ação. A moral é fruto do padrão cultural vigente e incorpora as regras eleitas como necessárias ao convívio entre os membros dessa sociedade – regras estas determinadas pela própria sociedade.
Assim como a reflexão ética, uma conduta moral também é uma escolha a ser feita. As normas ou códigos morais são cumpridos a partir da convicção íntima de cada pessoa. A ética, por sua vez(III), é a parte da filosofia que estuda a moral, isto é, que reflete sobre as regras morais e as questiona. A reflexão ética pode inclusive contestar as regras morais vigentes, entendendo-as(IV), por exemplo, como ultrapassadas ou simplesmente erradas do ponto de vista pessoal.
A moral é constituída pelos valores previamente estabelecidos e pelos comportamentos socialmente aceitos e passíveis de serem questionados pela ética, em busca de uma condição mais justa.
Disponível em: <http://vestibular.uol.com.br/resumo-das-disciplinas/atualidades/etica-e-moral-qual-e-a-diferenca.htm>.
Acesso em: 23 jun. 2016. [Adaptado]
Com base no Texto e na norma padrão escrita, analise as afirmativas a seguir.
I. O pronome demonstrativo “isso” tem seu referente explícito no texto.
II. O termo “embora” exerce a função de conjunção subordinativa concessiva
III. A expressão “por sua vez” é usada para demarcar uma contraposição de ideias.
IV. Em “entendendo-as”, tem-se o emprego da ênclise, em que o pronome oblíquo átono “as” está retomando os termos “ética e moral”.
Assinale a alternativa CORRETA.
Provas
Questão presente nas seguintes provas
Cadernos
Caderno Container