Foram encontradas 60 questões.
O vibrador de imersão utilizado em serviços de concretagem tem como função:
Provas
Flexões: normal simples, normal oblíqua, normal composta e pura caracterizam-se, respectivamente por:
Provas
As curvas de nível apresentam importantes informações sobre o terreno e são bastante utilizadas em projetos.
Assinale a alternativa incorreta.
Provas
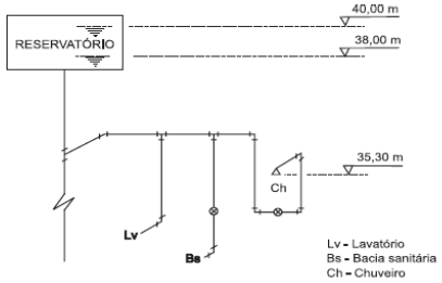
Considere o caso de um chuveiro elétrico que possui um desempenho regular: às vezes funciona bem, às vezes não. Analise o esquema hidráulico seguinte e verifique qual é a melhor solução racionalizada para regularizar o desempenho do chuveiro?

Dados: Pressão mínima recomendada para funcionamento do chuveiro é de 1 mca (mca = metros de coluna d’água). A perda total de carga entre o reservatório e o chuveiro é 2,1 mca.
Provas
As lajes com nervuras pré-moldadas treliçadas, têm, para efeito de cálculo, a forma de um T. Com relação à flexão pode-se afirmar que:
Provas
A migração de parte da água de amassamento para a superfície do concreto é definida como:
Provas
Uma viga de concreto armado, corretamente dimensionada, em serviço apresentará suas seções trabalhando em que estádio de deformação?
Provas
Considerando os elementos de fundação que podem estar presentes em uma edificação, é correto afirmar que:
Provas
A licitação é uma das principais formas de aquisição de obras e serviços de engenharia na esfera pública. As modalidades de licitação são classificadas em função do valor estimado da contratação. Assim, para os valores limites: até R$ 150.000,00; de R$150.000,00 até R$ 1.500.000,00; acima de R$ 1.500.000,00, as licitações são denominadas respectivamente:
Provas
Em uma carta regional reduzida por xerox, cuja escala é desconhecida, você encontrou entre dois pontos a distância gráfica de 20 mm. Você conhece a distância real entre os dois pontos que é de 250 m. Determine a escala numérica da carta e a menor medida que você pode fazer com esta escala (correspondente a 1 mm).
Provas
Caderno Container