Foram encontradas 60 questões.
A Figura abaixo representa uma medição de comprimento utilizando um paquímetro com escala em milímetros e nônio de 50 divisões.
Faça a leitura da medida que aparece na figura e assinale a resposta correta.

Provas
Assinale a alternativa que não corresponde a atividades desenvolvidas dentro da Fase de Detalhamento de um Projeto.
Provas
Assinale a alternativa incorreta sobre máquinas hidráulicas.
Provas
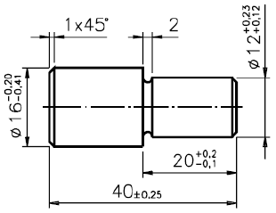
Na Figura abaixo as medidas estão representadas em [mm].
Assinale a resposta correta.

Provas
Assinale a alternativa que não se refere ao processo de estampagem.
Provas
Qual das alternativas abaixo contém uma afirmação incorreta sobre Projeto Conceitual?
Provas
O uso do fluido de corte nas operações de usinagem contribui para:
Provas
Utilizando um micrômetro, em cinco medições foram obtidos os seguintes valores em milímetros: 20,025; 19,995; 19,990; 20,001 e 20,003.
Qual das alternativas representa o valor médio levando-se em consideração a precisão das medições?
Provas
Entre as afirmações abaixo, assinale qual a alternativa incorreta sobre o trabalho em equipes multidisciplinares.
Provas
Sobre os estados planos de tensão e de deformação é correto afirmar que:
Provas
Caderno Container